Этот пример показывает, как обрезать и линеаризовать корпус с помощью Simulink® Control Design™
Разработка автопилота с помощью классических методов проектирования требует линейных моделей динамики подачи корпуса для многих обрезанных условий полета. MATLAB® может определить условия для обрезки и вывести линейные модели в пространстве состояний непосредственно от нелинейного Simulink® и Космической модели Blockset™. Это экономит время и помогает подтвердить модель. Функции, обеспеченные Simulink Control Design, позволяют вам визуализировать поведение корпуса с точки зрения частоты разомкнутого цикла (или время) ответы.
Первая проблема состоит в том, чтобы найти отклонение лифта и получившийся обрезанный уровень тела (q), который сгенерирует данное значение падения, когда ракета переместится на скорости набора. Если условие для обрезки найдено, линейная модель может быть выведена для динамики возмущений в состояниях вокруг условия для обрезки.
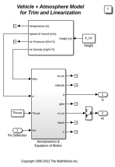
open_system('aero_guidance_airframe');

h_ini = 10000/m2ft; % Trim Height [m] M_ini = 3; % Trim Mach Number alpha_ini = -10*d2r; % Trim Incidence [rad] theta_ini = 0*d2r; % Trim Flightpath Angle [rad] v_ini = M_ini*(340+(295-340)*h_ini/11000); % Total Velocity [m/s] q_ini = 0; % Initial pitch Body Rate [rad/sec]
Первые спецификации состояния являются состояниями Положения, второй спецификацией состояния является Тета. Оба известны, но не в устойчивом состоянии. Третьи спецификации состояния являются связанной осью, угловыми уровнями которой переменная w в устойчивом состоянии.
opspec = operspec('aero_guidance_airframe');
opspec.State(1).Known = [1;1];
opspec.State(1).SteadyState = [0;0];
opspec.State(2).Known = 1;
opspec.State(2).SteadyState = 0;
opspec.State(3).Known = [1 1];
opspec.State(3).SteadyState = [0 1];
op = findop('aero_guidance_airframe',opspec); io(1) = linio('aero_guidance_airframe/Fin Deflection',1,'input'); io(2) = linio('aero_guidance_airframe/Selector',1,'output'); io(3) = linio(sprintf(['aero_guidance_airframe/Aerodynamics &\n', ... 'Equations of Motion']),3,'output'); sys = linearize('aero_guidance_airframe',op,io);
Operating point search report:
---------------------------------
Operating point search report for the Model aero_guidance_airframe.
(Time-Varying Components Evaluated at time t=0)
Operating point specifications were successfully met.
States:
----------
(1.) aero_guidance_airframe/Aerodynamics & Equations of Motion/ Equations of Motion (Body Axes)/Position
x: 0 dx: 968
x: -3.05e+03 dx: -171
(2.) aero_guidance_airframe/Aerodynamics & Equations of Motion/ Equations of Motion (Body Axes)/Theta
x: 0 dx: -0.216
(3.) aero_guidance_airframe/Aerodynamics & Equations of Motion/ Equations of Motion (Body Axes)/U,w
x: 968 dx: -14.1
x: -171 dx: -7.44e-08 (0)
(4.) aero_guidance_airframe/Aerodynamics & Equations of Motion/ Equations of Motion (Body Axes)/q
x: -0.216 dx: 3.36e-08 (0)
Inputs:
----------
(1.) aero_guidance_airframe/Fin Deflection
u: 0.136 [-Inf Inf]
Outputs:
----------
(1.) aero_guidance_airframe/q
y: -0.216 [-Inf Inf]
(2.) aero_guidance_airframe/az
y: 199 [-Inf Inf]
airframe = ss(sys.A(3:4,3:4),sys.B(3:4,:),sys.C(:,3:4),sys.D); set(airframe,'inputname',{'Elevator'}, ... 'outputname',[{'az'} {'q'}]); ltiview('bode',airframe); bdclose('aero_guidance_airframe');
