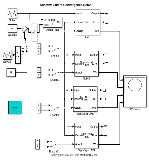
Этот пример показывает путь к сходимости, взятый различными адаптивными алгоритмами фильтрации. График является последовательностью точек формы (w1, w2), где w1 и w2 являются весами адаптивного фильтра. Синие точки в фигуре указывают на линии контура ошибочной поверхности. Масштабируйте в график, чтобы видеть, что свойства пути к сходимости выбором увеличивают масштаб из меню Tools.
Этот пример не изображает быстроту сходимости различных алгоритмов. Можно экспериментировать с различными значениями неродного размера для адаптивных фильтров, чтобы видеть изменение в путях к сходимости.
Каждый из адаптивных фильтров может быть включен или отключен отдельно:
LMS - Наименьшее количество Среднеквадратического алгоритма
NLMS - Нормированный LMS-алгоритм
SELMS - LMS-алгоритм ошибки знака
SSLMS - LMS-алгоритм знака знака

