Эти подарки в качестве примера модель Simulink кратного ввела несколько, выводят (MIMO) систему радиосвязи. Беспроводная система использует гибрид beamforming метод, чтобы улучшить системную пропускную способность.
5G и другие современные системы радиосвязи экстенсивно используют MIMO beamforming технология для сигнала к шумовому отношению (ОСШ) улучшение и пространственное мультиплексирование, чтобы улучшить пропускную способность в рассеивателе богатые среды. В богатой рассеивателем среде, там может не существовать пути угла обзора (LOS) между передачей и получить антенны. Получать высокую пропускную способность, MIMO beamforming предварительное кодирование реализаций на стороне передатчика и объединение на стороне получателя, чтобы увеличить ОСШ и разделить пространственные каналы. Полная цифровая beamforming структура требует, чтобы каждая антенна имела специализированную цепочку РФ к основной полосе, которая делает полное оборудование дорогим и потребление энергии высоко. Как решение, гибридный MIMO beamforming предложен [1], в котором меньше цепочек РФ к основной полосе используется и частичное из предварительного кодирования, и объединение реализованы во фрагменте РФ. С преднамеренным выбором весов для того, чтобы предварительно закодировать и объединиться, гибрид beamforming может достигнуть сопоставимой производительности как того из полных beamforming.
В этом примере мы начинаем модель Simulink с гибридного MIMO beamforming. Эта модель показывает два гибрида beamforming алгоритмы: Квантованный разреженный гибридный Beamforming (QSHB) [2] и Гибридный Beamforming с Пиковым Поиском (HBPS).
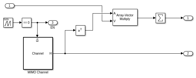
Следующие данные показывают структуру гибрида beamforming система.

В фигуре,
количество потоков сигнала;
количество антенн передачи;
количество передачи цепочки РФ;
количество, получают антенны; и
количество, получают цепочки РФ. В этом примере, двух потоках сигнала, 64 антеннах передачи, 4 передачи цепочки РФ, 16 получают антенны, и 4 получают цепочки РФ.
Рассеивающийся канал обозначается
. Гибрид beamforming веса представлен аналоговым предварительным кодером
, цифровым предварительным кодером
, аналоговым объединителем
и цифровым объединителем
. Для более подробного введения в гибрид beamforming, обратитесь к Введению MATLAB в Гибридный пример Beamforming.
Модель Simulink состоит из четырех основных компонентов: Передатчик MIMO, Канал MIMO, Получатель MIMO и Вычисление Весов.

Передатчик MIMO генерирует поток сигнала и затем применяет предварительное кодирование. Модулируемый сигнал распространен через рассеивающийся канал, заданный в канале MIMO, и затем декодировал и демодулировал в стороне получателя.
Канал рассеивания MIMO представлен матрицей канала. Кроме того, этот пример использует активированную подсистему, чтобы периодически изменить эту матрицу, чтобы моделировать то, что канал MIMO может отличаться в зависимости от времени.

В гибриде beamforming система, и предварительное кодирование и соответствующий процесс объединения сделаны частично в основной полосе и частично в полосе РФ. В целом beamforming, достигнутый в полосе РФ только, включает сдвиги фазы. Поэтому критическая часть в такой системе должна определить, как распределить веса между основной полосой и полосой РФ на основе канала. Это сделано в блоке Weight Calculation, где веса перед кодированием, Fbb и FrfAng и объединение весов, Wbb и WrfAng, вычисляются на основе матрицы канала, H. В этом примере мы принимаем, что матрица канала известна, и обеспечьте и QSHB и алгоритмы HBPS.

Квантованный разреженный гибридный Beamforming (QSHB)
Литература [2, 3] показывает, что, учитывая матрицу канала, H, канала рассеивания MIMO, гибрид beamforming веса может быть вычислен через итеративные алгоритмы [2]. Используя ортогональный алгоритм преследования соответствия, получившиеся аналоговые веса предварительного кодирования/объединения только регулируют векторы, соответствующие доминирующим режимам матрицы канала. Для подробного описания алгоритма обратитесь к Введению в Гибридный пример Beamforming.
Квантованный разреженный гибридный Beamforming с пиковым поиском (HBPS)
HBPS является упрощенной версией QSHB. Вместо того, чтобы искать доминирующий режим матрицы канала итеративно, проекты HBPS все цифровые веса в сетку направлений и идентифицируют
и
достигают максимума, чтобы сформировать соответствующий аналог beamforming веса. Это работает хорошо специально для больших массивов, как массивы, используемые в крупных системах MIMO, поскольку для больших массивов, направления, более вероятно, будут ортогональными.
Поскольку матрица канала может изменяться в зависимости от времени, вычисление весов также должно быть выполнено периодически, чтобы разместить изменение канала.
QSHB
Следующие данные показывают восстановленные 16 потоков символа QAM в получателе с помощью алгоритмов QSHB. Получившаяся совокупность показывает это по сравнению с исходной совокупностью, восстановленные символы, правильно расположенные в обоих потоках. Это означает, что с помощью гибрида beamforming метод, мы можем улучшить системную способность путем отправки этих двух потоков одновременно. Кроме того, схема совокупности показывает, что отклонение первого восстановленного потока лучше, чем второй восстановленный поток, когда точки менее рассеиваются в совокупности первого потока. Это вызвано тем, что первый поток использует самый доминирующий режим канала MIMO, таким образом, это имеет лучший ОСШ.



HBPS
Результат HBPS показывают в следующих фигурах. Схема совокупности показывает, что достигает подобной производительности по сравнению с QSHB. Это означает, что HBPS является хорошим выбором для моделируемого 64x16 система MIMO.


Этот пример предоставляет модель Simulink двух гибридов beamforming методы, QSHB и HBPS. Канал рассеивания MIMO используется, чтобы предоставить реалистическую модель канала для крупных систем MIMO. Модель Simulink разделена согласно функциям в потоке сигналов, который дает указания для аппаратной реализации. Для данного H количество символов может отличаться, чтобы моделировать переменную когерентную длину канала. С этой моделью Simulink могут быть изучены различные системные параметры и новый гибрид beamforming алгоритмы. Структура системы упрощает аппаратную реализацию.
[1] Андреас Ф. Молиш, и др. "Гибридный Beamforming для Крупного MIMO: Обзор", Коммуникационный Журнал IEEE, Издание 55, № 9, сентябрь 2017, стр 134-141
[2] Oma El Ayach, и др. "Пространственно Разреженное Предварительное кодирование в волне Миллиметра Системы MIMO, Транзакции IEEE на Радиосвязях", Издание 13, № 3, март 2014
[3]. Эмиль Бджорнсон, Джэйкоб Хойдис, Лука Сангуйнетти, "крупные сети MIMO: спектральный, энергия и аппаратная эффективность", основы и тренды в обработке сигналов: издание 11, № 3-4, 2017