Идеальная связь между Simscape Electrical Специализированные Энергосистемы и электрическими схемами Simscape
Simscape / Электрический / Специализированные Энергосистемы / Основные Блоки / Интерфейсные Элементы

Текущее Напряжение Интерфейс Simscape (gnd) блокирует Simscape™ Electrical™ подключений Специализированные схемы Энергосистем с электрическими элементами от библиотеки Simscape Foundation. Этот блок консервы, текущие через блок и напряжение через блок, сохраняя электроэнергию.
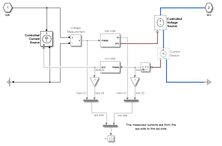
На Simscape Electrical Специализированная сторона Энергосистем действия порта sps электрического разъема как управляемый текущий источник упомянули землю, питая текущим со стороны Simscape до связанного Simscape Electrical Специализированные элементы Энергосистем.
На стороне Simscape действия порта ssc электрического разъема как управляемый источник напряжения упомянули землю, питая напряжение от Simscape Electrical Специализированной стороной Энергосистем к связанным элементам Simscape.
Следующая фигура дает обзор интерфейса.

Блок измеряет напряжение между портом sps и Simscape Electrical Специализированные Энергосистемы электрическая ссылка и распространяет его к порту ssc, сохраняя полярность относительно Simscape электрическая ссылка. Блок также измеряет текущее вытекать из порта ssc к Simscape электрическая ссылка и распространяет его к порту sps.
Можно задать фильтр, чтобы повредить алгебраический цикл между портами Simscape Electrical Specialized Power Systems и Simscape. Можно задать фильтр как первый порядок непрерывная передаточная функция или как дискретный блок единичной задержки. Можно применить фильтр на Simscape Electrical Специализированная сторона Энергосистем, к измеренному напряжению, или на стороне Simscape, к измеренному току. В зависимости от измеренного сигнала, где вы применяете фильтр, другой сигнал всегда является прямым сквозным соединением.
Если вы не задаете фильтр, прямое сквозное соединение применяется на оба измеренных сигнала. Однако эта настройка приводит к алгебраическому циклу, содержащему Измерение Напряжения, Управляемый Источник Напряжения, Датчик тока и Управляемые Текущие Исходные блоки, которые могут вызвать числовые проблемы.
Если выбрано, прямое сквозное соединение применяется между портами Simscape Electrical Specialized Power Systems и Simscape с обеих сторон. Значение по умолчанию очищено.
Установите этот параметр на Low pass filter (continuous) (значение по умолчанию), чтобы реализовать первый порядок непрерывный фильтр передаточной функции между портами Simscape Electrical Specialized Power Systems и Simscape.
Установите этот параметр на Unit delay (discrete), чтобы реализовать дискретный фильтр единичной задержки между портами Simscape Electrical Specialized Power Systems и Simscape.
Установите этот параметр на First-order input filtering, чтобы реализовать первый порядок непрерывный фильтр передаточной функции с фильтрацией первого порядка блока Simulink-PS Converter, который обеспечивает одну производную. Можно применить этот фильтр только на Simscape Electrical Специализированная сторона Энергосистем.
Установите этот параметр на Second-order input filtering, чтобы реализовать первый порядок непрерывный фильтр передаточной функции с фильтрацией второго порядка блока Simulink-PS Converter, который обеспечивает производные один и два. Можно применить этот фильтр только на Simscape Electrical Специализированная сторона Энергосистем.
Параметр Filter type не видим, когда флажок Direct feedthrough (no filter) устанавливается.
Задайте временную константу фильтра нижних частот фильтра в секундах. Этот параметр доступен только, когда параметр Filter type устанавливается на Low pass filter (continuous), First-order input filtering или Second-order input filtering. Значением по умолчанию является 1e-6.
Задайте шаг расчета фильтра единичной задержки в секундах. Этот параметр доступен только, когда параметр Filter type устанавливается на Unit delay (discrete). Значением по умолчанию является 50e-6.
Задайте начальное значение напряжения измеренного Simscape Electrical Специализированное напряжение Энергосистем. Значением по умолчанию является 0.
Этот параметр доступен только, когда вы применяете фильтр на Simscape Electrical Специализированная сторона Энергосистем.
Задайте начальное текущее значение измеренного текущего Simscape. Значением по умолчанию является 0.
Этот параметр доступен только, когда вы применяете фильтр на сторону Simscape.
Установите этот параметр на Specialized Power Systems side (значение по умолчанию), чтобы применить фильтр на измеренный Simscape Electrical Специализированное напряжение Энергосистем.
Установите этот параметр на Simscape side, чтобы применить фильтр на измеренный текущий Simscape.
Параметр Apply filter on не видим, когда флажок Direct feedthrough (no filter) устанавливается, когда Filter type установлен в First-order input filtering, или когда Filter type установлен в Second-order input filtering.
Если выбрано, добавляет вывод Simulink® к блоку, который возвращает Simscape Electrical Специализированные текущие Энергосистемы и напряжение и к текущему Simscape и напряжения в сигнале шины. Значение по умолчанию очищено.
При симуляции моделей Simscape Electrical Specialized Power Systems наряду с блоками Simscape выберите решатель Simulink тщательно.
Используйте решатель ode23tb для решения Simscape Electrical Специализированные схемы Энергосистем, содержащие переключатели или нелинейный элемент. Если вы используете другие жесткие решатели, программное обеспечение Simscape Electrical Specialized Power Systems дает вам соблюдающее предупреждение:
Warning: You have required continuous-time simulation of a system containing switches or nonlinear elements. The ode23tb variable-step stiff solver with relative tolerance set to 1e-4 is recommended in order to get best accuracy and simulationperformance. For some highly nonlinear models it may be necessary to set the "Solver reset method" parameter to "Robust". See "Improving Simulation Performance" chapter in Simscape Electrical Specialized Power Systems documentation for additional information on how to select an appropriate integration method. 'To ignore Simscape Electrical Specialized Power Systems warnings, select "Disable Simscape Electrical SPS warnings" in the Powergui Preferences tab.';
Simscape Electrical Специализированные Энергосистемы, предупреждающие, может быть отключен, как описано в предупреждающем сообщении. Однако, если вы используете решатель ode23tb для решения моделей, содержащих блоки Simscape, программное обеспечение Simscape дает вам соблюдающее предупреждение:
Warning: The solver chosen is not recommended if the model is stiff, which is typical for models containing Simscape components. These solvers are typically preferred for Simscape models:ode23t, ode15s or ode14x (fixed-step). To disable this diagnostic,change the explicit solver diagnostic setting on the Simscape panel of the model Configuration Parameters.
Simscape, предупреждающий, может также быть отключен, как описано в предупреждающем сообщении.
Пример power_SSCmodeling показывает, как модели Simscape Electrical Specialized Power Systems и Simscape могут соединить интерфейсом с использованием блока Current-Voltage Simscape Interface.
Текущее напряжение интерфейс Simscape, текущий напряжением интерфейс Simscape, текущий напряжением интерфейс Simscape (gnd)