Эта модель показывает, как можно разработать переключающиеся контроллеры путем объединения степени функций Simulink® и Stateflow®.

SwitchingController диаграммы Stateflow реализует простой контроллер переключения, который переключается между тремя состояниями: STEADY, P и PID. Когда в состоянии STEADY, мы производим нулевое управление вывод. Когда в P или PID, мы делегируем к подсистемам вызова функции Simulink в порядке вычислить необходимое усилие по управлению.
Создать данные для контроля опции для PID состояния проверяются. Поэтому в дополнение к управлению вывод u, диаграмма Stateflow также производит журналирование вывод с тем же именем как PID состояния.
Условие для переключения от P до PID основано на ошибке, будучи достаточно низким [e < PID_TRESH]. PID_TRESH является переменной, заданной в Рабочем пространстве модели со значением 0,3.

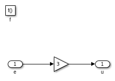
Подсистема Simulink SwitchingController/P.p_control реализует очень простое пропорциональное управление с усилением 3. Если бы мы продолжили оставаться в P состояния, усиление устойчивого состояния системы с обратной связью было бы 3/4 = 0.75. Поэтому мы получили бы ошибку 0,25.

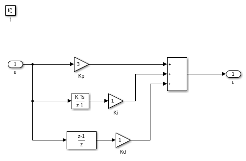
Подсистема Simulink SwitchingController/PID.pid_control реализует простую стратегию управления ПИДа. Пропорциональное усиление эквивалентно в P, таким образом, гарантирующем плавный переход в усилии по управлению.

Когда мы моделируем модель, мы замечаем, что установившаяся ошибка приближается к нулю.

В отсутствие управления ПИДом у нас была бы установившаяся ошибка 0,25. Если мы изменим PID_TRESH на 0,1, мы никогда не будем добираться до PID, потому что ошибка никогда не будет добираться ниже 0.25, пока мы находимся в P состояния.
