В этом примере показано, как смотреть оптимизированную последовательность переменных, которыми управляют, вычисленных прогнозирующим контроллером модели в каждом шаге расчета.
Объект является двойным интегратором, удовлетворяющим входной насыщенности.
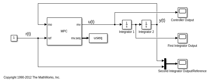
Основная настройка контроллера MPC включает:
Двойной интегратор как модель прогноза
Горизонт прогноза 20
Управляйте горизонтом 10
Введите ограничения -1 <= u(t) <= 1
Сконфигурируйте контроллер MPC.
Ts = 0.1; p = 20; m = 10; mpcobj = mpc(tf(1,[1 0 0]),Ts,p,m); mpcobj.MV = struct('Min',-1,'Max',1); nu = 1;
-->The "Weights.ManipulatedVariables" property of "mpc" object is empty. Assuming default 0.00000. -->The "Weights.ManipulatedVariablesRate" property of "mpc" object is empty. Assuming default 0.10000. -->The "Weights.OutputVariables" property of "mpc" object is empty. Assuming default 1.00000.
Чтобы запустить этот пример, Simulink® требуется.
if ~mpcchecktoolboxinstalled('simulink') disp('Simulink is required to run this example.') return end
Откройте модель Simulink и запустите симуляцию.
mdl = 'mpc_sequence';
open_system(mdl)
sim(mdl)
-->Converting the "Model.Plant" property of "mpc" object to state-space. -->Converting model to discrete time. Assuming no disturbance added to measured output channel #1. -->The "Model.Noise" property of the "mpc" object is empty. Assuming white noise on each measured output channel.




Блок MPC Controller имеет mv.seq выходной порт, который включен путем выбора параметров блоков последовательности Оптимального управления. Это выходы порта последовательность оптимального управления вычисляется контроллером в каждом шаге расчета. Выходной сигнал является массивом с p+1 строка и Nmv столбцы, где p горизонт прогноза и Nmv количество переменных, которыми управляют.
Подобным образом контроллер может вывести оптимальную последовательность состояния (x.seq) и оптимальная выходная последовательность (y.seq).
Модель экспортирует эту управляющую последовательность в рабочую область MATLAB® на каждом шаге симуляции, регистрируя данные как useq.
Постройте последовательность оптимального управления в определенные моменты времени.
times = [0 0.2 1 2 2.1 2.2 3 3.5 5]; figure('Name','Optimal sequence history') for t = 1:9 ct = times(t)*10+1; subplot(3,3,t) h = stairs(0:p,useq.signals.values(ct,:)); h.LineWidth = 1.5; hold on plot((0:p)+.5,useq.signals.values(ct,:),'*r') xlabel('prediction step') ylabel('u') title(sprintf('Sequence (t=%3.1f)',useq.time(ct))) grid axis([0 p -1.1 1.1]) hold off end

Диспетчер MPC использует первые две секунды, чтобы принести выход очень близко к новому сетболу. Контроллер вывел, в высоком пределе (+1) в течение одной секунды и переключается на низкий предел (-1) в течение следующей секунды, которая является лучшей стратегией управления под входными ограничительными пределами.
bdclose(mdl)