ADC N-bit с архитектурой флэш-памяти
Mixed-Signal Blockset / ADC / Архитектура

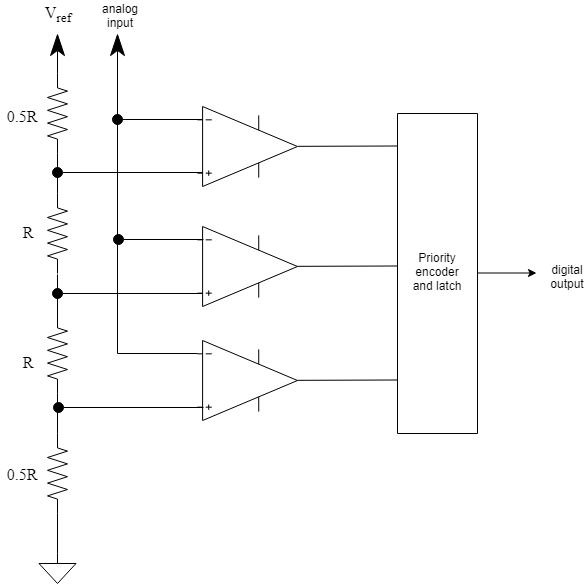
Битный ADC флэш-памяти N включает резистивную лестничную структуру, которая содержит 2N резисторы и 2N-1 компараторы.

Ссылочное напряжение каждого компаратора является 1 младшим значащим битом (LSB) выше, чем тот ниже его в лестничной структуре. В результате все компараторы ниже определенного момента будут иметь входное напряжение больше, чем ссылочное напряжение и логический 1 вывод . Все компараторы выше той точки будут иметь входное напряжение меньшим, чем ссылочное напряжение и логический 0 вывод . Выход 2N-1 компараторов передается через кодер приоритета, чтобы произвести цифровой выход. Эта схема кодирования называется кодированием термометра.
Поскольку аналоговый вход применяется ко всем компараторам целиком, архитектура ADC флэш-памяти очень быстра. Но ADC имеет с низким разрешением и мощные требования из-за большого количества резисторов, требуемых реализовывать архитектуру.
analog — Сигнал аналогового входаСигнал аналогового входа, заданный как скаляр или вектор.
Типы данных: double
start — Внешнее преобразование запускает часыВнешнее преобразование запускает часы, заданные как скаляр или вектор. start определяет, когда аналого-цифровой процесс преобразования запускается.
Типы данных: double
digital — Конвертированный сигнал цифрового выходаКонвертированный сигнал цифрового выхода, возвращенный как скаляр или вектор.
Типы данных: fixed point | single | double | uint8 | uint16 | uint32 | Boolean
ready — Определяет, завершено ли преобразование ADCОпределяет, завершено ли преобразование ADC, возвращенное как скаляр или вектор.
Типы данных: single | double | uint8 | uint16 | uint32 | fixed point
Number of bits — Количество физических выходных битов (значение по умолчанию) | положительное действительное целое числоКоличество физических выходных битов, заданных как безразмерное положительное действительное целое число. Number of bits определяет разрешение ADC.
Использование get_param(gcb,'NBits') просмотреть текущий Number of bits.
Использование set_param(gcb,'NBits',value) установить Number of bits на определенное значение.
Типы данных: double
Input range (V) — Динамический диапазон ADC (значение по умолчанию) | вектор-строка с 2 элементамиДинамический диапазон ADC, указанный как вектор-строка с 2 элементами в вольтах.
Использование get_param(gcb,'InputRange') просмотреть текущий Input range (V).
Использование set_param(gcb,'InputRange',value) установить Input range (V) на определенное значение.
Типы данных: double
Use external start clock — Свяжите с внешними часами преобразования запускаВыберите, чтобы связать с внешними часами преобразования запуска. По умолчанию эта опция выбрана. Если вы отменяете выбор этой опции, блок Sampling Clock Source в Flash ADC используется, чтобы сгенерировать часы преобразования запуска.
Conversion start frequency (Hz) — Частота внутренних часов преобразования запуска1e6 (значение по умолчанию) | положительный действительный скалярЧастота внутренних часов преобразования запуска, заданных как положительный действительный скаляр в Гц. Conversion start frequency определяет уровень ADC.
Этот параметр только доступен, когда Use external start clock не выбран.
Использование get_param(gcb,'StartFreq') просмотреть текущее значение Conversion start frequency (Hz).
Использование set_param(gcb,'StartFreq',value) установить Conversion start frequency (Hz) на определенное значение.
Типы данных: double
RMS aperture jitter (s) — Дрожание апертуры RMS добавляется к часам преобразования запуска1e-12 (значение по умолчанию) | действительный неотрицательный скалярДрожание апертуры RMS, добавленное как нарушение к часам преобразования запуска, заданным как действительный неотрицательный скаляр в s. Обнулите значение RMS aperture jitter, если вы хотите чистый сигнал часов.
Этот параметр только доступен, когда Use external start clock не выбран.
Использование get_param(gcb,'StartClkJitter') просмотреть текущее значение RMS aperture jitter (s).
Использование set_param(gcb,'StartClkJitter',value) установить RMS aperture jitter (s) на определенное значение.
Типы данных: double
Edge trigger type — Тип фронта синхроимпульса, который инициировал выходное обновлениеRising edge (значение по умолчанию) | Falling edge | Either edgeТип фронта синхроимпульса, который инициировал выходное обновление:
Rising edge — выход обновляется с сигналом фронта.
Falling edge — выход обновляется с падающим ребром сигнала часов.
Either edge — выход обновляется и с повышением и с падающим ребром сигнала часов.
Использование get_param(gcb,'Trigger') просмотреть текущий Edge trigger type.
Использование set_param(gcb,'Trigger',value) установить Edge trigger type на определенное значение.
ADC output data type — Задает тип выходных данных ADCBinaryVector (значение по умолчанию) | double | single | uint8 | uint16 | uint32 | fixdt(0,Nbits) | Inherit: Inherit via back propagationЗадает тип выходных данных ADC.
Использование get_param(gcb,'OutDataType') просмотреть текущий ADC output data type.
Использование set_param(gcb,'OutDataType',value) установить ADC output data type на определенное значение.
Enable impairments — Включите нарушения в симуляции ADCВыберите, чтобы включить нарушения, такие как ошибка смещения и ошибка усиления в симуляции ADC. По умолчанию эта опция выбрана.
Offset error (LSB) — Квантование сдвигов продвигается определенным значением (значение по умолчанию) | действительный скалярКвантование сдвигов продвигается определенным значением, заданным как скаляр в младшем значащем бите (LSB).
Этот параметр только доступен, когда Enable impairments выбран.
Использование get_param(gcb,'OffsetError') просмотреть текущее значение Offset error (LSB).
Использование set_param(gcb,'OffsetError',value) установить Offset error (LSB) на определенное значение.
Типы данных: double
Gain error — Ошибка на наклоне ADC передает кривую2 LSB (значение по умолчанию) | действительный скалярОшибка на наклоне прямой линии, интерполирующей ADC, передает кривую, заданную как действительный скаляр в LSB или %.
Этот параметр только доступен, когда Enable impairments выбран.
Использование get_param(gcb,'GainError') просмотреть текущее значение Gain error.
Использование set_param(gcb,'GainError',value) установить Gain error на определенное значение.
Типы данных: double
Missing codes — Положение не пройдено компараторов[] (значение по умолчанию) | вектор-строка с положительными действительными значениямиПоложение не пройдено компараторов, заданных как вектор-строка с положительными действительными значениями.
Этот параметр только доступен, когда Enable impairments выбран.
Использование get_param(gcb,'Bubbles') просмотреть текущий Missing codes.
Использование set_param(gcb,'Bubbles',value) установить Missing codes на определенное значение.
Типы данных: double
ADC AC Measurement | ADC DC Measurement | ADC Testbench | Aperture Jitter Measurement | SAR ADC
1. Если смысл перевода понятен, то лучше оставьте как есть и не придирайтесь к словам, синонимам и тому подобному. О вкусах не спорим.
2. Не дополняйте перевод комментариями “от себя”. В исправлении не должно появляться дополнительных смыслов и комментариев, отсутствующих в оригинале. Такие правки не получится интегрировать в алгоритме автоматического перевода.
3. Сохраняйте структуру оригинального текста - например, не разбивайте одно предложение на два.
4. Не имеет смысла однотипное исправление перевода какого-то термина во всех предложениях. Исправляйте только в одном месте. Когда Вашу правку одобрят, это исправление будет алгоритмически распространено и на другие части документации.
5. По иным вопросам, например если надо исправить заблокированное для перевода слово, обратитесь к редакторам через форму технической поддержки.