В этом примере показано, как пользоваться библиотекой RF Blockset™ Circuit Envelope, чтобы симулировать производительность Низкой архитектуры IF со следующими нарушениями РФ:
Шум компонента
Интерференция от сигналов блокировщика
Шум фазы LO
Динамический диапазон аналого-цифрового конвертера (ADC)
Несоответствие компонента
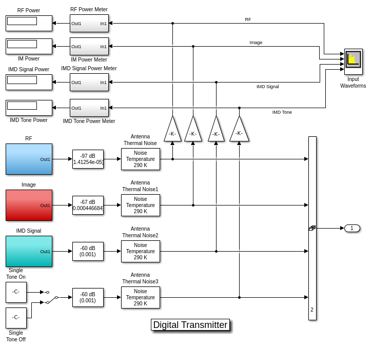
Переменные проекта во фрагменте РФ модели включают явную спецификацию усиления, шумовой фигуры, IP3, импеданса ввода/вывода, смещения фазы LO и шума фазы LO. Несущие частоты для форм волны, вводящих подсистемы RF Blockset, заданы в блоках Inport. Переменные проекта для стороны передатчика интерфейса РФ включают несущую частоту, схему модуляции, степень сигнала и уровень мощности блокировщика. Основополосные переменные проекта являются количеством битов и областью значений полного масштаба ADC.

Эта модель иллюстрирует проект и симуляцию Получателя Полосы ISM. Первичные подсистемы включают цифровой передатчик, получатель РФ, ADC, блок шума фазы для шумного моделирования LO и цифровой получатель. Оставшиеся блоки используются в анализе.


Цифровой передатчик состоит из модулируемых форм волны трех FSK и мощного тона. Три генератора формы волны FSK используют фильтр bandlimiting, который подавляет боковые полосы FSK ниже ожидаемого уровня теплового шума. Целевая форма волны на уровне 2 450 МГц имеет уровень мощности полосы пропускания на 1 Ом, на который ссылаются, приблизительно-70 dBm. Столь же заданное изображение и искажение межмодуляции (IMD) формы волны блокировщика имеют степени полосы пропускания приблизительно-40 dBm и-33 dBm, соответственно. Тон IMD, который связывается с блокировщиком IMD, чтобы сгенерировать внутриполосные продукты IM3, имеет силу полосы пропускания-33 dBm. Поскольку основополосная обработка задает комплексные формы волны конверта, вычислительная степень полосы пропускания требует вставки 1/sqrt (2) усиление как показано в проекте. IF 2 МГц может быть выведен путем осмотра спектра входного сигнала демодулятора, где смещение на 2 МГц задано для отображения.

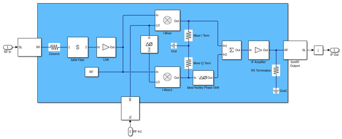
Низкий получатель IF состоит из получить фильтра ленточной пилы, этапа преобразования частоты, этапа отклонения изображений и двух этапов усиления. Резисторы используются к импедансам входа и выхода модели. Каждый нелинейный блок имеет шумовую спецификацию фигуры. Нелинейность степени в низком шумовом усилителе (LNA), усилителе IF и микшерах задана IP3. Отклонение изображений выполняется с проектом Хартли, и один LO и блоки сдвига фазы обеспечивают косинус и условия синуса, чтобы смешаться со мной и ветвями Q, соответственно. Блок суммирования повторно объединяется, сигналы на мне переходят и переключенная фазой ветвь Q. Качеством отклонения изображений можно управлять непосредственно путем установки неидеального смещения фазы в блоке Phase Shift. Чтобы получить РФ, Изображение, Сигнал IMD и Тональные формы волны/спектры IMD, выбирает Основные тоны, чтобы быть 2 450 МГц, 1 МГц и Гармонический Порядок как 1 для первого тона и 8 для второго тона в Блоке Configuration. Чтобы смоделировать пол теплового шума в среде RF Blockset, Температура в разделе System Parameters в Блоке Configuration установлена в шумовую температуру 290.0 K.

ADC моделируется с помощью идеального сэмплера и 12-битного квантизатора. Квантизатор учитывает полномасштабные и динамические диапазоны ADC, правильно моделируя его уровень шума квантования.
Цифровой получатель демодулирует форму волны для вычисления частоты ошибок по битам. Этот некогерентный получатель FSK принимает совершенную синхронизацию синхронизации, такую, что каждый импульс FSK интегрирован по одному и только одному символу.
Выполнение примера симулирует проект, который соответствует незакодированной спецификации BER меньше чем 1%. Модификации к сигналам и спецификациям компонента в получателе и ADC оказывают прямое влияние на производительность получателя. Ручные переключатели включают вам к:
Выберите уровень мощности для тона блокировщика IMD-33 dBm или-45 dBm
Выберите идеальный или шумный LO.
Другие возможные изменения в проекте включают:
Отношение отклонения изображений (IRR) проекта Хартли. IRR существующего проекта (dPhi=0.01 степени) составляет-40 дБ. Для получения дополнительной информации о вычислении IRR смотрите пример Measuring Image Rejection Ratio in Receivers Измерение Отношения Отклонения Изображений в Получателях>.
Схемы модуляции
Основополосные опции фильтрации
Уровни мощности сигнала
Несущие частоты сигнала
Шумовые фигуры
Нелинейные параметры усиления
Межкаскадное соответствие
Длина в битах ADC и область значений полного масштаба

