В этом примере показано, как использовать модель ракетного корпуса, представленного во многих опубликованных работах (Ссылки [1], [2] и [3]) на использовании усовершенствованных методов управления применился к ракетному проекту автопилота. Модель представляет управляемую ракету хвоста, перемещающуюся между Махом 2 и Махом 4 на высотах, располагающихся между 10,000 футами (3,050 м) и 60,000 футов (18,290 м), и с типичными углами нападения, располагающегося между +/-20 степени.

Базовый элемент модели является нелинейным представлением динамики твердого тела корпуса. Аэродинамические силы и моменты, действуя на ракетный корпус сгенерированы от коэффициентов, которые являются нелинейными функциями и падения и Числа Маха. Модель может быть создана с Simulink® и Aerospace Blockset™. Цель этого blockset состоит в том, чтобы обеспечить ссылочные компоненты, такие как модели атмосферы, которые будут характерны для всех моделей независимо от настройки корпуса. Упрощенные версии компонентов, доступных в Aerospace Blockset, включены с этими примерами, чтобы дать вам смысл потенциала для повторного использования, доступного от стандартных библиотек блоков.

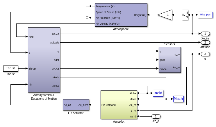
Модель корпуса состоит из четырех основных подсистем, которыми управляют через автопилот ускоряющего спроса. Модель Atmosphere вычисляет изменение в атмосферных условиях с изменяющейся высотой, модели Fin Actuator и Sensors связывают автопилот с корпусом, и Аэродинамика и уравнения модели Motion вычисляют величину сил и моменты, действуя на ракетный корпус и интегрируют уравнения движения.


Подсистема Атмосферы, которая используется, является приближением к Атмосфере Международного стандарта и разделена в две отдельных области. Область тропосферы находится между уровнем моря и 11 км, и в этой области там принят, чтобы быть линейным температурным отбрасыванием с изменяющейся высотой. Выше тропосферы находится более низкая область стратосферы, располагающаяся между 11 км и 20 км. В этой области температура принята, чтобы остаться постоянной.
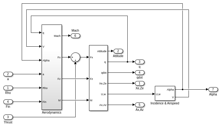
Aerodynamics & Equations Подсистемы Движения генерирует силы, и моменты применились к ракете в осях тела и интегрируют уравнения движения, которые задают линейное и угловое движение корпуса.

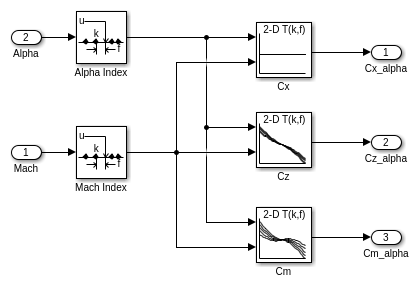
Аэродинамические коэффициенты хранятся в наборах данных, и во время симуляции значение в текущих условиях работы определяется интерполяцией с помощью блоков двумерной интерполяционной таблицы.

Цель ракетного автопилота состоит в том, чтобы управлять ускорением, нормальным к ракетному корпусу. В этом примере структура автопилота является тремя проектами цикла с помощью измерений от акселерометра, помещенного перед центром тяжести и гироскопом уровня, чтобы обеспечить дополнительное затухание. Усиления контроллера планируются на падение и Число Маха, и настраиваются для устойчивой производительности на высоте 10 000 футов.
Спроектировать автопилот с помощью классических методов проектирования требует, чтобы линейные модели динамики подачи корпуса были выведены о многих обрезанных условиях рейса. MATLAB® может определить условия для обрезки и вывести линейные модели в пространстве состояний непосредственно из нелинейной модели Simulink, экономя и время, и помогая в валидации модели, которая была создана. Функции, обеспеченные Control System Toolbox™ MATLAB и Simulink® Control Design™, позволяют разработчику визуализировать поведение частоты разомкнутого цикла корпуса (или время) ответы. Чтобы видеть, как обрезать и линеаризовать модель корпуса, можно запустить сопутствующий пример, "Обрезка корпуса и Линеаризует".

Проекты автопилота выполняются в ряде линейных моделей корпуса, выведенных при различных условиях рейса через ожидаемый конверт рейса. Реализовывать автопилот в нелинейной модели вовлекает хранение усилений автопилота в 2 размерных интерполяционных таблицы и слияния антизаключительного усиления, чтобы предотвратить завершение интегратора, когда финансовые требования превышают максимальные пределы. Тестирование автопилота в нелинейной модели Simulink является затем лучшим способом показать удовлетворительную производительность в присутствии нелинейности, такой как пластина привода и ограничения скорости, и с усилениями, теперь динамически меняющимися в зависимости от изменяющегося условия рейса.

Фигура: реализация Simulink усиления запланировала автопилот
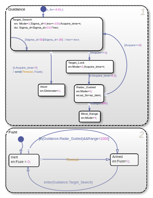
Полный Цикл Руководства Размещения состоит из Подсистемы Ищущего/Средства отслеживания, которая возвращает измерения относительного движения между ракетой и целью и Подсистемой Руководства, которая обеспечивает нормальные ускоряющие спросы, которые передаются автопилоту. Автопилот является теперь частью внутреннего цикла в полной системе наведения размещения. Ссылка [4] предоставляет информацию об отличающихся формах руководства, которые используются в настоящее время, и обеспечивает справочную информацию об аналитических методах, которые используются, чтобы определить количество производительности цикла руководства.

Функция подсистемы Руководства должна не только обеспечить спросы во время отслеживания замкнутого цикла, но также и выполнить начальный поиск, чтобы определить целевое положение. Модель Stateflow® используется, чтобы управлять передачей между этими отличающимися режимами работы. Переключение между режимами инициировано событиями, сгенерированными или в Simulink, или внутреннее к модели Stateflow. Управление способом, которым затем ведет себя модель Simulink, достигается путем изменения значения переменной Mode, которая роздана к Simulink. Эта переменная используется, чтобы переключиться между отличающимися спросами управления, которые могут быть обеспечены. Во время целевого поиска модель Stateflow управляет средством отслеживания непосредственно путем отправки требований в (Сигму) карданова подвеса ищущего. Целевое приобретение отмечается средством отслеживания, если цель находится в ширине луча ищущего (Получают), и после того, как руководство замкнутого цикла малой задержки запускается. Stateflow является идеальным инструментом для того, чтобы быстро задать все операционные режимы, являются ли они для нормального функционирования или необычных ситуаций. Например, действия, которые будут взяты, должны там быть потерей, соединяют цель, или если цель не быть полученной во время целевого поиска обслуживается в этой схеме Stateflow.

Если ищущий получил цель, закон о Пропорциональном руководстве навигации (PNG) используется, чтобы вести ракету до удара. Эта форма закона о руководстве использовалась в управляемых ракетах с 1950-х и может быть применена к радару, инфракрасным или телевизионным управляемым ракетам. Закон о навигации требует измерений заключительной скорости между ракетой и целью, которая для радарной управляемой ракеты могла быть получена с помощью Доплеровского устройства слежения и оценки для скорости изменения инерционного sightline угла.

Фигура: пропорциональный закон о руководстве навигации
Цель Подсистемы Ищущего/Средства отслеживания состоит в том, чтобы оба управлять кардановым подвесом ищущего, чтобы сохранить тарелку ищущего выровненной с целью и предоставить закону о руководстве оценку sightline уровня. Скалистые вершины постоянной времени цикла средства отслеживания установлены в 0,05 секунды и выбраны в качестве компромисса между максимизацией скорости ответа и хранением шумовой передачи к в допустимых уровнях. Цикл стабилизации стремится компенсировать уровни вращения тела и усиление, Ks, который является частотой среза цикла, установлен максимально высоко, подвергают ограничениям пропускной способности стабилизировавшегося гироскопа уровня. sightline оценка уровня является отфильтрованным значением суммы скорости изменения угла тарелки, измеренного стабилизировавшимся гироскопом уровня и ориентировочной стоимостью для скорости изменения угловой ошибки отслеживания (e) измеренный получателем. В этом примере пропускная способность фильтра средства оценки установлена во вдвое меньше чем это пропускной способности автопилота.

Для радарных управляемых ракет паразитный эффект обратной связи, который обычно моделируется, является эффектом аберрации антенного колпака. Это происходит, потому что форма защитного покрывания ищущего искажает возвращающийся сигнал, и затем дает ложное чтение угла взгляда к цели. Обычно объем искажения является нелинейной функцией текущего угла карданова подвеса, но обычно используемое приближение должно принять линейное соотношение между углом карданова подвеса и величиной искажения. В вышеупомянутой системе аберрация антенного колпака составляется в блоке усиления, пометил "Radome Aberration". Другие паразитные эффекты, такие как чувствительность в гироскопах уровня к нормальному ускорению, также часто моделируются, чтобы протестировать робастность целевого средства отслеживания и фильтров средства оценки.

Фигура: геометрия аберрации Антенного колпака
Теперь показать производительность полной системы. В этом случае цель задана, чтобы переместиться на постоянной скорости 328m/s на взаимном курсе к первоначальному ракетному заголовку, и на 500 м выше начального ракетного положения. От результатов симуляции можно определить, что приобретение произошло 0,69 секунды в обязательство с руководством замкнутого цикла, запускающимся после 0,89 секунд. Повлияйте с целью, произошедшей в 3,46 секунды, и область значений, чтобы пойти при самом близком подходе была вычислена, чтобы быть 0.265 м.
aero_guid_plot.m скрипт создает анализ производительности




Блок анимации обеспечивает визуальную ссылку для симуляции

1. "Устойчивые LPV управляют с ограниченными уровнями параметра", S.Bennani, D.M.C. Виллемсен, К.В. Шерер, AIAA-97-3641, август 1997.
2. "Полная Ракета Конверта Продольный Проект Автопилота с помощью Метода уравнения Riccati состояния Зависимого", C.P.Mracek и Дж.Р. Клутир, AIAA-97-3767, август 1997.
3. "Запланированный на усиление ракетный проект автопилота Используя линейный параметр, варьирующийся преобразования", J.S.Shamma, Дж.Р. Клутир, журнал руководства, управления и динамики, издания 16, № 2, март-апрель 1993.
4. "Современная навигация, руководство и объем обработки управления 2", Ching-клык Лин, ISBN 0-13-596230-7, Prentice Hall, 1991.