Задайте области варианта в Различных блоках Источника и Приемника на основе возможности соединения блока. Области варианта вычисляются Simulink, когда вы обновляете схему (Симуляция> Готовятся> Модель Обновления).
Процесс вычисления областей варианта называется variant condition propagation. Различный Исходный блок обеспечивает изменение на источнике сигнала, и Различные блоки Приемника обеспечивают изменение на месте назначения (приемник) сигнала.
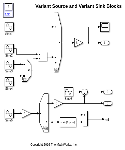
Рассмотрите модель, содержащую два Различных Исходных блока (Variant Source1 , Variant Source2) и блок Sink (Variant Sink ).

Различные условия в импорте и выходных портах Различных блоков Источника и Приемника, соответственно, определяют активацию и деактивацию блоков, соединенных с ними. Чтобы просмотреть аннотации и различные условия, во вкладке Debug панели инструментов, нажимают Information Overlays> Variant Conditions.

Давайте анализировать различные условия и состояние активации блока.
В Variant Source1, когда W==1, Sine3 блок активен, и когда V==4, Sine4 блок активен.
В Variant Source2, когда V==1, блок Sine1 активен, и когда V==2, Add1 блок активен.
В Add1 блокируйтесь распространение условия продолжает делать Variant Source1 блокируйтесь, чтобы быть активными только когда V==2. Это далее распространяет к Sine3 блок и Sine4 блокируйтесь, делая Sine3 блок, активный в V==2 && W==1 и Sine4 блок, активный в V==2 && W==2, соответственно.
Gain3 блок активен когда любой V==1 или V==2, и следовательно условие V==2 | | V==1. Различное условие далее распространено к Scope1 и Out1.
Блоки, соединенные с выходным портом Variant Sink активны когда W==1 (Gain5), или W==2 (SineвычитаниеТерминатор).
Sum блок иллюстрирует две ключевых концепции в различном распространении условия: Сигналы только различны, если явным образом отмечено или когда все пути, как могут доказывать, различны. Сделать Sine6сумма, Out2 вариант, поместите Источник Варианта Single-Input Single-Output перед Out2 (или после Sine6). Чтение неактивного сигнала эквивалентно чтению земли. Когда W ~= 1, затем нижний вход к Sum блок неактивен и Out2 = Sine6 + ground.
Если вы выбираете Analyze, весь выбор во время обновления схематически изображает и генерирует условный параметр препроцессора для блока Variant Source и Variant Sink, сгенерированный код содержит код для активного и неактивного (#if COND). Если этот параметр не выбран, то код сгенерирован только для активного выбора.
Если вы выбираете нуль Allow активный различный параметр средств управления для блока Variant Source и Variant Sink, можно симулировать различную модель без активного варианта. В таких случаях Simulink отключает блоки, соединенные с потоком ввода и вывода Различного Источника и Различного Приемника. Эти отключенные блоки проигнорированы из схемы обновления или симуляции.