В этом примере показано, как настроиться, ориентированный на поле контроллер для основанной на PMSM электрической тяги управляют во всего одной симуляции с помощью блока Closed-Loop PID Autotuner.
В этом примере ориентированный на поле контроллер для основанного на постоянном магните синхронной машине (PMSM) диска электрической тяги моделируется в Simulink® с помощью компонентов Simscape™ Electrical™. Модель основана на примере Simscape Трехфазный Тяговый привод с PMSM (Simscape Electrical).
mdl = 'scdfocpmsmPIDTuning';
open_system(mdl)

Ориентированное на поле управление (FOC) управляет трехфазными токами статора как вектором. FOC основан на проекциях, которые преобразовывают трехфазное время - и зависимая скоростью система в двухкоординатную независимую от времени систему. Эти преобразования являются Преобразованием Кларка, Преобразованием Парка, и их соответствующая инверсия преобразовывает. Эти преобразования реализованы как блоки в подсистеме контроллера PMSM.
Преимущества использования FOC, чтобы управлять электродвигателями переменного тока включают:
Закрутите и теките управляемые непосредственно и отдельно
Точное переходное и установившееся управление
Подобная производительность по сравнению с двигателями постоянного тока
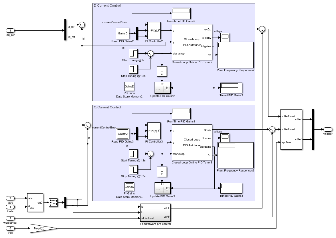
Подсистема контроллера PMSM содержит все три ПИ-контроллера. ПИ-контроллер внешнего цикла регулирует скорость двигателя. Два ПИ-контроллера внутреннего цикла управляют d-осью и токами q-оси отдельно. Команда от ПИ-контроллера внешнего цикла непосредственно питается к q-оси, чтобы управлять крутящим моментом. Команда для d-оси является нулем для PMSM, потому что поток ротора фиксируется с постоянным магнитом для этого типа электродвигателя переменного тока.
Существующие ПИ-контроллеры имеют следующие усиления:
ПИ-контроллер скорости имеет усиления P = 20 и я = 500.
ПИ-контроллер D-оси имеет усиления P = 0.8779 и я = 710.3.
ПИ-контроллер Q-оси имеет усиления P = 1.0744 и я = 1061.5.
Усиления контроллера хранятся в Блоке памяти Хранилища данных и предоставленный внешне каждому блоку PID. Когда настраивающий процесс для контроллера завершен, новые настроенные усиления записаны в Блок памяти Хранилища данных. Эта настройка позволяет вам обновлять свои усиления контроллера в режиме реального времени во время симуляции.
Блок Closed-Loop PID Autotuner позволяет вам настраивать один ПИД-регулятор за один раз. Это вводит синусоидальные сигналы возмущения во входе объекта и измеряет объект выход во время эксперимента с обратной связью. Когда эксперимент останавливается, блок вычисляет коэффициенты ПИД на основе частотных характеристик объекта, оцененных в маленьком числе точек около желаемой пропускной способности. Для этой основанной на PMSM модели диска электрической тяги блок Closed-Loop PID Autotuner может использоваться в каждом из этих трех ПИ-контроллеров.
Этот рабочий процесс применяется, когда у вас есть начальные контроллеры, что вы хотите повторно настроить использование блока Closed-Loop PID Autotuner. Преимущества этого подхода:
Если будет неожиданное воздействие во время эксперимента, оно будет отклонено существующими контроллерами, чтобы гарантировать безопасную работу.
Существующие контроллеры будут поддерживать объект в рабочем состоянии около его номинальной рабочей точки путем подавления сигналов возмущения.
При использовании блока Closed-Loop PID Autotuner и для симуляций и для приложений реального времени:
Объект должен быть любой асимптотически устойчивым (все полюса строго устойчивы), или интеграция. Блок автотюнера не работает с нестабильным объектом.
Обратная связь с существующим контроллером должна быть устойчивой.
Чтобы оценить частотные характеристики объекта более точно в режиме реального времени, минимизируйте вхождение любого воздействия в базирующейся модели диска электрической тяги PMSM во время эксперимента. Блок автотюнера ожидает объект, о котором выход, чтобы быть ответом на введенное возмущение сигнализирует только.
Поскольку обратная связь закрывается во время эксперимента, существующий контроллер подавляет введенные сигналы возмущения также. Преимущество использования эксперимента с обратной связью состоит в том, что контроллер поддерживает объект в рабочем состоянии около номинальной рабочей точки и обеспечивает безопасную работу. Недостаток - то, что это уменьшает точность оценки частотной характеристики, если ваша целевая пропускная способность далеко от текущей пропускной способности.
Вставьте блок Closed-Loop PID Autotuner между блоком PID и объектом для всех трех ПИ-контроллеров, как показано в основанной на PMSM модели диска электрической тяги. start/stop сигнал запускает и останавливает эксперимент с обратной связью. Когда никакой эксперимент не запускается, блок Closed-Loop PID Autotuner ведет себя как блок усиления единицы, куда
сигнал непосредственно передает
.
Чтобы просмотреть модифицированную управляющую структуру внешнего цикла, откройте подсистему управления Внешним циклом в подсистеме контроллера PMSM.
controlSubsystem = [mdl '/PMSM controller']; open_system([controlSubsystem '/Outer loop control'])

Просмотрите модифицированные текущие контроллеры в подсистеме управления Внутренним циклом.
open_system([controlSubsystem '/Inner loop control'])

После соединения блока Closed-Loop PID Autotuner с моделью объекта управления и блока PID, сконфигурируйте настройки настройки и эксперимента.
На вкладке Tuning существует две основных настраивающих настройки:
Целевая пропускная способность - Определяет, как быстро вы хотите, чтобы контроллер ответил. В этом примере выберите 300 rad/s для регулировки скорости, 2500 rad/s для d-оси текущее управление и 2200 rad/s для q-оси текущее управление.
Целевой запас по фазе - Определяет, как устойчивый вы хотите, чтобы контроллер был. В этом примере выберите 60 степени для внутреннего цикла текущее управление и 70 степени для управления внешнего цикла.
На вкладке Experiment существует три основных настройки эксперимента:
Тип объекта - Задает, устойчив ли объект асимптотически или объединяется. В этом примере основанная на PMSM модель диска электрической тяги устойчива.
Знак объекта - Задает, имеет ли объект положительный или знак минус. Знак объекта положителен, если положительное изменение во входе объекта в номинальной рабочей точке приводит к положительному изменению на объекте выход, когда объект достигает нового устойчивого состояния. В противном случае знак объекта отрицателен. Если объект устойчив, знак объекта эквивалентен знаку своего усиления dc. Если объект объединяется, знак объекта положителен (или отрицателен), если объект выход продолжает увеличиваться (или уменьшаться). В этом примере основанная на PMSM модель диска электрической тяги имеет положительный знак объекта.
Амплитуды синуса - Задают амплитуды введенных синусоид. В этом примере выберите 5 для контроллеров внутреннего цикла и 5 для контроллера внешнего цикла, чтобы гарантировать объект правильно взволнован в пределе насыщения. Если амплитуда возбуждения будет или слишком большой или слишком маленькой, она приведет к неточным результатам оценки частотной характеристики.
Поскольку блок Closed-Loop PID Autotuner только настраивает один ПИ-контроллер за один раз, эти три контроллера должны быть настроены отдельно в основанной на PMSM модели диска электрической тяги. Настройте контроллеры внутреннего цикла сначала, и затем настройте контроллер внешнего цикла.
D-ось текущий контроллер настраивается между 1,0 и 1,2 секундами.
Q-ось текущий контроллер настраивается между 1,3 и 1,5 секундами.
Контроллер скорости настраивается между 1,8 и 2,6 секундами.
После настройки каждого ПИ-контроллера усиления контроллера обновляются через Блок памяти Хранилища данных.
В этом примере основанная на PMSM модель диска электрической тяги создана в Simulink. Все три ПИ-контроллера настраиваются в одной симуляции. Кроме того, ответы скорости сравнены до и после настройки контроллеров во время ускоряющих процессов.
Симуляция основанной на PMSM модели диска электрической тяги обычно занимает несколько минут на вашем компьютере из-за времени небольшой выборки контроллера силовой электроники двигателя.
sim(mdl); save('AutotunedSpeed','SpeedData');
Во время процесса автоматической настройки от 1,0 до 2,6 секунд, очень малы изменения в токе и в частоте вращения двигателя. Частота вращения двигателя достигает номинального 1000 об/мин перед процессом автоматической настройки начинается.
Эти три ПИ-контроллера настраиваются с новыми усилениями.
ПИ-контроллер d-оси имеет усиления P = 0.6332 и я = 331.7.
ПИ-контроллер q-оси имеет усиления P = 0.937 и я = 351.1.
ПИ-контроллер скорости имеет усиления P = 32.35 и я = 1322.
Та же ссылка скорости ротора применяется до и после процесса автоматической настройки. Постройте ответы скорости ротора относительно номинального 1000 об/мин до и после настройки контроллеров. Кривые отклика скорости выравниваются вовремя, чтобы сравнить производительность контроллера рядом друг с другом.
scdfocpmsmPIDTuningPlotSpeed

После настройки контроллеров ответ скорости PMSM имеет более быстрый переходный процесс во время ускорения.
bdclose(mdl)