В этом примере показано, как отфильтровать синусоиду с Перекрытием - Добавляют и Сохраняют Перекрытие методы БПФ с помощью КИХ-блока фильтра Частотного диапазона.


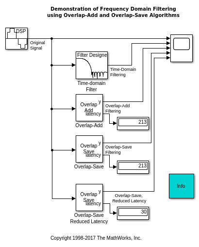
Перекрытие - добавляет алгоритм [1] фильтры входной сигнал в частотном диапазоне. Вход разделен на неналожение блоков, к которым линейно применяют операцию свертки с КИХ-коэффициентами фильтра. Линейная свертка каждого блока вычисляется путем умножения дискретных преобразований Фурье (ДПФ) блока и коэффициентов фильтра, и вычисления обратного ДПФ продукта. Для длины фильтра M и размер БПФ N, последний M-1 выборки линейной свертки добавляются к первому M-1 выборки следующей входной последовательности. Первый N-M+1 выборки каждого результата суммирования выводятся в последовательности.
Алгоритм сохранения перекрытие [2] также фильтры входной сигнал в частотном диапазоне. Вход разделен на наложение блоков, которые являются циркулярные примененный операцию свертки с КИХ-коэффициентами фильтра. Круговая свертка каждого блока вычисляется путем умножения ДПФ блока и коэффициентов фильтра, и вычисления обратного ДПФ продукта. Для длины фильтра M и размер БПФ N, первый M-1 точки круговой свертки недопустимы и отброшены. Выход состоит из остающегося N-M+1 точки, которые эквивалентны истинной свертке.
Сохраните перекрытие и перекройтесь - добавляют, вводят задержку обработки N-M+1 выборок. Можно уменьшать эту задержку путем разделения числителя в более короткие сегменты, применение перекрытия - добавляет или сохраняет перекрытие по разделам и затем объединению результатов получить отфильтрованный выход [3]. Задержка уменьшается до длины раздела, за счет дополнительного расчета по сравнению с традиционным overlap-save/overlap-add (хотя все еще численно более эффективный, чем фильтрация временного интервала для длинных фильтров). В этой модели мы используем длину раздела 30, который уменьшает задержку от 213 выборок для традиционного overlap-add/overlap-save к 30 выборкам.
[1] Перекрытие - Добавляет Алгоритм: Proakis и Manolakis, Цифровая обработка сигналов, 3-й редактор, Prentice Hall, Englewood Cliffs, NJ, 1996, стр 430 - 433.
[2] Сохраните перекрытие Алгоритм: Оппенхейм и Шафер, Обработка сигналов Дискретного времени, Prentice Hall, Englewood Cliffs, NJ, 1989, стр 558 - 560.
[3] Т. Г. Стокхэм младший, "Высокоскоростная свертка и корреляция", Proc. 1 966 Компьютерных Конференций Соединения Spring, AFIPS, Vol 28, 1966, стр 229-233.