Этот пример проектирует waypoint после контроллера для беспилотного воздушного транспортного средства (UAV) фиксированного крыла с помощью Модели Руководства UAV и блоков Последователя Waypoint из Библиотеки UAV для Robotics System Toolbox.
Пример выполняет итерации через различные настройки управления и демонстрирует поведение рейса UAV путем симуляции кинематической модели для фиксированного крыла UAV.
ПРИМЕЧАНИЕ: Этот пример требует, чтобы вы установили Библиотеку UAV для Robotics System Toolbox®. Вызовите roboticsAddons открыть Проводник Дополнений и установить библиотеку.
Модель руководства фиксированного крыла аппроксимирует кинематическое поведение системы с обратной связью, состоящей из аэродинамики фиксированного крыла и автопилота. Эта модель руководства подходит для симуляции маленьких полетов UAV в низком качестве около устойчивого условия рейса UAV. Мы можем использовать модель руководства, чтобы симулировать статус полета фиксированного крыла UAV, ведомый waypoint последователем.
Следующая модель Simulink® может использоваться, чтобы наблюдать, что ответ модели руководства фиксированного крыла продвигается входные параметры управления.
open_system('uavStepResponse');fixedWingPathFollowing модель интегрирует waypoint последователя с моделью руководства фиксированного крыла. Эта модель демонстрирует, как извлечь необходимую информацию из выходной шины модели руководства, сигнализируют и подают их в waypoint последователя. Модель собирает управление и входные параметры среды для блока модели руководства.
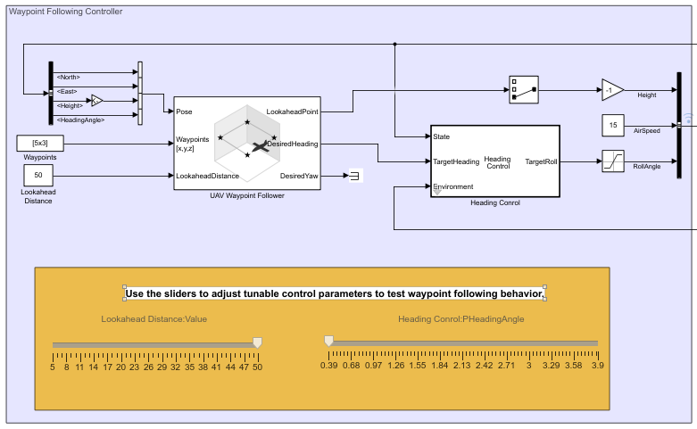
open_system('fixedWingPathFollowing');waypoint контроллер последователя включает две части, блок UAV Waypoint Follower и фиксированное крыло контроллер заголовка UAV.

Блок UAV Waypoint Follower вычисляет желаемое достижение UAV на основе текущего положения, предварительного расстояния и данного набора waypoints. Летя вдоль этих направлений заголовка, UAV посещает каждый waypoint (в заданном радиусе перехода) в списке.
Направляющийся Блок управления является пропорциональным контроллером, который регулирует угол заголовка UAV путем управления углом вращения при условии скоординированного рейса.
Блок UAV Animation визуализирует курс полета UAV и отношение. Для симуляции фиксированного крыла в безветренном условии угол подачи тела является суммой угла курса полета и угла нападения. Для маленького фиксированного крыла UAV углом нападения обычно управляет автопилот и остается относительно маленьким. В целях визуализации мы аппроксимируем угол подачи углом курса полета. В безветренном, нулевом условии заноса угол отклонения от курса тела совпадает с направляющимся углом.
Следующие рисунки показывают поведение рейса с маленьким предварительным расстоянием (5) и быстрое управление заголовком (3.9). Заметьте, что UAV следует за очень соблазнительным путем между waypoints.


Следующий рисунок показывает поведение рейса с большим предварительным расстоянием и медленным управлением заголовком.


Этот пример настраивает контроллер рейса UAV путем ручной итерации через несколько наборов параметров управления. Этот процесс может быть расширен, чтобы автоматически развернуть большой набор параметров управления, чтобы получить настройки оптимального управления для индивидуально настраиваемых контроллеров навигации.
Если поведение рейса удовлетворяет спецификации проекта, вы могли протестировать выбранные параметры управления с высокочастотными моделями, созданными с Aerospace Blockset или с внешними средствами моделирования рейса.