В этом примере показано, как использовать блок Closed-Loop PID Autotuner, чтобы настроить Ориентированное на поле управление (FOC) для асинхронной машины (ASM) во всего одной симуляции.
В этом примере ориентированное на поле управление (FOC) для асинхронной машины (ASM) моделируется в Simulink® с помощью компонентов Simscape™ Electrical™. Модель основана на примере Simscape Трехфазный Асинхронный Диск с Управлением Датчиком (Simscape Electrical).
mdl = 'scdfocasmPIDTuning';
open_system(mdl)

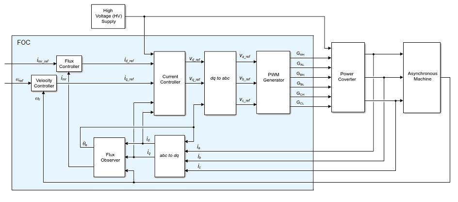
Ориентированное на поле управление управляет 3-фазовыми токами статора как вектором. FOC основан на проекциях, которые преобразовывают 3-фазовую зависящую от времени и зависимую скоростью систему в две координатных независимых от времени системы. Эти преобразования являются Преобразованием Кларка, Преобразованием Парка, и их соответствующая инверсия преобразовывает. Эти преобразования реализованы как блоки в подсистеме Средств управления.
Преимущества использования FOC, чтобы управлять электродвигателями переменного тока включают:
Закрутите и теките управляемые непосредственно и отдельно
Точное переходное и установившееся управление
Подобная производительность по сравнению с двигателями постоянного тока
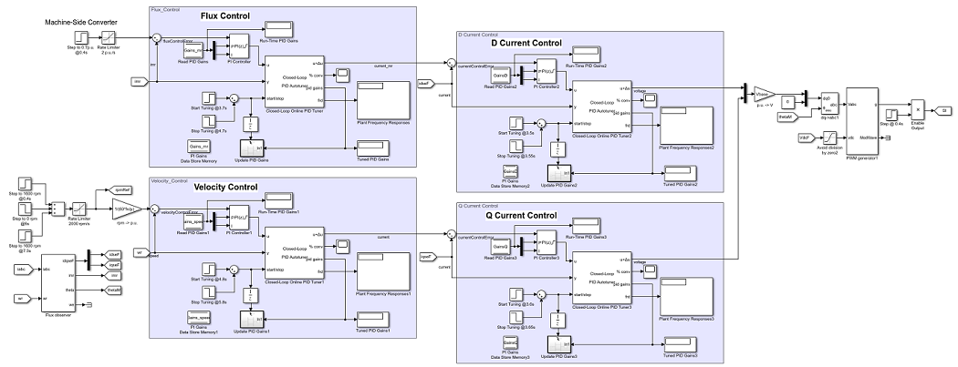
Подсистема Средств управления содержит все четыре ПИ-контроллера. ПИ-контроллер скорости внешнего цикла регулирует скорость двигателя. ПИ-контроллер потока внешнего цикла регулирует поток статора. Два ПИ-контроллера внутреннего цикла управляют d-осью и токами q-оси отдельно. Команда от ПИ-контроллера скорости внешнего цикла непосредственно питается к q-оси, чтобы управлять крутящим моментом. Команда для d-оси является ненулевой для ASM и является результатом ПИ-контроллера потока внешнего цикла.
Существующие ПИ-контроллеры имеют следующие усиления:
ПИ-контроллер скорости имеет усиления P = 65.47 и я = 3134.24.
ПИ-контроллер потока имеет усиления P = 52.22 и я = 2790.51.
ПИ-контроллер D-оси имеет усиления P = 1.08 и я = 207.58.
ПИ-контроллер Q-оси имеет усиления P = 1.08 и я = 210.02.
Усиления контроллера хранятся в Блоке памяти Хранилища данных и предоставленный внешне каждому блоку PID. Когда настраивающий процесс для контроллера завершен, новые настроенные усиления записаны в Блок памяти Хранилища данных. Эта настройка позволяет вам обновлять свои усиления контроллера в режиме реального времени во время симуляции.
Блок Closed-Loop PID Autotuner позволяет вам настраивать один ПИД-регулятор за один раз. Это вводит синусоидальные сигналы возмущения во входе объекта и измеряет объект выход во время эксперимента с обратной связью. Когда эксперимент останавливается, блок вычисляет коэффициенты ПИД на основе частотных характеристик объекта, оцененных в маленьком числе точек около желаемой пропускной способности. Для этой модели FOC ASM блок Closed-Loop PID Autotuner может использоваться в каждом из этих четырех ПИ-контроллеров.
Этот рабочий процесс применяется, когда у вас есть начальные контроллеры, что вы хотите повторно настроить использование блока Closed-Loop PID Autotuner. Преимущества этого подхода:
Если существует неожиданное воздействие во время эксперимента, оно отклоняется существующим контроллером, чтобы гарантировать безопасную работу.
Существующий контроллер поддерживает объект в рабочем состоянии около его номинальной рабочей точки путем подавления сигналов возмущения.
При использовании блока Closed-Loop PID Autotuner и для симуляций и для приложений реального времени:
Объект должен быть любой асимптотически устойчивым (все полюса строго устойчивы), или интеграция. Блок автотюнера не работает с нестабильным объектом.
Обратная связь с существующим контроллером должна быть устойчивой.
Чтобы оценить частотные характеристики объекта более точно в режиме реального времени, минимизируйте вхождение любого воздействия в модели FOC ASM во время эксперимента. Блок автотюнера ожидает объект, о котором выход, чтобы быть ответом на введенное возмущение сигнализирует только.
Поскольку обратная связь закрывается во время эксперимента, существующий контроллер подавляет введенные сигналы возмущения также. Преимущество использования эксперимента с обратной связью состоит в том, что контроллер поддерживает объект в рабочем состоянии около номинальной рабочей точки и обеспечивает безопасную работу. Недостаток - то, что это уменьшает точность оценки частотной характеристики, если ваша целевая пропускная способность далеко от текущей пропускной способности.
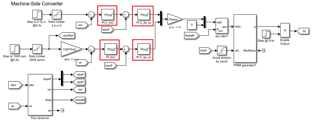
Вставьте блок Closed-Loop PID Autotuner между блоком PID и объектом для всех четырех ПИ-контроллеров, как показано в модели FOC ASM. start/stop сигнал запускает и останавливает эксперимент с обратной связью. Когда никакой эксперимент не запускается, блок Closed-Loop PID Autotuner ведет себя как блок усиления единицы, куда
сигнал непосредственно передает
.
Просмотрите исходную управляющую структуру для конвертера машины стороны с четырьмя ПИ-контроллерами.
Чтобы изменить управляющую структуру, включите Блок Автотюнера ПИДа С обратной связью к каждому из ПИ-контроллеров. Просмотрите модифицированную управляющую структуру для конвертера машины стороны.
После соединения блока Closed-Loop PID Autotuner с моделью объекта управления и блока PID, сконфигурируйте настройки настройки и эксперимента.
На вкладке Tuning существует две основных настраивающих настройки:
Целевая пропускная способность - Определяет, как быстро вы хотите, чтобы контроллер ответил. В этом примере выберите 5000 рад/секунда для внутреннего цикла текущее управление и 200 рад/секунда для управления внешнего цикла.
Целевой запас по фазе - Определяет, как устойчивый вы хотите, чтобы контроллер был. В этом примере выберите 70 степени для внутреннего цикла текущее управление и 90 степени для управления внешнего цикла.
На вкладке Experiment существует три основных настройки эксперимента:
Тип объекта - Задает, устойчив ли объект асимптотически или объединяется. В этом примере модель FOC ASM устойчива.
Знак объекта - Задает, имеет ли объект положительный или знак минус. Знак объекта положителен, если положительное изменение во входе объекта в номинальной рабочей точке приводит к положительному изменению на объекте выход, когда объект достигает нового устойчивого состояния. В противном случае знак объекта отрицателен. Если объект устойчив, знак объекта эквивалентен знаку своего усиления dc. Если объект объединяется, знак объекта положителен (или отрицателен), если объект выход продолжает увеличиваться (или уменьшаться). В этом примере модель FOC ASM имеет положительный знак объекта.
Амплитуды синуса - Задают амплитуды введенных синусоид. В этом примере выберите 0.25 для контроллеров внутреннего цикла и 0.01 для контроллеров внешнего цикла, чтобы гарантировать объект правильно взволнован в пределе насыщения. Если амплитуда возбуждения будет или слишком большой или слишком маленькой, она приведет к неточным результатам оценки частотной характеристики.
Поскольку блок Closed-Loop PID Autotuner только настраивает один ПИ-контроллер за один раз, эти четыре контроллера должны быть настроены отдельно в модели FOC ASM. Настройте контроллеры внутреннего цикла сначала, и затем настройте контроллеры внешнего цикла.
D-ось текущий контроллер настраивается между 3,5 и 3,55 секундами.
Q-ось текущий контроллер настраивается между 3,6 и 3,65 секундами.
Контроллер потока настраивается между 3,7 и 4,7 секундами.
Контроллер скорости настраивается между 4,8 и 5,8 секундами.
После настройки каждого ПИ-контроллера усиления контроллера обновляются через Блок памяти Хранилища данных.
В этом примере модель FOC ASM создана в Simulink. Все четыре контроллера настраиваются в одной симуляции. Кроме того, ответы скорости сравнены до и после настройки контроллеров. Сценарии под тестом включают ускоряющий процесс и закручивают изменения загрузки (величина 1 p.u.).
Симуляция модели FOC ASM обычно занимает несколько минут на вашем компьютере из-за времени небольшой выборки контроллера силовой электроники двигателя.
sim(mdl) logsout_autotuned = logsout; save('AutotunedSpeed','logsout_autotuned');
Следующий рисунок показывает полный результат симуляции.
Серая область в предыдущей фигуре показывает текущие ответы и ответы скорости во время настройки, от 3,5 до 5,8 секунд. Изменения в токе и в частоте вращения двигателя очень малы. Частота вращения двигателя достигает номинального 1600 об/мин перед процессом автоматической настройки начинается.
Эти четыре ПИ-контроллера настраиваются с новыми усилениями.
ПИ-контроллер скорости имеет усиления P = 158.8 и я = 2110.
ПИ-контроллер потока имеет усиления P = 129.3 и я = 1732.
ПИ-контроллер d-оси имеет усиления P = 1.611 и я = 627.6.
ПИ-контроллер q-оси имеет усиления P = 2.029 и я = 829.9.
Те же ссылки скорости ротора и загрузки крутящего момента применяются до и после процесса автоматической настройки. Постройте скоростные погрешности ротора относительно номинального 1600 об/мин до и после контроллеров настраивается с помощью блока Closed-Loop PID Autotuner. Кривые скоростной погрешности выравниваются вовремя, чтобы сравнить производительность контроллера рядом друг с другом.
scdfocasmPIDTuningPlotSpeed


После настройки контроллеров ответ скорости асинхронного двигателя имеет более быстрый переходный процесс и меньшую установившуюся ошибку во время ускорения и когда загрузка крутящего момента изменяется.
bdclose(mdl)