Эта модель показывает, как можно спроектировать переключающиеся контроллеры путем объединения степени функций Simulink® и Stateflow®.

Диаграмма Stateflow SwitchingController реализует простой контроллер переключения, который переключается между тремя состояниями: STEADYP и PID. Когда в STEADY состояние, мы производим нулевое управление выход. Когда в P или PID, мы делегируем к подсистемам вызова функции Simulink для того, чтобы вычислить необходимое усилие по управлению.
Создать данные для контроля опции для PID состояния проверяется. Поэтому в дополнение к управлению выход u, диаграмма Stateflow также производит логгирование выход с тем же именем как PID состояния.
Условие для переключения с P к PID основан на ошибке, будучи достаточно низким [e < PID_TRESH]. PID_TRESH переменная, заданная в Рабочем пространстве модели со значением 0,3.

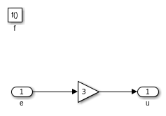
Подсистема Simulink SwitchingController/P.p_control реализует очень простое пропорциональное управление с усилением 3. Если мы продолжили оставаться в P состояния, усиление устойчивого состояния системы с обратной связью было бы 3/4 = 0.75. Поэтому мы получили бы ошибку 0,25.

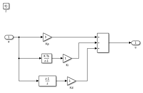
Подсистема Simulink SwitchingController/PID.pid_control реализует простую стратегию управления ПИДа. Пропорциональное усиление эквивалентно в P таким образом, гарантируя плавный переход в усилии по управлению.

Когда мы симулируем модель, мы замечаем, что установившаяся ошибка приближается к нулю.

В отсутствие управления ПИДом у нас была бы установившаяся ошибка 0,25. Если мы изменяем PID_TRESH к 0,1, мы никогда не будем добираться до PID, потому что ошибка никогда не будет добираться ниже 0.25, пока мы находимся в P состояния.
