Эта демонстрация показывает пример использования цифрового предварительного искажения (DPD) в передатчике, чтобы возместить эффекты нелинейности в усилителе мощности. В этом случае мы используем модель усилителя мощности, который был получен с помощью Характеристики Усилителя мощности (Communications Toolbox). В первой симуляции передатчик RF отправляет два тона. Во второй симуляции передатчик RF отправляет подобную 5G форму волны OFDM с пропускной способностью на 100 МГц.
Откройте модель Simulink RF Blockset включая модель PA и адаптивный алгоритм DPD [2]:
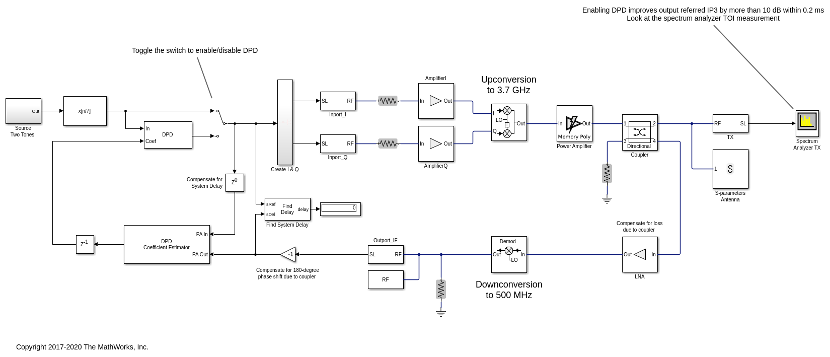
PA системной модели + DPD с двумя тонами
Модель включает двухцветный генератор сигнала, который используется для тестирования отнесенной к выходу точки пересечения третьего порядка системы. Модель включает повышающее преобразование в частоту RF с помощью модулятора I-Q, модели PA, разветвитель, чтобы осуществить сниффинг выхода PA и блока S-параметра, представляющего эффект загрузки антенны. Цепь приемника выполняет понижающее преобразование к низкой промежуточной частоте. Заметьте, что пропускная способность симуляции этой системы составляет 107,52 МГц.
Модель может быть симулирована без DPD, когда переключатель переключателя находится в положение.
model = 'simrfV2_powamp_dpd';
open_system(model)
sim(model)


Ручной переключатель переключается, чтобы включить алгоритм DPD. Когда переключено, TOI (точка пересечения третьего порядка) улучшен больше чем на 10 дБ в 0,2 мс времени симуляции. Смотрите измерение искажения в Спектре Анализатор, чтобы подтвердить эти результаты и видеть, как мощность гармоник уменьшена благодаря линеаризации DPD.
set_param([model '/Manual Switch'], 'action', '1') sim(model)

Путем изменения степени и глубины памяти задал в блоке DPD Coefficient Estimator, можно найти самый подходящий компромисс между эффективностью и стоимостью внедрения.
Чтобы оценить коэффициенты DPD правильно, входные сигналы с блоком DPD Coefficient Estimator, PA В и PA, должны быть выровнены во временном интервале. Это проверяется блоком Find Delay, который показывает, что задержка, введенная системой RF, 0. Желаемое амплитудное усиление средства оценки важно, чтобы убедиться, что общее линейное усиление системы не изменяется, когда DPD активен. Для этой конкретной модели усиление было оценено с помощью отдельных методов [2].
close_system(model,0)
close all; clear
Откройте модель Simulink RF Blockset включая модель PA и адаптивный алгоритм DPD, взволнованный с подобной 5G формой волны OFDM с пропускной способностью на 100 МГц.
PA системной модели + DPD с подобной 5G формой волны OFDM
Без линеаризации DPD система имеет Ошибочное Отношение Модуляции 26 дБ, когда это видно от измерения графика созвездия.
model = 'simrfV2_powamp_dpd_comms';
open_system(model)
sim(model)



Ручной переключатель переключается, чтобы включить алгоритм DPD. Когда переключено, средний MER улучшен с 26 дБ приблизительно до 33 дБ приблизительно в 0,1 мс времени симуляции.
set_param([model '/Manual Switch'], 'action', '1') sim(model)


close_system(model,0)
close all; clear
Морган, Деннис Р., Чжэнсян Ма, Джэехиеонг Ким, Михаэль Г. Цирдт и Джон Пэсталан. "Обобщенная Модель Полинома Памяти для Цифрового Предварительного искажения Усилителей мощности". IEEE® Transactions на Обработке сигналов. Издание 54, № 10, октябрь 2006, стр 3852–3860.
Гань, Литий и Эмэд Абд-Элрэди. "Цифровое Предварительное искажение Систем Полинома Памяти Используя Прямое и Косвенное Изучение Архитектур". В Продолжениях Одиннадцатой Международной конференции IASTED по вопросам Обработки сигналов и Обработки изображений (SIP) (Ф. Крус-Ролдан и Н. Б. Смит, редакторы), № 654-802. Калгари, AB: Нажатие ACTA, 2009.