exponenta event banner

Скорость и оптимизация области

Улучшения посредством разделения ресурсов, потоковой передачи, конвейеризации, отображения RAM

Функции

coder.hdl.loopspecРазверните или потоковые циклы в сгенерированном HDL-коде
coder.hdl.pipelineВставьте конвейерные регистры при выходе выражения MATLAB

Темы

Основы оптимизации

Скорость и оптимизация области в HDL Coder

Узнайте о различной скорости и оптимизации области и как оптимизировать ваш проект.

Укажите, что часы включают уровень

Сконфигурируйте часы, включают, чтобы запуститься в базовой ставке проекта или уровне входных данных.

Минимизируйте часы, включает

Сгенерируйте код для регистров без часов, включает

Постоянная оптимизация множителя

Что такое оптимизация множителя Константа и как задать эту оптимизацию

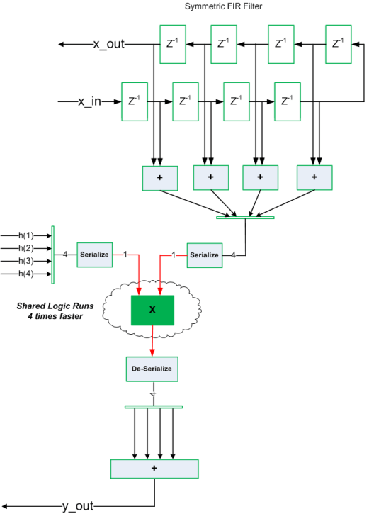
Оптимизация области

Сопоставьте Персистентные Массивы и dsp.Delay к RAM

В HDL Workflow Advisor выберите вкладку MATLAB to HDL Workflow> Code Generation> Optimizations.

Сопоставьте матрицы с ROM

Чтобы сопоставить матричную константу с ROM:If, ваш код MATLAB® удовлетворяет эти требования, HDL Coder™ вставляет регистр без сброса при выходе матрицы в сгенерированном коде.

Отображение RAM для кода MATLAB

Отображение RAM является оптимизацией области, которая сопоставляет устройство хранения данных и элементы задержки в вашем коде MATLAB к RAM.

Сравнение отображения RAM для кода MATLAB

hdl.RAM, dsp.Delay, персистентные переменные типа массив и пользователь-definedSystem object™ частные свойства могут сопоставить с RAM, но иметь различные атрибуты.

Оптимизация скорости

Конвейеризация кода MATLAB

Конвейеризация помогает достигнуть более высокой максимальной тактовой частоты путем вставки регистров в стратегических точках в оборудовании, чтобы повредить критический путь.

Конвейерно обработайте выражения MATLAB

Вставьте регистры при выходе выражения MATLAB.

Оптимизируйте циклы MATLAB

Оптимизируйте циклы для области или скорости.

Распределенная конвейеризация

Распределенное определение конвейеризации, преимущества и затраты.

Рекомендуемые примеры