Этот пример демонстрирует систему терморегулирования электромобиля батареи. Система состоит из двух циклов хладагента, цикла охлаждения и каюты цикл HVAC. Тепловая нагрузка является батареями, трансмиссией и каютой.
Два цикла хладагента могут быть объединены в последовательном режиме или разделены в параллельном режиме с помощью клапана с 4 путями. В холодную погоду циклы хладагента находятся в последовательном режиме так, чтобы тепло от двигателя нагрело батареи. При необходимости нагреватель может обеспечить дополнительное тепло. В теплую погоду циклы хладагента остаются в последовательном режиме, и и батареи и трансмиссия охлаждаются излучателем. В жаркой погоде цикл хладагента переключается, чтобы быть параллельным режиму и отделяется. Один цикл охлаждает трансмиссию с помощью излучателя. Другой охлаждает батареи с помощью охладителя в цикле охлаждения.
Цикл охлаждения состоит из компрессора, конденсатора, жидкого приемника, двух клапанов расширения, охладителя и испарителя. Охладитель используется, чтобы охладить хладагент в жаркой погоде, когда один только излучатель недостаточен. Испаритель используется, чтобы охладить каюту транспортного средства, когда кондиционер включен. Компрессором управляют таким образом, что конденсатор может рассеять тепло, поглощенное или или и охладитель и испаритель.
Цикл HVAC состоит из вентилятора, испарителя, нагревателя PTC и каюты транспортного средства. Нагреватель PTC обеспечивает нагревание в холодную погоду; испаритель обеспечивает кондиционер в жаркой погоде. Вентилятором управляют, чтобы обеспечить заданное заданное значение температуры каюты.
Эта модель имеет три настроенные сценария. Сценарий цикла диска симулирует условия движения в 30 degC погод с кондиционером на. Скорость транспортного средства основана на NEDC, сопровождаемом 30 min высокой скорости, чтобы продвинуть загрузку тепла батареи. Охладить сценарий симулирует стационарное транспортное средство в 40 degC погод с кондиционером на. Наконец, сценарий холодной погоды симулирует условия движения в погоду-10 degC, которая требует, чтобы нагреватель батареи и нагреватель PTC нагрели батареи и каюту, соответственно.

Эта подсистема настраивает условия среды и входные параметры к системе для выбранного сценария. Текущая потребность батареи и загрузка тепла трансмиссии являются функцией скорости транспортного средства на основе табличных данных.

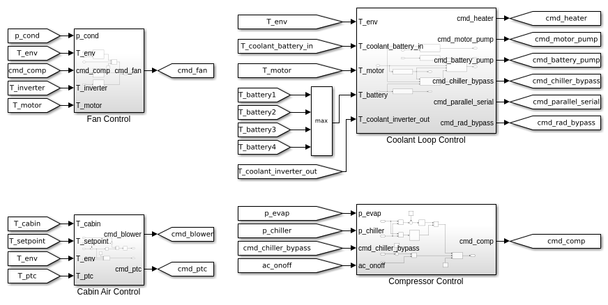
Эта подсистема состоит изо всех контроллеров для насосов, компрессора, вентилятора, вентилятора и клапанов в системе терморегулирования.

Клапан с 4 путями в этой подсистеме управляет, действует ли цикл хладагента в параллельном или последовательном режиме. Когда порты А и D соединяются, и порты C и B соединяются, это находится в параллельном режиме. Два цикла хладагента разделяются своими собственными баками хладагента и насосами.
Когда порты А и B соединяются, и порты C и D соединяются, это находится в последовательном режиме. Два цикла хладагента объединены, и два насоса синхронизируются, чтобы обеспечить ту же скорость потока жидкости.

Этот насос управляет циклом хладагента, который охлаждает зарядное устройство, двигатель и инвертор.

Эта подсистема моделирует конверт хладагента вокруг зарядного устройства, которое представлено источником уровня теплового потока и количеством тепла.

Эта подсистема моделирует конверт хладагента вокруг двигателя, который представлен источником уровня теплового потока и количеством тепла.

Эта подсистема моделирует конверт хладагента вокруг инвертора, который представлен источником уровня теплового потока и количеством тепла.

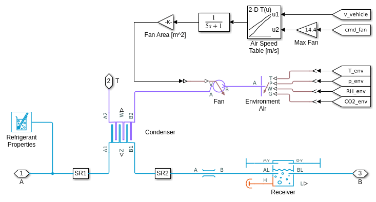
Излучатель является прямоугольным теплообменником типа трубы-и-пластины, который рассеивает тепло хладагента к воздуху. Воздушный поток управляется скоростью транспортного средства и вентилятором, расположенным позади конденсатора.

В холодную погоду исключен излучатель так, чтобы тепло от трансмиссии могло использоваться, чтобы нагреть батареи. Этим управляют клапан с 3 путями, который или отправляет хладагент в излучателя или обходит излучателя.

Этот насос управляет циклом хладагента, который охлаждает батареи и конвертер DC-DC.

Охладитель принят, чтобы быть теплообменником типа интерпретатора-и-трубы, который позволяет хладагенту поглотить тепло от хладагента.

Охладитель действует релейным способом в зависимости от температуры батареи. Этим управляют клапан с 3 путями, который или отправляет хладагент в охладителя или обходит охладителя.

Нагреватель батареи моделируется как источник уровня теплового потока и количество тепла. Это включено в холодную погоду, чтобы принести температуру батареи выше 5 degC.

Эта подсистема моделирует конверт хладагента вокруг конвертера DC-DC, который представлен источником уровня теплового потока и количеством тепла.

Батареи моделируются как четыре отдельных пакета, окруженные конвертом хладагента. Блоки батарей генерируют напряжение и тепло на основе текущей потребности. Хладагент принят, чтобы течь в узких каналах вокруг блоков батарей.

Каждый блок батарей моделируется как стек литий-ионных ячеек вместе с тепловой моделью. Тепло выработано на основе потерь мощности в ячейках.

Компрессор управляет потоком в охлаждающем цикле. Этим управляют, чтобы поддерживать давление 0,3 МПа в охладителе и испарителе, который соответствует температуре насыщения приблизительно 1 degC.

Конденсатор является прямоугольным теплообменником типа трубы-и-пластины, который рассеивает охлаждающее тепло к воздуху. Воздушный поток управляется скоростью транспортного средства и вентилятором. Жидкий приемник обеспечивает устройство хранения данных для хладагента и разрешает только подохлажденной жидкости течь в клапаны расширения.

Этот хладагент метров клапана расширения течет к охладителю, чтобы обеспечить номинальный перегрев.

Этот хладагент метров клапана расширения течет к испарителю, чтобы обеспечить номинальный перегрев.

Испаритель является прямоугольным теплообменником типа трубы-и-пластины, который позволяет хладагенту поглотить тепло от воздуха. Это также обезвоживает воздух, когда воздух влажен.

Вентилятор управляет воздушным потоком в цикле HVAC. Этим управляют, чтобы обеспечить заданное значение температуры каюты. Источник воздуха может прибыть из среды или из рециркулировавшего воздуха каюты.

Откидная створка рециркуляции моделируется как два ограничения, действующие противоположным способом, чтобы позволить или воздуху среды или воздуху каюты к вентилятору.

Нагреватель PTC моделируется как источник уровня теплового потока и количество тепла. Это включено в холодную погоду, чтобы предоставить нагревание каюте транспортного средства.

Каюта транспортного средства моделируется как большой объем сырого воздуха. Каждый житель в транспортном средстве является источником тепла, влажности и CO2.

Эта подсистема моделирует тепловые сопротивления между внутренней частью каюты и внешней средой.

Следующий осциллограф показывает скорость транспортного средства, теплоотдачу, температуру каюты, температуры компонента и команды управления для сценария цикла диска. Вначале, цикл хладагента находится в последовательном режиме. Приблизительно после 1 100 с это переключается, чтобы быть параллельным режиму, и охладитель используется, чтобы сохранить батареи ниже 35 degC.
