NA-MAAB - a1/a2
JMAAB - a1/a2
Все
Векторный сигнал должен использовать режим одного индекса.
Неприменимо
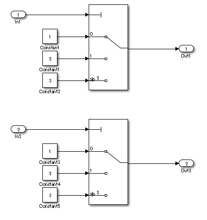
Используется режим равномерного индекса на основе нуля.

Режим единого индекса не используется.

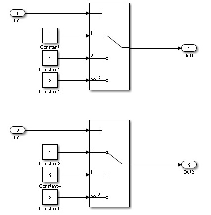
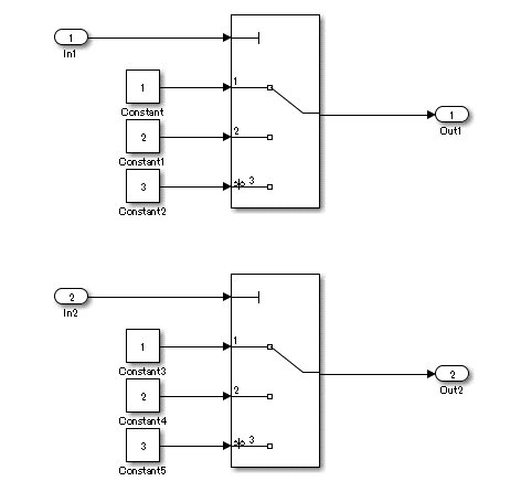
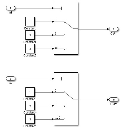
Векторный сигнал должен использовать режим одного индекса.
Неприменимо
Используется режим единого индекса.

Режим равномерного индекса не используется (аналогично неверному примеру для sub ID a1).

Вспомогательные идентификаторы a1, a2
Логику легче понять при использовании режима равномерного индекса.
Проверка помощника по модели: Проверка режима индексирования (Simulink Check)
R2020a
Руководство JMAAB db_0112, которое доступно в Руководстве по моделированию алгоритмов управления с использованием MATLAB, Simulink и Stateflow на веб-сайте MathWorks ®.
Вектор индекса (Simulink)