exponenta event banner

hisl_0002: Использование блоков математических функций (rem и revacal)

Идентификатор: Заголовокhisl_0002: Использование блоков математических функций (rem и revacal)
Описание

Для поддержки надежности генерируемого кода при использовании блока Математическая функция с остатком после деления (rem) или взаимный (reciprocal) функции:

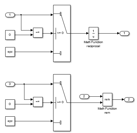
A

Защита входных данных reciprocal от перехода к нулю.

B

Защитите второй вход rem от перехода к нулю.

Примечание

Можно получить операцию деления на ноль, в результате чего получится бесконечная (Inf) выходное значение для reciprocal функция или не-a-число (NaN) выходное значение для rem функция. Чтобы избежать переполнения или неопределенных значений, защитите соответствующие входные данные от перехода к нулю.

ОбъяснениеЗащита от переполнений и неопределенных числовых результатов.
Проверки помощника по моделиПроверка использования математических функциональных блоков (rem и обратных функций) (Simulink Check)
Ссылки
  • IEC 61508-3, Таблица A.3 (3) 'Поднабор языка "
    IEC 61508-3, таблица A.4 (3) «Оборонительное программирование »

  • МЭК 62304, 5.5.3 - Критерии приемки установки программного обеспечения

  • ISO 26262-6, Таблица 1 b) «Использование языковых поднаборов»
    ISO 26262-6, Таблица 1 d) «Использование защитных технологий реализации»

  • EN 50128, Таблица A.4 (11) «Поднабор языка»
    EN 50128, таблица A.3 (1) «Оборонительное программирование»

  • DO-331, Раздел MB.6.3.2.g «Алгоритмы точны»

  • MISRA C:2012, Dir 4.1

Последнее изменениеR2017b
Примеры

В следующем примере, когда входной сигнал колеблется вокруг нуля, выходной сигнал показывает большое изменение значения. Требуется дополнительная защита от большого изменения стоимости.