NA-MAAB - a
JMAAB - a
Все
Блоки единичной задержки (Simulink) или задержки (Simulink) должны использоваться в дискретной модели или подсистеме.
Блок памяти (Simulink) должен использоваться в модели или подсистеме непрерывного типа.
Неприменимо
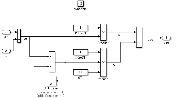
Блок единичной задержки (Simulink) используется в модели дискретного типа.

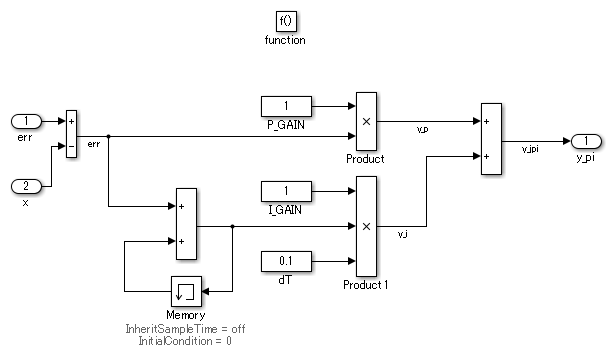
Блок памяти (Simulink) используется в модели дискретного типа.

Субидентификатор a:
Соблюдение правила улучшает удобочитаемость модели.
Проверка модуля Model Advisor: Проверка использования блоков задержки памяти и блока (Simulink Check)
R2020a
Руководство JMAAB jc_0623, которое доступно в Руководстве по моделированию алгоритмов управления с использованием MATLAB, Simulink и Stateflow на веб-сайте MathWorks ®.
Типы подсистем (Simulink)
Моделирование непрерывной системы (Simulink)
Преобразование сигналов между непрерывным временем и дискретным временем (Simulink)