NA-MAAB - Нет рекомендаций
JMAAB - a, b
Все
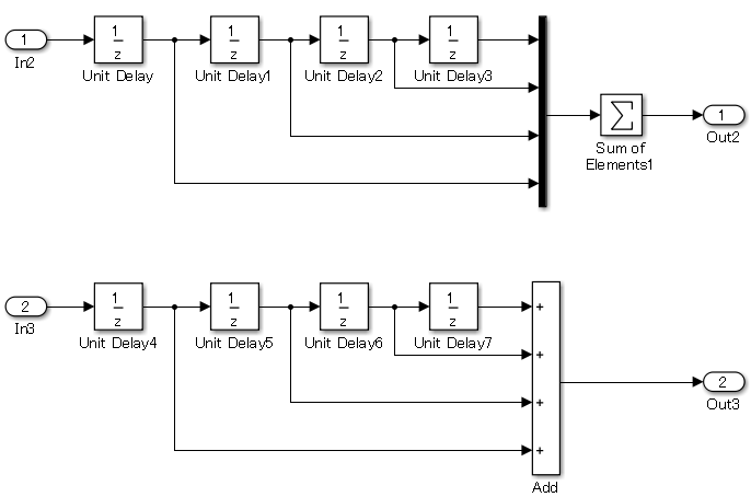
При удержании предыдущих прошлых значений для создания векторного сигнала из всех удерживаемых значений должен использоваться блок задержки с отводом (Simulink).
Неприменимо

Блок задержки с отводом (Simulink) не используется.

Субидентификатор a:
Tapped Delay (Simulink) устанавливается с массивами, которые содержат прошлые значения, что улучшает читаемость кода для повышения эффективности кода.
Субидентификатор b:
Повышает читаемость модели и эффективность кода.
Проверка модуля Model Advisor: Проверка каскадных блоков задержки установки (Simulink Check)
R2020a
Руководство JMAAB jc_0624, которое доступно в Руководстве по моделированию алгоритмов управления с использованием MATLAB, Simulink и Stateflow на веб-сайте MathWorks ®.
Сигнальные линии (Simulink)