Используйте продукт Embedded Coder ® для создания кода C или C++, оптимизированного для развертывания на системных платах быстрого прототипирования, встраиваемых процессорах или микропроцессорах. Если вы новичок в Embedded Coder или требования к настройке кода приложения минимальны, вы можете использовать графические инструменты и настройки конфигурации кода по умолчанию для быстрого создания кода производственного качества. При необходимости создания настраиваемого кода для интеграции с существующим внешним кодом или в соответствии с инструкциями по кодированию и стандартами можно настроить генератор кода таким образом, чтобы он соответствовал требованиям к интерфейсу, внешнему виду кода, упаковке и оптимизации.
Создание и проверка кода для развертывания во встроенной системе могут быть столь же простыми, как и подготовка модели для создания кода с помощью средства быстрого запуска. Затем с помощью инструментов кода, доступных из Simulink Editor, можно настроить интерфейсы кода, инициировать создание кода и просмотреть созданный код.
Для выполнения этого учебного пособия необходимо:
MATLAB ®
MATLAB Coder™
Симулинк ®
Симулинк-кодер
Встроенный кодер
В учебном пособии используются примеры моделей rtwdemo_roll и rtwdemo_roll_harness. Модели были проверены для моделирования.
Открытая модель rtwdemo_roll.

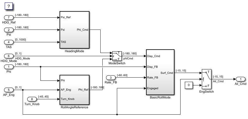
Эта модель реализует базовый алгоритм автопилота оси крена, который управляет положением элерона самолета.

Модель представляет собой один компонент в большой системе управления летательного аппарата. Через HDG_Mode по сигналу система управления переводит модель в один из двух режимов работы: удержание положения крена или удержание курса. RollAngleReference и HeadingMode подсистемы вычисляют уставку положения крена, которая поддерживает один из режимов работы. Затем, BasicRollMode подсистема, контроллер PID, вычисляет команду положения элерона на основе уставки и обратной связи, которая указывает измеренное положение крена и скорость изменения. Модель рассчитана на работу на частоте 40 Гц.
В учебном пособии используется модель rtwdemo_roll_harness проверить rtwdemo_roll.
Вы узнаете, как:
Создайте код с помощью средства быстрого запуска Embedded Coder.
Сконфигурируйте интерфейс данных.
Настройте параметр модели как глобальную переменную для настройки во время выполнения.
Сравнение моделирования модели и сгенерированных результатов кода для числовой эквивалентности.
Развертывание созданного кода.
Для запуска учебного пособия см. раздел Создание кода с помощью быстрого запуска встроенного кодера.