Внедрить типовую модель батареи водородных топливных элементов
Simscape / Электрический / Специализированные Энергосистемы / Источники

Блок батареи топливных элементов реализует общую модель, параметризованную для представления наиболее популярных типов пакетов топливных элементов, питаемых водородом и воздухом.
Блок представляет две версии модели стека: упрощенную модель и детальную модель. Можно переключаться между двумя моделями, выбрав уровень в маске в разделе Уровень детализации модели (Model detail level) в диалоговом окне блока.
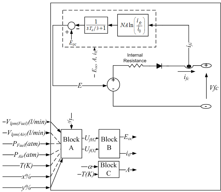
Эта модель основана на эквивалентной схеме батареи топливных элементов, показанной ниже:

Упрощенная модель представляет конкретный пакет топливных элементов, работающий при номинальных условиях температуры и давления. Параметры эквивалентной схемы могут быть изменены на основе кривой поляризации, полученной из спецификации производителя. Необходимо просто ввести в маску значение напряжения в 0 и 1 А, номинальную и максимальную рабочие точки, чтобы рассчитать параметры. Диод используется для предотвращения потока отрицательного тока в пакет. Типичная поляризационная кривая состоит из трех областей:

Первая область представляет собой падение напряжения активации из-за медленности химических реакций, происходящих на поверхностях электродов. В зависимости от температуры и рабочего давления, типа используемого электрода и катализатора эта область является более или менее широкой. Вторая область представляет резистивные потери из-за внутреннего сопротивления батареи топливных элементов. Наконец, третья область представляет потери в массовом переносе в результате изменения концентрации реагентов при использовании топлива.
Подробная модель представляет конкретный пакет топливных элементов, когда такие параметры, как давление, температура, состав и расход топлива и воздуха, изменяются. Можно выбрать параметры для изменения на панели вариации сигнала в диалоговом окне блока. Эти изменения влияют на напряжение разомкнутой цепи (Eoc), ток обмена (i0) и наклон Тафеля (A). Eoc, i0 и A модифицируют следующим образом:
ΔGRTA = RTzαF,
где:
R = 8,3145 Дж/( моль К)
F = 96485 А с/моль
z = Число движущихся электронов
En = напряжение Нернста, которое является напряжением термодинамики элементов и зависит от температур и парциальных давлений реагентов и продуктов внутри пакета (V)
α = коэффициент переноса заряда, который зависит от типа используемых электродов и катализаторов;
PH2 = Парциальное давление водорода в стеке (Pa)
PO2 = Парциальное давление кислорода в стеке (Pa)
k = постоянная Больцмана = 1,38 × 10-23 Дж/К
h = постоянная Планка = 6,626 × 10-34 Дж с
Δv = Коэффициент объема барьера активации (м3). Размер барьера активации (ΔG) вычисляется в предположении Δv = 1 м3.
ΔG = Размер активирующего барьера, который зависит от типа используемого электрода и катализатора (Дж/моль)
T = Температура работы (K)
Kc = Постоянная напряжения при номинальном состоянии работы
Эквивалентная схема такая же, как и для упрощенной модели, за исключением того, что параметры Eoc, i0 и Α должны обновляться в оперативном режиме, как показано ниже:

Скорости превращения (использования) водорода (UfH2) и кислорода (UfO2) определяются в блоке А следующим образом:
(воздух) y %
где
Pfuel = Абсолютное давление подачи топлива (атм)
Пара = Абсолютное давление подачи воздуха (атм)
Vlpm (топливо) = расход топлива (л/мин)
Vlpm (воздух) = расход воздуха (л/мин)
x = Процентное содержание водорода в топливе (%)
y = Процентное содержание кислорода в окислителе (%)
N = количество ячеек
Константа 60000 зависит от преобразования расхода литра/мин, используемого в модели, в м3/с (1 литр/мин = 1/60000 м3/с).
Парциальные давления и напряжение Нернста определяются в блоке В следующим образом:
(1 − UfO2) y% Пара
и
PH2PO21/2PH2O) при T>100∘C
где
PH2O = Парциальное давление водяного пара в стеке (банкомат)
w = Процентное содержание водяного пара в окислителе (%)
На основе парциальных давлений газов и напряжения Нернста можно вычислить новые значения напряжения разомкнутого контура (Eoc) и тока обмена (i0).
Блок C вычисляет новое значение уклона Тафеля (A).
Параметры α, ΔG и Kc вычисляются на основе кривой поляризации при номинальных условиях работы вместе с некоторыми дополнительными параметрами, такими как низкая теплотворная способность (LHV) дымовой трубы, состав топлива и воздуха, давления подачи и температуры. Их можно легко получить из спецификации производителя.
Номинальные скорости конверсии газов рассчитываются следующим образом:
nom⋅0.21
где:
startnom = Номинальная КПД НН дымовой трубы (%).
Δh0 (H2O (газ)) = 241,83 × 103 Дж/моль.
Vnom = номинальное напряжение (В).
Inom = номинальный ток (A).
Vlpm (воздух) nom = номинальный расход воздуха (л/мин).
Пара = номинальное абсолютное давление подачи воздуха (Па).
Tnom = номинальная рабочая температура (K).
Из этих скоростей преобразования можно получить номинальные парциальные давления газов и напряжение Нернста. С помощью Eoc, i0 и α, известных и предполагающих, что стопка работает с постоянными скоростями преобразования или использования при номинальном состоянии, можно определить α, ΔG и Kc.
При отсутствии топлива или воздуха на входе в пакет предполагается, что пакет работает с фиксированной скоростью преобразования газов. (номинальная скорость преобразования), то есть подача газов регулируется в соответствии с током так, что они всегда снабжаются просто немного больше, чем необходимо штабелю при любой нагрузке.
Максимальный ток, который может подавать пакет, ограничен максимальными расходами топлива и воздуха, которые могут быть достигнуты. Сверх этого максимального тока напряжение, выводимое стеком, резко уменьшается по мере увеличения тока.
Динамика топливного элемента отображается, если на панели Динамика топливного элемента (Fuel Cell Dynamics) диалогового окна указать время отклика и параметры для динамики потока (пиковая загрузка и соответствующая недостаточность напряжения).
Время отклика (Td) при 95% используется для моделирования явления «двойного слоя заряда» вследствие накопления зарядов на границе раздела электрод/электролит. Это влияет только на напряжение активации (NAln (ifc/i0)), как показано на эквивалентных цепях.
Пиковое использование (UfO2 (пик)) и соответствующее недостаточное напряжение (Vu) используются для моделирования влияния истощения кислорода (из-за задержки воздушного компрессора) на выходное напряжение ячейки. Напряжение Нернста изменяется благодаря этому эффекту следующим образом:
EnUfO2≤UfO2 (ном)
где
K = постоянная недостаточного напряжения
UfO2 (ном) = номинальное использование кислорода
K определяется следующим образом:
(ном)).
Текущие тесты шага и прерывания должны быть выполнены на реальном стеке, чтобы с точностью представить его динамику. На рисунке ниже показана реакция стека от этих тестов и требуемые параметры (Td, UfO2 (пик) и Vu).

Время отклика (Td) зависит от самой батареи топливных элементов и обычно указывается в листе данных. Параметры динамики потока (UfO2 (пик) и Vu) зависят от динамики внешнего оборудования (компрессора, регулятора и нагрузок) и не предоставляются производителями, так как их значения изменяются в зависимости от применения пользователем. При моделировании следует принимать значения UfO2 (пиковые) от 60% до 70% и Vu от 2 до 5% номинального напряжения батареи.
Предоставляет набор заданных кривых поляризации и параметров для определенных пакетов топливных элементов, найденных на рынке:
No (User-Defined) (по умолчанию)
PEMFC - 1.26 kW - 24 Vdc
PEMFC - 6 kW - 45 Vdc
PEMFC - 50 kW - 625 Vdc
AFC - 2.4 kW - 48 Vdc
SOFC - 3 kW - 100 Vdc
SOFC - 25 kW - 630 Vdc
Выберите одну из этих стандартных моделей для загрузки соответствующих параметров в записи диалогового окна. Выбрать No (User-Defined) если вы не хотите использовать предварительно заданную модель.
Предоставьте доступ к двум версиям модели:
Simplified
Detailed (по умолчанию)
При использовании упрощенной модели переменная на вкладке изменения сигнала отсутствует.
Напряжение при 0 А и 1 А батареи (вольт). Предполагая номинальное и постоянное использование газов. По умолчанию: [65 63].
Номинальный ток (ампер) и номинальное напряжение (вольт) батареи. Предполагая номинальное и постоянное использование газов. По умолчанию: [133.3 45].
Ток (ампер) и напряжение (вольт) батареи при максимальной мощности. Предполагая номинальное и постоянное использование газов. По умолчанию: [225 37].
Количество последовательных ячеек в стеке. Этот параметр доступен только для подробной модели. По умолчанию: 65.
Номинальная эффективность трубы относительно низкого значения нагрева (LHV) воды. Этот параметр доступен только для подробной модели. По умолчанию: 55.
Номинальная температура работы в градусах Цельсия. Этот параметр доступен только для подробной модели. По умолчанию: 65.
Номинальный расход воздуха (л/мин). Этот параметр доступен только для подробной модели. По умолчанию: 300.
Номинальное (абсолютное) давление подачи топлива и воздуха в брусьях. Этот параметр доступен только для подробной модели. По умолчанию: [1.5 1].
Номинальное процентное содержание водорода (x) в топливе, кислорода (y) и воды (w) в окислителе. Этот параметр доступен только для подробной модели. По умолчанию: [99.95 21 1].
Построение графика, содержащего два графика. Первый график представляет напряжение стека (Вольты) против тока (А), а второй график представляет мощность стека (кВт) против тока (А). Эта кнопка доступна только для подробной модели.
Представляет общие параметры стека. Эта кнопка доступна только для подробной модели. Ниже показано диалоговое окно.

Вкладка Изменение сигнала (Signal Variation) доступна, только если для параметра Уровень детализации модели (Model detail level) установлено значение Detailed. Он предоставляет список параметров, которые можно изменять. Установите флажок для переменной, чтобы ввести соответствующий сигнал в блок. В блок могут быть введены следующие сигналы:
Процентное содержание водорода в топливе. Значение по умолчанию очищено.
Процент кислорода в окислителе. Значение по умолчанию очищено.
Расход топлива в литре в минуту. Значение по умолчанию очищено.
Расход воздуха в литре в минуту. Значение по умолчанию очищено.
Температура работы в Кельвине. Значение по умолчанию очищено.
Давление подачи топлива в барах. Значение по умолчанию очищено.
Давление подачи воздуха в барах. Значение по умолчанию очищено.
Запрос о необходимости указания динамики топливного элемента. Установите флажок, чтобы ввести время отклика топливного элемента в секундах. Значение по умолчанию очищено.
Введите время отклика ячейки (95% от конечного значения). По умолчанию: 1. Этот параметр становится доступным только в том случае, если в поле Указать динамику топливных элементов (Specify Fuel Cell Dynamics). флажок установлен.
Введите пиковую утилизацию кислорода при номинальном состоянии работы. По умолчанию: 80. Этот параметр доступен только в том случае, если выбран параметр «Указать динамику топливных элементов»? флажок установлен, а флажок Расход воздуха установлен на вкладке Изменение сигнала.
При пиковом расходе кислорода при номинальном режиме работы введите значение напряжения ниже напряжения (вольт). По умолчанию: 10. Этот параметр доступен только в том случае, если выбран параметр «Указать динамику топливных элементов»? флажок установлен, а флажок Расход воздуха установлен на вкладке Изменение сигнала.
Ниже приведена процедура извлечения параметров из спецификации производителя батареи топливных элементов. В этом примере используется спецификация NetStack PS6 от NetStack:

Номинальная мощность батареи - 6 кВт, номинальное напряжение - 45 В. Следующие подробные параметры выведены из таблицы.
Напряжение при 0 А и 1 А [Eoc,V1] = [65, 63]
Номинальная рабочая точка [Inom, Vnom] = [133.3, 45]
Максимальная рабочая точка [Iend, Vend] = [225, 37]
Номинальный КПД дымовой трубы (λ ном) = 55%
Рабочая температура = 65 0C
Номинальное давление подачи [H2, воздух] = [1,5 1]
Если приведенное давление относительно атмосферного, добавьте 1 бар, чтобы получить абсолютное давление.
Номинальный состав (%) [H2, O2, H2O (воздух)] = [99,999, 21, 1]
При использовании воздуха в качестве окислителя принимать 21% O2 и 1% H2O в случае, если их проценты не указаны.
Количество ячеек
Если он не указан, оцените его по формулам ниже:
В этом случае
Номинальный расход воздуха
Если указан максимальный расход воздуха, номинальный расход может быть рассчитан исходя из постоянного использования кислорода при любой нагрузке. Ток, потребляемый ячейкой, линейно зависит от расхода воздуха, и номинальный расход определяется как:
maxIend.
В этом случае
л/мин.
В случае отсутствия информации предположим, что степень конверсии кислорода составляет 50% (как это обычно бывает для большинства пакетов топливных элементов) и используйте приведенные ниже формулы для определения номинального расхода воздуха.
nom=60000RTnomNInom2zFPairnom⋅0.5⋅0.21.
Время срабатывания топливного элемента = 10 с
Примечание
Параметры [Eoc, V1], [Inom, Vnom] и [Iend, Vend] являются приблизительными и зависят от точности точек, полученных из кривой поляризации. Чем выше точность этих параметров, тем более замкнуто моделируемое напряжение стека к кривой спецификации. Инструмент, называемый ScanIt (от amsterchem), может использоваться для извлечения точных значений из кривых листа данных.
При указанных выше параметрах поляризационная кривая дымовой трубы, работающая при фиксированной номинальной скорости преобразования газов, закрывается кривыми таблицы данных, как показано ниже: Синяя пунктирная линия показывает, что смоделированное напряжение дымовой трубы и зеленая пунктирная линия показывают смоделированную мощность дымовой трубы.

При превышении максимального тока скорость потока газов, поступающих в батарею, является максимальной, и напряжение в батарее резко уменьшается по мере увеличения тока.
Выход Simulink ® блока представляет собой вектор, содержащий 11 сигналов. Демультиплексировать эти сигналы можно с помощью блока выбора шины, предоставленного в библиотеке Simulink.
Уровень детализации модели | |||||
Сигнал | Определение | Единицы | Символ | Подробный | Упрощенный |
1 | Напряжение | V | Vfc | Да | Да |
2 | Ток | Я | Ifc | Да | Да |
3 | Эффективность стека | % | η | Да | Нет (установлено значение 0) |
4 | Расход дымовой трубы [воздух, топливо] | slpm | Vslpm | Да | Нет (установлено значение 0) |
5 | Расход [воздух, топливо] | lpm | Frlpm | Да | Нет (установлено значение 0) |
6 | Расход дымовой трубы [воздух, топливо] | lpm | Vlpm | Да | Нет (установлено значение 0) |
7 | Использование [кислород, водород] | % | Uf | Да | Нет (установлено значение 0) |
8 | Наклон кривой Тафеля | A | Да | Нет (установлено значение 0) | |
9 | Обменный ток | A | i0 | Да | Нет (установлено значение 0) |
10 | Напряжение Нернста | V | En | Да | Нет (установлено значение 0) |
11 | Напряжение разомкнутой цепи | V | Eoc | Да | Нет (установлено значение 0) |
Газы идеальны
В трубу подается водород и воздух
Пакет снабжен системой охлаждения, которая поддерживает температуру на катоде и выходе анода стабильной и равной температуре пакета.
Дымовая труба оборудована системой управления водой для поддержания влажности внутри ячейки на соответствующем уровне при любой нагрузке
Падения напряжения элемента обусловлены кинетикой реакции и переносом заряда, поскольку большинство топливных элементов не работают в области массового переноса.
Перепад давления на проточных каналах ничтожно мал
Сопротивление ячейки является постоянным при любых условиях работы.
Динамика химической реакции, вызванная изменением парциального давления химических веществ внутри ячейки, не учитывается
Выходная мощность батареи ограничена расходом подаваемого топлива и воздуха.
Влияние температуры и влажности мембраны на внутреннее сопротивление не учитывается
Поток газов или воды через мембрану не учитывается
power_fuel_cell пример иллюстрирует 6 кВт, 45-вольтовая модель Proton Exchange Membrane (PEM) Fuel Cell Stack, кормящая конвертер DC/DC на 100 В постоянного тока.
[1] Нджоя, С. М., О. Трембли и Л. -А. Дессен. Типовая модель топливных элементов для имитации транспортных средств на топливных элементах. Конференция по вопросам мощности и движения транспортных средств, 2009 год, VPPC "09, IEEE ®. 7-10 сентября 2009 г., стр. 1722-29.
[2] Мотапон, С.Н., О. Трембли и Л.-А. Дессен. «Разработка типовой модели топливного элемента: применение к моделированию транспортного средства на топливных элементах». Инт. Дж. Из Power Electronics. т. 4, № 6, 2012, стр. 505-22.