Внедрение полномостового модульного многоуровневого преобразователя
Simscape / Электрический / Специализированные Энергосистемы / Силовая электроника

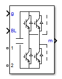
В блоке Full-Bridge MMC реализован полномостовой модульный многоуровневый преобразователь. Преобразователь состоит из нескольких последовательно соединенных модулей питания. Каждый модуль питания состоит из одного H-моста и одного конденсатора на стороне постоянного тока.
Можно выбрать один из трех типов модели:
Коммутационные устройства - преобразователь использует пары IGBT/диод. Многоуровневый генератор ШИМ вырабатывает импульсы возбуждения (сигналы 0/1), которые запускают переключение в преобразователе.
Функция переключения - преобразователь основан на модели функции переключения. Модель использует два источника напряжения и два диода на стороне переменного тока, и два источника тока на стороне постоянного тока.
Управление преобразователем осуществляется импульсами возбуждения, вырабатываемыми ШИМ-генератором (сигналы 0/1), или импульсами возбуждения, усредненными за указанный период (усреднение ШИМ: сигналы от 0 до 1). Оба режима работы создают гармоники, обычно генерируемые ШИМ-управляемым преобразователем, а также правильно имитируют работу выпрямления и время гашения. Этот тип модели подходит для моделирования в реальном времени.
Средняя модель (Uref-controllled) - преобразователь моделируется с использованием модели коммутационной функции, непосредственно управляемой сигналами опорного напряжения. Генератор ШИМ не требуется. Эта модель обеспечивает наиболее быстрое моделирование.
Укажите тип модели для использования:
Switching devices (по умолчанию)
Switching function
Average model (Uref-controlled)
Укажите количество последовательно подключенных модулей питания, которые находятся в преобразователе. Значение по умолчанию: 1.
Укажите емкость конденсаторов, подключенных на стороне постоянного тока каждого модуля питания, в фарадах. Можно задать одно значение, которое установит для всех емкостей одно и то же значение, или задать вектор, содержащий различные значения емкости для каждого модуля питания. Значение по умолчанию: 10e-3.
Укажите начальное напряжение конденсатора в вольтах конденсаторов, подключенных на стороне постоянного тока каждого модуля питания. Можно задать одно значение, которое установит одинаковое начальное напряжение для всех конденсаторов, или задать вектор, содержащий разное начальное напряжение для каждого модуля питания. Значение по умолчанию: 1000.
Внутреннее сопротивление коммутационных устройств, в омах. Этот параметр доступен, только если для параметра Тип модели (Model type) задано значение Switching devices. Значение по умолчанию: 1e-3.
Сопротивление резкости, в Ом. Для устранения привязок установите сопротивление привязок в значение inf. Этот параметр доступен, только если для параметра Тип модели (Model type) задано значение Switching devices. Значение по умолчанию: 1e6.
Емкость snubber, в фарадах. Для устранения привязок установите емкость привязок в значение 0. Этот параметр доступен, только если для параметра Тип модели (Model type) задано значение Switching devices. Значение по умолчанию: inf.
Внутреннее сопротивление диодов, в омах. Этот параметр доступен, только если для параметра Тип модели (Model type) задано значение Switching function или Average model (Uref-controlled). Значение по умолчанию: 1e-3.
Сопротивление резкости, в Ом. Для устранения привязок установите сопротивление привязок в значение inf. Этот параметр доступен, только если для параметра Тип модели (Model type) задано значение Switching function или Average model (Uref-controlled). Значение по умолчанию: 1e6.
Емкость snubber в фарадах. Для устранения привязок установите емкость привязок в значение 0. Этот параметр доступен, только если для параметра Тип модели (Model type) задано значение Switching function или Average model (Uref-controlled). Значение по умолчанию: inf.
Прямое напряжение в вольтах на диоде при его проводимости. Этот параметр доступен, только если для параметра Тип модели (Model type) задано значение Switching function или Average model (Uref-controlled). Значение по умолчанию: 1e-3.
Время выборки блока. Для реализации непрерывного блока установите значение 0.
Этот параметр доступен, только если для параметра Тип модели (Model type) задано значение Switching function или Average model (Uref-controlled). Значение по умолчанию: 10e-6.
gВекторизированный стробирующий сигнал, управляющий преобразователем. Стробирующий сигнал содержит импульсы возбуждения для управления четырьмя переключателями на каждом модуле питания в преобразователе (в четыре раза больше числа импульсов модулей питания). Этот порт отображается, только если для параметра Тип модели (Model type) задано значение Switching devices или Switching function.
UrefВекторизированный сигнал опорного напряжения, управляющий преобразователем. Векторизированный сигнал содержит одно опорное напряжение для каждого модуля питания в преобразователе. Этот порт отображается, только если для параметра Тип модели (Model type) задано значение Average model (Uref-controlled).
BLМожно заблокировать все импульсы запуска преобразователя, применив значение скалярного сигнала 1 на входе BL. Невозможно заблокировать отдельный модуль. Когда входной сигнал равен 1, все модули в MMC блокируются.
1Выходной вывод 1 преобразователя.
2Выходной вывод 2 преобразователя.
mИзмерительный сигнал, содержащий напряжение конденсаторов, подключенных на стороне постоянного тока каждого модуля питания.