Выполнение потока нагрузки с положительной последовательностью или несбалансированного потока нагрузки и инициализация моделей, содержащих блоки потока нагрузки
командная строка MATLAB ®: EnterpowerLoadFlow
powergui Block Parameters (Параметры блока powergui): на вкладке Tools (Инструменты) щелкните Load Flow Analyzer (Загрузить анализатор потока).
Чтобы выполнить анализ потока нагрузки и инициализировать модель так, чтобы она начиналась в устойчивом состоянии, выполните следующие действия.
Определите шины модели с помощью блоков Шина потока нагрузки (Load Flow Bus).
Укажите параметры потока нагрузки для всех блоков, имеющих параметры потока нагрузки. Эти блоки называются блоками потока нагрузки.
Решите поток нагрузки и в интерактивном режиме измените параметры потока нагрузки до тех пор, пока не будет найдено удовлетворительное решение.
Сохраните параметры потока нагрузки и исходные условия машины в модели.
В окне «Command» введите power_LFnetwork_5bus открытие модели, содержащей пять блоков шины потока нагрузки и шесть блоков потока нагрузки.

Блоки шины потока нагрузки отображаются оранжевым цветом, а блоки потока нагрузки - желтым.
Блоки шины потока нагрузки определяют базовые напряжения шины (номинальное среднеквадратичное напряжение фазы к фазе). Они также определяют напряжение на шинах PV или напряжение и угол качания шин. Как только поток нагрузки решен, блок Шина потока нагрузки (Load Flow Bus) отображает величину напряжения положительной последовательности шины и фазовый угол как аннотации блока.
Тип шины (PV, PQ или swing) определяется блоками потока нагрузки, подключенными к шине. При наличии нескольких блоков потока нагрузки с различными типами (указанными в параметре Тип генератора или в параметре Тип нагрузки), подключенных к одной шине, инструмент Поток нагрузки определяет результирующий тип шины (swing, PQ или PV).
В power_LFnetwork_5bus например, типы шин определяются следующим образом:
| Автобус | Загрузка блоков потока | Результирующий тип шины |
|---|---|---|
| Трехфазный источник 120 кВ | колебание Определите напряжение и угол в Автобусном блоке Потока Груза B120. |
| Синхронная машина 13,8 кВ 150 МВА Нагрузка RLC 3 МВт 2 Мвар | ОБЪЕМ ПЛАЗМЫ Определите напряжение в Автобусном блоке Потока Груза B13.8. |
| Динамическая нагрузка 10 МВт, 3 Мвар | PQ |
| Нет блоков потока нагрузки | PQ |
| Асинхронный генератор 9 МВт | PQ Постоянная нагрузка Z включена в матрицу допусков Ybus. |
Некоторые ограничения применяются при подключении нескольких исходных блоков и синхронных машин к одной шине:
Два генератора качания не могут быть подключены параллельно.
Генератор качания не может быть подключен параллельно с источником идеального напряжения PV.
Когда источник качающегося напряжения с импедансом RL подключен к генератору PV, шина качки автоматически перемещается в узел соединения идеального источника напряжения, позади импеданса источника RL.
На шине генерации может быть подключен только один генератор PV с конечными пределами Q. Однако на одной шине могут быть подключены другие генераторы PQ и нагрузки.
Дополнительные сведения об использовании блока Шина потока нагрузки (Load Flow Bus) в модели см. на странице Шина потока нагрузки (Load Flow Bus).
После ввода параметров потока нагрузки в блоках шины потока нагрузки и в различных блоках потока нагрузки откройте анализатор потока нагрузки, нажав кнопку Load Flow Analyzer блока powergui. Инструмент отображает сводку данных потока нагрузки модели. В таблице ниже показаны данные, найденные в power_LFnetwork_5bus модель.

Обратите внимание, что таблица содержит семь строк, но в модели имеется только шесть блоков потока нагрузки. Это происходит потому, что шина B25_2 не подключена ни к одному блоку потока нагрузки. Строка 5 добавлена в таблицу для данной конкретной шины, чтобы вы могли видеть все шины, перечисленные вместе с их напряжениями. Эта шина будет рассматриваться при анализе потока нагрузки как шина PQ с нулем P и Q.
Столбец Имя блока определяет тип блока. В столбце Тип блока отображается тип шины блоков потока нагрузки. Следующие четыре столбца дают идентификационную метку шины, базовое напряжение шины, опорное напряжение (в pu базового напряжения) и угол напряжения шины потока нагрузки, к которой подключен блок. Следующие столбцы являются значениями P и Q, заданными на вкладке «Поток нагрузки» блоков.
В последних четырех столбцах отображается текущее решение по потоку нагрузки. Поскольку поток нагрузки не был выполнен, в столбцах отображаются нулевые значения.
Параметры потока нагрузки на вкладке «Настройки» блока powergui используются для построения матрицы допусков сети Ybus и решения потока нагрузки. Базовая мощность используется для задания единиц нормированной матрицы Ybus в pu/Pbase и базовых напряжениях шины. power_LFnetwork_5bus модель содержит пять автобусов; следовательно, матрица Ybus будет комплексной матрицей 5 на 5, оцениваемой на частоте, заданной параметром Frequency (Hz).
Алгоритм потока нагрузки использует итеративное решение, основанное на методе Ньютона - Рафсона. Параметр Максимум итераций (Max iterations) определяет максимальное количество итераций. Алгоритм потока нагрузки будет повторяться до тех пор, пока несоответствие P и Q на каждой шине не будет ниже параметра допуска PQ (в pu/Pbase). Несоответствие мощности определяется как разность между полезной мощностью, вводимой в шину генераторами и PQ-нагрузками, и мощностью, передаваемой на всех линиях, выходящих из этой шины.
Во избежание неправильного кондиционирования матрицы Ybus следует выбрать значение параметра Base power в диапазоне номинальных мощностей и нагрузок, подключенных к сети. Для сети передачи с напряжением от 120 кВ до 765 кВ обычно выбирается база 100 МВА. Для распределительной сети или для небольшой установки, состоящей из генераторов, двигателей и нагрузок, номинальная мощность которых находится в диапазоне сотен киловатт, лучше приспособлена база питания 1 МВА.
Чтобы решить поток нагрузки, нажмите кнопку Вычислить (Compute). Решение по потоку нагрузки отображается в последних пяти столбцах таблицы.

Для отображения отчета о потоке нагрузки, показывающего мощность, протекающую на каждой шине, нажмите кнопку Report. Сохраните этот отчет в файле, указав имя файла в приглашении.
В отчете представлена сводка активных и реактивных мощностей, в том числе общее распределение PQ между генераторами (блоки типа SM- и Vsrc), PQ-нагрузки (нагрузки RLC типа PQ и нагрузки DYN), шунтирующие постоянные нагрузки Z (нагрузки RLC типа Z и намагничивающие ветви трансформаторов) и асинхронные нагрузки машин (
The Load Flow converged in 2 iterations !
SUMMARY for subnetwork No 1
Total generation : P= 5.61 MW Q= 25.51 Mvar
Total PQ load : P= 13.00 MW Q= 5.00 Mvar
Total Zshunt load : P= 0.68 MW Q= -0.51 Mvar
Total ASM load : P= -8.90 MW Q= 4.38 Mvar
Total losses : P= 0.83 MW Q= 16.64 Mvar Total losses строка представляет разницу между генерацией и нагрузками (тип PQ + тип Z + ASM) и представляет потери серии. После этой сводки для каждой шины выводится отчет о напряжении и мощности:
1 : B120 V= 1.020 pu/120kV 0.00 deg ; Swing bus
Generation : P= -114.39 MW Q= 62.76 Mvar
PQ_load : P= 0.00 MW Q= 0.00 Mvar
Z_shunt : P= 0.25 MW Q= 0.23 Mvar
--> B13.8 : P= -116.47 MW Q= 53.89 Mvar
--> B25_1 : P= 1.84 MW Q= 8.63 Mvar
2 : B13.8 V= 0.980 pu/13.8kV -23.81 deg
Generation : P= 120.00 MW Q= -37.25 Mvar
PQ_load : P= 3.00 MW Q= 2.00 Mvar
Z_shunt : P= 0.17 MW Q= 0.17 Mvar
--> B120 : P= 116.83 MW Q= -39.42 Mvar
3 : B25_1 V= 0.998 pu/25kV -30.22 deg
Generation : P= 0.00 MW Q= 0.00 Mvar
PQ_load : P= 10.00 MW Q= 3.00 Mvar
Z_shunt : P= 0.25 MW Q= 0.21 Mvar
--> B120 : P= -1.83 MW Q= -8.44 Mvar
--> B25_2 : P= -8.41 MW Q= 5.23 Mvar
4 : B25_2 V= 0.967 pu/25kV -20.85 deg
Generation : P= 0.00 MW Q= 0.00 Mvar
PQ_load : P= -0.00 MW Q= -0.00 Mvar
Z_shunt : P= 0.01 MW Q= -0.03 Mvar
--> B25_1 : P= 8.87 MW Q= -3.67 Mvar
--> B575 : P= -8.88 MW Q= 3.70 Mvar
5 : B575 V= 0.953 pu/0.575kV -18.51 deg
Generation : P= 0.00 MW Q= 0.00 Mvar
PQ_load : P= -0.00 MW Q= -0.00 Mvar
Z_shunt : P= 0.01 MW Q= -1.09 Mvar
--> ASM : P= -8.90 MW Q= 4.38 Mvar
--> B25_2 : P= 8.89 MW Q= -3.29 MvarДля каждой шины напряжение и угол шины перечислены в первой строке. Следующие три линии дают PQ, генерируемый на шине (все источники SM и напряжения), PQ, поглощаемый нагрузками типа PQ, и PQ, поглощаемый нагрузками типа Z.
Последние строки, которым предшествует стрелка (-->), перечислите PQ, передаваемый на соседние шины, подключенные через линии, последовательные импедансы и трансформаторы, а также мощность, потребляемую ASM.
При выполнении анализа потока нагрузки может потребоваться итерация значений P, Q и V до тех пор, пока не будут найдены удовлетворительные напряжения на всех шинах. Это может потребовать, например, изменения генерируемой мощности, мощности нагрузки или компенсации реактивного шунта.
Чтобы изменить настройку потока нагрузки, необходимо отредактировать параметры блоков потока нагрузки и блоков шины потока нагрузки. Затем нажмите кнопку Update (Обновить) для обновления данных потока нагрузки, отображаемых в таблице в анализаторе потока нагрузки. Предыдущее решение по потоку нагрузки затем удаляется из таблицы. Нажмите кнопку Вычислить (Compute), чтобы получить новое решение потока нагрузки, соответствующее внесенным изменениям.
После получения удовлетворительного потока нагрузки обновите исходные условия модели в соответствии с решением по потоку нагрузки. Нажмите кнопку Применить к модели (Apply to Model), чтобы инициализировать блоки машин модели и в качестве начальных условий регуляторов, подключенных к машинам.
Откройте трехфазный параллельный блок RLC Load, подключенный к шине B13.8. Поскольку тип нагрузки, указанный на вкладке Load Flow, является постоянным PQ, номинальное напряжение этого блока было изменено на соответствующее напряжение шины 0,98 pu. Для параметра Nominal phase-to-phase voltage Vn (Vrms) установлено значение (13800)*0.98.
Откройте трехфазный блок динамической нагрузки, подключенный к B25_1bus. Начальное напряжение положительной последовательности Vo [Mag (pu) Phase (град.) устанавливается в[0.998241 -30.2228].
Следует отметить, что величины напряжения и углы, полученные на каждой шине, записываются как аннотации блоков под блоками шины потока нагрузки.
Откройте блок «Область» и запустите моделирование.
Блок трехфазного отказа применяет шестицикльный отказ к шине B120.
Проверьте формы сигналов активной мощности SM, скорости SM и ASM и PQ нагрузки DYN и обратите внимание, что моделирование начинается в установившемся состоянии.
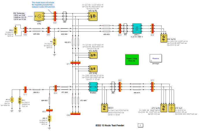
В командной строке введите power_13NodeTestFeeder открытие модели, содержащей 12 блоков шины потока нагрузки и 13 блоков потока нагрузки. Эта модель является эталонной сетью, взятой из радиального тестового питателя в отчете подкомитета по анализу распределительной системы Общества энергетики на страницах 908-912, написанном в 2001 году.
Оригинальная эталонная система содержит 13 узлов. Однако, потому что power_13NodeTestFeeder модель не включает регулирующий трансформатор, она содержит только 12 узлов.

Блоки шины потока нагрузки отображаются оранжевым цветом, а блоки потока нагрузки - желтым.
Блоки шины потока нагрузки определяют базовые напряжения шины (номинальное среднеквадратичное напряжение фаза-земля). Они определяют напряжение на шинах PV или напряжение и угол качания шин. Как только поток нагрузки решен, блок Шина потока нагрузки (Load Flow Bus) отображает величину напряжения шины и фазовый угол как аннотации блока.
Примечание
По умолчанию аннотации блоков задаются на вкладке «Аннотации блоков» свойств блока «Шина потока нагрузки» для отображения величины фазы A (параметр < VLF >) и угла фазы A (параметр < aneyLF >). Для отображения величины и угла фазы B укажите соответственно < VLFb > и < aneyLFb >. Для отображения величины и угла фазы C укажите соответственно < VLFc > и < aneyLFc > .
Можно также удалить некоторые аннотации блоков. В power_13NodeTestFeeder например, отображается только идентификатор шины (параметр < ID >).
Тип шины (PV, PQ или swing) определяется блоками потока нагрузки, подключенными к шине. При наличии нескольких блоков потока нагрузки с различными типами (указанными в параметре Тип генератора или в параметре Тип нагрузки), подключенных к одной шине, инструмент Поток нагрузки определяет результирующий тип шины (swing, PQ или PV). В таблице показано, как определяются типы шин для некоторых модельных шин power_13NodeTestFeeder примера.
| Автобус | Загрузка блоков потока | Результирующий тип шины |
|---|---|---|
| Качели 4160 В | 632_a=swing V = 1,0210 pu -2,49 град. Напряжения и углы указаны в блоке шины потока нагрузки «632». |
| Блок потока нагрузки отсутствует | PQ |
| Блок нагрузки 634 Yg PQ | PQ |
| 646_Z блок нагрузки | PQ Постоянные нагрузки по оси Z включены в матрицу допусков Ybus. |
| Нагрузка 675 Yg PQ Нагрузка 675 Yg Z | PQ Постоянные нагрузки по оси Z включены в матрицу допусков Ybus. |
Некоторые ограничения применяются при наличии нескольких исходных блоков и синхронных машин, подключенных к одной шине потока нагрузки:
Вы не можете подключить два генератора качания параллельно.
Нельзя подключить генератор качания параллельно с идеальным источником напряжения PV
Вы можете подключить только один генератор PV с конечными пределами Q на шине генерации. Однако, вы можете иметь другие генераторы PQ и нагрузки, подключенные к той же шине.
Дополнительные сведения об использовании блока Шина потока нагрузки (Load Flow Bus) в модели см. в разделе Блок Шина потока нагрузки (Load Flow Bus).
Откройте Load Flow Analyzer, нажав кнопку Load Flow Analyzer в блоке powergui. Инструмент отображает список отдельных однофазных шин (по одной шине на фазу), найденных в power_13NodeTestFeeder модель. В анализаторе потока нагрузки поток нагрузки еще не был выполнен, поэтому в столбцах V_LF (pu) и Vangle_LF (deg) отображаются нулевые значения.

Параметры потока нагрузки на вкладке «Настройки» блока powergui используются для построения матрицы допусков сети Ybus и решения потока нагрузки. Базовая мощность используется для задания единиц нормированной матрицы Ybus в pu/Pbase и базовых напряжениях шины. power_13NodeTestFeeder модель содержит 29 однофазных шин; следовательно, матрица Ybus является комплексной матрицей 29 на 29, оцениваемой на частоте, заданной параметром Frequency (Hz).
Алгоритм потока нагрузки использует итеративное решение, основанное на методе Ньютона - Рафсона. Параметр Максимум итераций (Max iterations) определяет максимальное количество итераций. Алгоритм потока нагрузки повторяется до тех пор, пока несоответствие P и Q на каждой шине не будет ниже параметра допуска PQ (в pu/Pbase). Несоответствие мощности определяется как разность между полезной мощностью, вводимой в шину генераторами и PQ-нагрузками, и мощностью, передаваемой на всех линиях, выходящих из этой шины.
Чтобы избежать неправильного кондиционирования матрицы Ybus, выберите значение параметра Base power в диапазоне номинальных мощностей и нагрузок, подключенных к сети. Для сети передачи с напряжением от 120 кВ до 765 кВ обычно выбирается база 100 МВА. Для распределительной сети с нагрузками, имеющими номинальную мощность в диапазоне от десятков до сотен кВА, лучше приспособлена база питания от 100 кВА до 1 МВА.
Чтобы решить поток нагрузки, щелкните Вычислить (Compute). Напряжения и углы шины отображаются в столбцах V_LF (pu) и Vangle_LF (deg) таблицы.

Для отображения отчета о потоке нагрузки, показывающего поток питания на каждой шине, нажмите кнопку Report. Сохраните этот отчет в файле, указав имя файла в приглашении.
В отчете представлена сводная информация об активных и реактивных мощностях, включая общее распределение PQ между генераторами (блоки типа SM- и Vsrc), нагрузках PQ (нагрузки RLC типа PQ, динамические нагрузки и асинхронные нагрузки машин) и постоянных нагрузках Z шунтирования (нагрузки RLC типа Z и намагничивающие ветви трансформаторов):
SUMMARY for subnetwork No 1
Total generation : P= 3518.74 kW Q= 1540.14 kvar
Total PQ load : P= 3101.90 kW Q= 1880.42 kvar
Total Zshunt load : P= 363.47 kW Q= -479.42 kvar
Total losses : P= 53.36 kW Q= 139.14 kvar
Total losses линия представляет разницу между генерацией и нагрузками (тип PQ + тип Zshunt) и представляет потери серии. После этой сводки появляется отчет о напряжении и мощности для каждой шины. Для каждой фазы каждой шины напряжение и угол шины перечислены в первой строке. Следующие три линии дают PQ, генерируемый на шине (все источники SM и напряжения), PQ, поглощаемый нагрузками типа PQ, и PQ, поглощаемый нагрузками типа Z. Последние строки, которым предшествует стрелка (- >), перечисляют мощность PQ, передаваемую на всех линиях, выходящих из этой шины.
В последнем столбце приведены V1 напряжения шины с положительной последовательностью (величина и угол, только для трехфазных шин) и сумма мощностей PQ для всех фаз (PQ, генерируемый источниками, PQ, поглощаемый нагрузками, и PQ, передаваемый через трансформаторы, линии и последовательные импедансы). Например, можно проверить, что суммарная нагрузка PQ, поглощенная шиной 634 (P = 400 кВт Q = 290 квар), соответствует сумме активных и реактивных мощностей, указанных для фаз A, B и C в блоке нагрузки.
При выполнении анализа потока нагрузки может потребоваться использовать различные значения P, Q и V до тех пор, пока не будут найдены удовлетворительные напряжения на всех шинах. Это может потребовать, например, изменения генерируемой мощности, мощности нагрузки или компенсации реактивного шунта.
Чтобы изменить настройку потока нагрузки, отредактируйте параметры блоков потока нагрузки и блоков шины потока нагрузки. Затем щелкните Обновить (Update), чтобы обновить данные потока загрузки, отображаемые в таблице. Щелкните Вычислить (Compute), чтобы получить новое решение потока нагрузки, соответствующее внесенным изменениям.
После получения удовлетворительного потока нагрузки обновите исходные условия модели в соответствии с решением по потоку нагрузки. Нажмите кнопку Применить к модели (Apply to Model), чтобы инициализировать блоки нагрузки типа PQ, внутренние напряжения блока источника, блоки машины и начальные условия соответствующих регуляторов.
Откройте блок нагрузки RLC трехфазной серии, подключенный к шине 632. Поскольку тип нагрузки, указанный на вкладке Load Flow, является постоянным PQ, вектор номинальных напряжений фаза-нейтраль [Va Vb Vc] (Vrms) этого блока был изменен на соответствующие напряжения шины [1.021 1.042 1.0174]*2401.78 Vrms. Откройте блок трехфазного источника, подключенный к шине 632. Параметр Line-to-neutral voltages [Va Vb Vc] (Vrms) также имеет значение [1.021 1.042 1.0174]*2401.78 Vrms.
Откройте подсистему «Результаты потока нагрузки» и запустите моделирование.
Проверьте значения напряжения и мощности PQ на блоках дисплея. Эти значения соответствуют значениям, отображаемым в отчете о потоке нагрузки.
Model - Наименование моделиИмя модели для выполнения анализа потока нагрузки.
Update - Обновление моделиЩелкните значок, чтобы получить последние изменения в модели. Любое предыдущее решение потока нагрузки удаляется из таблицы.
Compute - Решить расход нагрузкиЩелкните, чтобы решить поток нагрузки. Решение отображается в столбцах V_LF, Vangle_LF, P_LF и Q_LF таблицы. Поток нагрузки выполняется на частоте, базовой мощности, допуске PQ и максимуме итераций, указанных на вкладке «Настройки» блока powergui.
Apply - Применение решения к моделиЩелкните значок, чтобы применить решение потока нагрузки к модели.
Add bus blocks - Добавление блоков шины потока нагрузки в модельЩелкните значок, чтобы добавить в модель блоки шины потока нагрузки. Приложение Load Flow Analyzer определяет требуемую для модели шину потока нагрузки и добавляет блоки Load Flow Bus только в тех местах, где блок Load Flow Bus уже подключен.
Report - Сохранить отчет о потоке нагрузкиЩелкните, чтобы сохранить отчет о потоке нагрузки, который показывает мощность, протекающую к каждой шине. Можно сохранить отчет в формате Excel ® или MATLAB.