Реализовать трехуровневый преобразователь питания NPC с выбираемыми топологиями и устройствами коммутации питания
Simscape / Электрический / Специализированные Энергосистемы / Силовая электроника
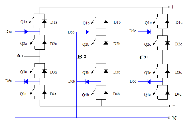
Блок трехуровневого моста реализует трехуровневый преобразователь мощности, состоящий из одного, двух или трех рычагов устройств коммутации мощности. Каждое плечо состоит из четырех переключающих устройств вместе с их антипараллельными диодами и двумя нейтральными зажимными диодами, как показано на рисунке ниже.

Тип устройства переключения питания (IGBT, GTO, MOSFET или идеальный переключатель) и количество рычагов (один, два или три) выбираются из диалогового окна. Когда идеальный коммутатор используется в качестве коммутационного устройства, блок трехуровневого моста реализует идеальный коммутационный мост, имеющий трехуровневую топологию, как показано на следующем рисунке.

Определите топологию моста: одно, два или три плеча. По умолчанию: 3.
Сопротивление snubber, в Ом. По умолчанию: 1e5. Задайте для параметра Rs сопротивления Snubber значение inf для исключения привязок из модели.
Емкость snubber в фарадах (F). По умолчанию: inf. Задайте для параметра емкости Cs Snubber значение 0 для устранения привязок или inf чтобы получить резистивный шуббер.
Чтобы исключить привязки во всех силовых электронных устройствах при использовании непрерывного решателя, выберите параметр Отключить привязки в коммутационных устройствах на вкладке Настройки Powergui.
Когда ваша система дискретизирована, вы можете имитировать силовые электронные устройства практически без нюансов, указывая чисто резистивные нюансы с очень большим сопротивлением, таким образом создавая незначительные токи утечки. Мост работает удовлетворительно с чисто резистивными нюхателями.
Выберите тип силового электронного устройства для использования в мосте. По умолчанию: GTO/Diodes.
Внутреннее сопротивление выбранных приборов и диодов, в Ом. По умолчанию: 1e-3.
Прямое напряжение выбранных устройств (только для GTO или IGBT) и антипараллельных и зажимных диодов в вольтах. По умолчанию: [ 0 0 ].
По умолчанию: None.
Выбрать All device currents для измерения тока, протекающего через все компоненты (коммутационные устройства и диоды). Если определены поглощающие устройства, измеренными токами являются токи, протекающие только через силовые электронные устройства.
Выбрать Phase-to-Neutral and DC voltages для измерения клеммных напряжений (переменного и постоянного тока) блока трехуровневого моста.
Выбрать All voltages and currents для измерения всех напряжений и токов, определенных для блока трехуровневого моста.
Поместите блок мультиметра в модель, чтобы отобразить выбранные измерения во время моделирования. В списке Available Measurement блока Multimeter измерение идентифицируется меткой, за которой следует имя блока.
Измерение | Этикетка (для устройств GTO, IGBT, MOSFET) |
|---|---|
Токи устройства |
|
Напряжение на клеммах |
|
Измерение | Этикетка (для идеального коммутационного устройства) |
|---|---|
Токи устройства |
|
Напряжение на клеммах |
|
Вход g является векторизированным стробирующим сигналом, содержащим импульсы для управления силовыми электронными устройствами моста. Длина входного вектора зависит от количества рычагов, указанного для топологии моста.
Топология | Вектор импульса входа g |
|---|---|
Одна рука |
|
Две руки |
|
Три руки |
|
Примечание
В случае идеального переключающего преобразователя импульс Q1 посылается на Sw1, импульс Q4 - на Sw2, и логическая операция И выполняется на импульсах Q2 и Q3 и результат посылается на Sw3.
Время включения и выключения (время падения, время окончания) устройств коммутации питания не моделируется в блоке трехуровневого моста.
power_3levelVSC Пример иллюстрирует использование блока трехуровневого моста.