Идеальная связь между электрическими специализированными силовыми системами Simscape и электрическими цепями Simscape
Simscape / Электрический / Специализированные Энергосистемы / Утилиты

Текущий Напряжением Интерфейс Simscape (gnd) блок соединяет Simscape™ Electrical™ Специализированные схемы Энергосистем с электрическими элементами из библиотеки Фонда Simscape. Этот блок сохраняет ток через блок и напряжение на блоке, сохраняя электроэнергию.
На стороне Simscape Electrical Specialized Power Systems порт электрического соединителя sps действует как управляемый источник напряжения, относящийся к земле, подавая напряжение Simscape Electric Specialized Power Systems на подключенные элементы Simscape Electric Specialized Power Systems.
На стороне Simscape порт электрического соединителя ssc действует как управляемый источник тока, относящийся к земле, подавая ток со стороны Simscape Electric Specialized Power Systems на соединенные элементы Simscape.
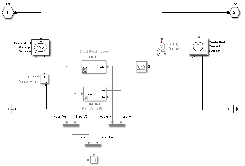
На следующем рисунке представлен обзор интерфейса.

Блок измеряет напряжение между ssc порт и электрическая привязка Simscape и распространяет ее на sps порт, сохраняя полярность относительно электрического эталона Simscape Electric Specialized Power Systems. Блок также измеряет ток, входящий в sps порт и распространяет его на ssc порт.
Можно указать фильтр для разрыва алгебраического цикла между Simscape Electrical Specialized Power Systems и портами Simscape. Фильтр можно определить как функцию непрерывной передачи первого порядка или как дискретный блок единичной задержки. Его можно применить на стороне Simscape Electrical Specialized Power Systems, к измеренному напряжению или на стороне Simscape к измеренному току. В зависимости от измеренного сигнала, к которому применяется фильтр, другой сигнал всегда является прямым проходом.
Если фильтр не указан, к обоим измеренным сигналам применяется прямой проход. Однако эта конфигурация приводит к образованию алгебраического контура, содержащего блоки измерения напряжения, источника управляемого напряжения, датчика тока и источника управляемого тока, что может вызвать числовые проблемы.
Если этот флажок установлен, между специальными системами электропитания Simscape Electrical и портами Simscape с обеих сторон осуществляется прямой проход. Значение по умолчанию очищено.
Задайте для этого параметра значение Low pass filter (continuous) (по умолчанию) для реализации фильтра функции непрерывной передачи первого порядка между Simscape Electrical Specialized Power Systems и портами Simscape.
Задайте для этого параметра значение Unit delay (discrete) для реализации дискретного фильтра задержки блока между Simscape Electrical Specialized Power Systems и портами Simscape.
Задайте для этого параметра значение First-order input filtering для реализации фильтра функции непрерывной передачи первого порядка с фильтрацией первого порядка блока преобразователя Simulink-PS, который обеспечивает одну производную. Этот фильтр можно применить только на стороне Simscape Electrical Specialized Power Systems.
Задайте для этого параметра значение Second-order input filtering для реализации фильтра функции непрерывной передачи первого порядка с фильтрацией второго порядка блока Simulink-PS Converter, который обеспечивает производные один и два. Этот фильтр можно применить только на стороне Simscape Electrical Specialized Power Systems.
Параметр Тип фильтра (Filter type) не отображается, если установлен флажок Прямой проход (без фильтра).
Укажите постоянную времени фильтра нижних частот в секундах. Этот параметр доступен, только если для параметра Тип фильтра задано значение Low pass filter (continuous), First-order input filtering, или Second-order input filtering. По умолчанию: 1e-6.
Укажите время выборки фильтра единичной задержки в секундах. Этот параметр доступен, только если для параметра Тип фильтра задано значение Unit delay (discrete). По умолчанию: 50e-6.
Укажите начальное значение напряжения измеренного напряжения Simscape Electrical Specialized Power Systems. По умолчанию: 0.
Этот параметр доступен только при применении фильтра на стороне Simscape Electrical Specialized Power Systems.
Укажите начальное значение тока измеренного тока Simscape. По умолчанию: 0.
Этот параметр доступен только при применении фильтра на стороне Simscape.
Задайте для этого параметра значение Specialized Power Systems side (по умолчанию), чтобы применить фильтр к измеренному напряжению Simscape Electrical Specialized Power Systems.
Задайте для этого параметра значение Simscape side для применения фильтра к измеренному току Simscape.
Параметр Применить фильтр к (Apply filter on) не отображается, если установлен флажок Прямой проход (без фильтра), если для параметра Тип фильтра (Filter type) установлено значение First-order input filteringили если для типа Filter установлено значение Second-order input filtering.
При выборе этого параметра в блок добавляется выходной сигнал Simulink ®, который возвращает ток и напряжение Simscape Electrical Specialized Power Systems, а также ток и напряжения Simscape в сигнале шины. Значение по умолчанию очищено.
При моделировании моделей Simscape Electrical Specialized Power Systems вместе с блоками Simscape тщательно выберите решатель Simulink.
Используйте ode23tb решатель для решения цепей Simscape Electrical Specialized Power Systems, содержащих переключатели или нелинейный элемент. При использовании других жестких решателей программное обеспечение Simscape Electrical Specialized Power Systems выдает следующее предупреждение:
Warning: You have required continuous-time simulation of a system containing switches or nonlinear elements. The ode23tb variable-step stiff solver with relative tolerance set to 1e-4 is recommended in order to get best accuracy and simulationperformance. For some highly nonlinear models it may be necessary to set the "Solver reset method" parameter to "Robust". See "Improving Simulation Performance" chapter in Simscape Electrical Specialized Power Systems documentation for additional information on how to select an appropriate integration method. 'To ignore Simscape Electrical Specialized Power Systems warnings, select "Disable Simscape Electrical SPS warnings" in the Powergui Preferences tab.';
Предупреждение Simscape Electrical Specialized Power Systems можно отключить, как описано в предупреждающем сообщении. Однако, если вы используете ode23tb решатель для решения моделей, содержащих блоки Simscape, программа Simscape выдает следующее предупреждение:
Warning: The solver chosen is not recommended if the model is stiff, which is typical for models containing Simscape components. These solvers are typically preferred for Simscape models:ode23t, ode15s or ode14x (fixed-step). To disable this diagnostic,change the explicit solver diagnostic setting on the Simscape panel of the model Configuration Parameters.
Предупреждение Simscape также может быть отключено, как описано в предупреждающем сообщении.
См. раздел power_SSCmodeling Пример сопряжения моделей Simscape Electrical Specialized Power Systems и Simscape с использованием блока интерфейса Simscape тока-напряжения.
Интерфейс Simscape тока-напряжения, интерфейс Simscape тока-напряжения (gnd), интерфейс Simscape напряжения-тока