Трехфазный кабель питания переменного тока
Simscape/Электрические/Пассивные/Линии

Блок кабеля переменного тока (трехфазный) представляет собой трехфазный кабель питания переменного тока с проводящей оболочкой, окружающей каждую фазу. На чертеже показан однофазный проводник внутри проводящей оболочки. Внутренний цилиндр представляет собой основной проводник для фазы, а внешний цилиндр представляет собой проводящую оболочку.

Блок имеет два варианта:
Составной трехфазный вариант (по умолчанию) - содержит трехфазные соединительные порты для оболочек и фаз и однофазный соединительный порт для каждого электрического опорного узла.
Расширенный трехфазный вариант - содержит однофазные соединительные порты для каждого опорного узла оболочки, фазы и электрического узла.
Блок кабеля переменного тока (трехфазный) включает в себя индуктивности и взаимные индуктивности между каждой фазой, оболочкой и обратной траекторией. Поэтому можно подключить идеальный электрический опорный блок к обоим портам возврата, g1 и g2, сохраняя при этом моделирование потерь в линии возврата «Земля» или «Нейтраль».
Чтобы облегчить конвергенцию моделирования при подключении блока кабеля переменного тока (трехфазного) к блоку источника, включите импеданс источника одним из следующих способов:
Сконфигурируйте блок источника для включения импеданса.
Вставьте блок, моделирующий импеданс между блоком источника и блоком кабеля переменного тока (трехфазный).
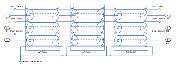
Для моделирования несвязанных оболочек соедините несвязанные оболочки с блоком разомкнутой цепи (трехфазной). На рисунке показана модель одноточечного соединения с использованием составного трехфазного варианта блока.

Для высокопроизводительного моделирования с точки зрения скорости моделирования используйте один блок кабеля переменного тока (трехфазный). Для повышения точности модели с точки зрения частотного поведения необходимо последовательно подключить несколько блоков кабеля переменного тока (трехфазных). Для последовательно соединенных блоков оболочки и главные проводники действуют как связанные линии передачи с идеальной транспозицией фаз. Количество блоков кабеля переменного тока (трехфазных), используемых для моделирования определенной физической длины кабеля, должно быть меньше количества переносов в физической системе, которую вы моделируете. Типы непрерывных многосегментных кабелей, которые можно моделировать, включают:
Несвязанные непрерывные кабели

Непрерывные кабели с одноточечным соединением

Непрерывные кабели с двухточечным соединением

Можно также моделировать перекрестные кабели с помощью блока «Кабель переменного тока (трехфазный)».

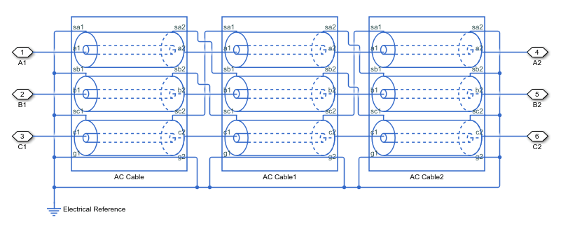
Эта трехсегментная кабельная модель реализует кросс-соединение с использованием расширенных трехфазных портов и однофазных соединительных линий. Оболочка в модели имеет двухточечное соединение.

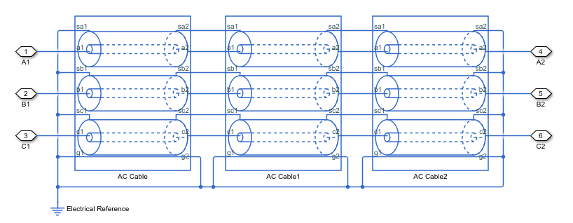
Эта модель блоков с составными трехфазными портами использует блоки фазовой перестановки для реализации перекрестного соединения. Оболочка в модели не связана.

Пример выбора количества сегментов и типа соединения см. в разделе Кабель переменного тока со связанными оболочками.
Блок кабеля переменного тока (трехфазный) использует концепцию частичных индуктивностей для вычисления значений индуктивности. Эти значения включают частичную самоиндуктивность каждой фазы, оболочки и обратного пути и частичные взаимные индуктивности между каждым:
Фаза и фаза друг друга
Фаза и оболочка этой фазы
Фаза и оболочка соседних фаз
Фаза и возврат
Оболочка и каждая соседняя оболочка
Оболочка и возврат
Для трех эквивалентных фаз матрица, которая определяет отношения сопротивлений для вектора [фаза А; оболочку А; фаза В; оболочку В; фаза С; оболочка C]
.
Ra 'l
Rreturn 'l,
для которого R 'return зависит от метода возвращаемой параметризации, так что:
Для возвращаемой параметризации на основе расстояния и сопротивления .
Для обратной параметризации на основе частоты и удельного сопротивления Земли − 7f
и
Rs '1,
где:
R - матрица сопротивления.
Ra - сопротивление конкретной фазы.
Rs - сопротивление конкретной оболочки.
Rg - сопротивление земляного или нейтрального возврата.
R1 представляет собой сопротивление на единицу длины для фазы.
l - длина кабеля.
R - сопротивление на единицу длины оболочки.
R 'return - сопротивление на единицу длины возврата. Значение R 'return изменяется в зависимости от метода возвращаемой параметризации.
R 'g - сопротивление на единицу длины для земляного или нейтрального возврата.
f - частота, которую блок использует для вычисления параметров возврата Земли, если параметризовать блок с помощью метода частоты и удельного сопротивления Земли.
Блок использует стандартные выражения для вычисления емкостей между:
Концентрические или смежные цилиндры
Каждая фаза и собственная оболочка
Каждая оболочка и возврат
Матрица, которая определяет эти отношения емкостей,
rsra)
outer),
где:
C - емкостная матрица.
Casa - емкость между каждой фазой и оболочкой этой фазы.
Csag - емкость между каждой оболочкой и возвратом.
ϵr - диэлектрическая проницаемость.
ϵ0 - диэлектрическая проницаемость свободного пространства.
rs - радиус оболочки.
ra - эффективный радиус проводника. Для однопрядного проводника ra - радиус пряди.
rcable - радиус кабеля, rcable больше rs, внешний.
GMR - средний геометрический радиус проводника. Для однопрядного проводника − 14, где rпрядь - радиус пряди.
ϵenv - диэлектрическая проницаемость материала между обшитыми линиями и траекторией возврата.
Блок использует понятие частичных индуктивностей для вычисления значений индуктивности. Эти значения включают частичную самоиндуктивность каждой фазы, оболочки и обратного пути и частичные взаимные индуктивности между каждым:
Фаза и фаза друг друга
Фаза и оболочка этой фазы
Фаза и оболочка соседних фаз
Фаза и возврат
Оболочка и каждая соседняя оболочка
Оболочка и возврат
Уравнения, определяющие эти зависимости индуктивности:
DaδAαAαδDsαSαSαDaδAαSδDsαSαAαDaδαSαSδDs]
Маг
2lra) − 34]
2lDreturn) − 1]
для которого Dreturn зависит от метода возвращаемой параметризации, который:
Для возвращаемой параметризации на основе расстояния и сопротивления De.
Для обратной параметризации, основанной на частоте и удельном сопротивлении Земли, 1650α2xeonf.
Msg
(2lrs) − 34]
Маг
Mag
(2ldab) − 1],
для которого dab зависит от метода параметризации формации линии, так что:
Для формации трилистника параметризация Dab.
Для формации плоской линии параметризация Dab23.
Mag
Msg,
где:
L - матрица индуктивности.
Да - самоиндуктивность одной фазы через весь её путь и возврат.
La - частичная самоиндуктивность каждой фазы.
Mag - частичная взаимная индуктивность между каждой фазой и возвратом Земли или нейтрали.
Msg - это частичная взаимная индуктивность между каждой оболочкой и возвратом на Землю или нейтраль.
Множитель, − 7 равен мк0/2λ, потому что проницаемость свободного пространства, мк0, равна × 10 4λ × 10 − 7 H/m.
Ds - самоиндуктивность одиночной оболочки через весь её путь и возврат.
Ls - частичная самоиндуктивность каждой оболочки.
Маса - частичная взаимная индуктивность между каждой фазой и оболочкой этой фазы.
δ - эффективная взаимная индуктивность между фазой и оболочкой этой фазы.
α - эффективная взаимная индуктивность между фазой и соседней оболочкой.
Masb - частичная взаимная индуктивность между каждой фазой и оболочкой каждой соседней фазы.
Msasb - частичная взаимная индуктивность между оболочками различных фаз.
Mab - частичная взаимная индуктивность между каждой фазой и фазой друг друга.
Дретурн - эффективное расстояние до возврата. Значение Dreturn изменяется при использовании метода параметризации расстояние/возврат.
De - эффективное расстояние до Земли или нейтральной точки возврата.
start- эффективное удельное сопротивление Земли для возврата Земли.
f - частота, используемая для определения свойств обратного пути.
dab - эффективное расстояние между соседними фазами. Значение dab изменяется в зависимости от метода параметризации линии.
Dab - расстояние между соседними фазами.
А - эффективная взаимная индуктивность между фазами.
S - эффективная взаимная индуктивность между оболочками.
Модальное преобразование, связанное с преобразованием Кларка, упрощает эквивалентную схему. Преобразование «шесть на шесть», T,
Как , применение Т-преобразования дает матрицу модального сопротивления Rm, матрицу модальной емкости Cm и матрицу модальной индуктивности Lm.
Преобразованные матрицы:
Преобразование изменяет каждого шесть шестью матрица в три недвойных два двумя матрицы. Емкостная матрица инвариантна при этом преобразовании. Мощность инвариантна в преобразованных и нетрансформированных доменах, потому что Т является унитарной.
Для расчетов сопротивления фазы эквивалентны.
По отношению к емкости фазы к оболочке и емкостям возврата оболочки все другие емкости являются незначительными из-за экранирования, обеспечиваемого проводящими оболочками.