Модельные многозвенные сети LC
Радиочастотный блок/оболочка цепи/элементы

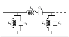
Блок LC Ladder моделирует общие двухпортовые сети LC без потерь. Сведения о том, как можно использовать LC Ladder для сравнения амплитуд входного и выходного сигналов для изучения ослабления сигнала, см. в разделе Модель радиочастотного фильтра с использованием огибающей цепи.