exponenta event banner

cgsl_0103: Предварительно рассчитанные сигналы и параметры

Идентификатор: Заголовокcgsl_0103: Предварительно рассчитанные сигналы и параметры
ОписаниеПредварительно рассчитайте инвариантные параметры и сигналы, выполнив одно из следующих действий:
AПредварительный расчет значений вручную
B

Установите следующие параметры конфигурации:

  • Задать поведение параметра по умолчанию как Inlined

  • Выбор инвариантных сигналов Inline

ПримечанияПредварительный расчет переменных может уменьшить использование локальной и глобальной памяти и повысить скорость выполнения. Если для параметра Поведение по умолчанию (Default parameter behavior) задано значение Inlined и включить инвариантные сигналы Inline, генератор кода минимизирует количество вычислений времени выполнения, максимизируя число вычислений, выполненных до времени выполнения. В некоторых случаях это может привести к уменьшению числа сохраняемых параметров. Однако алгоритмы, используемые генератором кода, имеют ограничения. В некоторых случаях код становится более компактным при вычислении значений вне среды Simulink ®. Это может повысить эффективность модели, но снизить ее читаемость.
ОбъяснениеA, BПредварительно рассчитайте данные вне среды Simulink, чтобы уменьшить требования к памяти системы и улучшить выполнение во время выполнения.
Последнее изменениеR2012b
Примеры

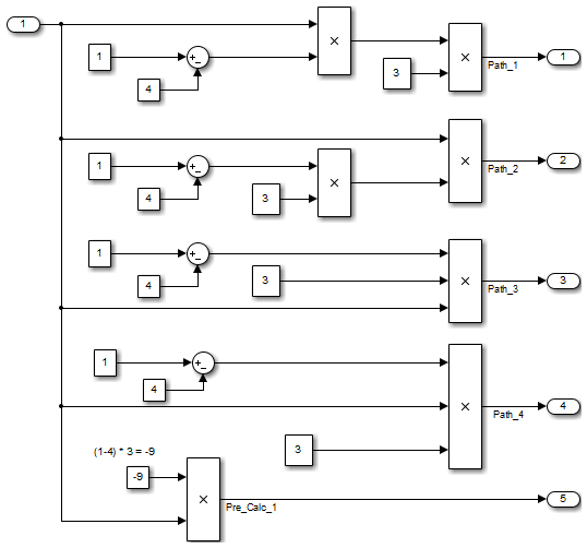
В следующей модели четыре пути математически эквивалентны. Однако из-за ограничений алгоритма количество вычислений времени выполнения для путей различается.

Path_1 = InputSignal * -3.0 * 3.0;

/* Product: '<Root>/Product4' incorporates:
 *  Inport: '<Root>/In1'
 */
Path_2 = InputSignal * -9.0;

/* Product: '<Root>/Product2' incorporates:
 *  Constant: '<Root>/Constant2'
 *  Inport: '<Root>/In1'
 */
Path_3 = -9.0 * InputSignal;

/* Product: '<Root>/Product5' incorporates:
 *  Constant: '<Root>/Constant2'
 *  Inport: '<Root>/In1'
 */
Path_4 = -3.0 * InputSignal * 3.0;

/* Product: '<Root>/Product6' incorporates:
 *  Constant: '<Root>/Constant3'
 *  Inport: '<Root>/In1'
 */
Pre_Calc_1 = -9.0 * InputSignal;

Чтобы максимизировать автоматический предварительный расчет, добавьте сигналы в конце набора уравнений.

Встроенные данные сокращают возможность настройки параметров модели. Для выполнения калибровки необходимо определить параметры, требующие калибровки. Дополнительные сведения см. в разделе Создание настраиваемого параметра калибровки в сгенерированном коде (Simulink Coder).