NA-MAAB - a
JMAAB - a
Все
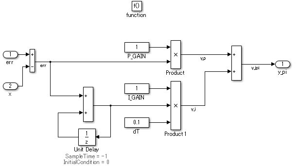
Блоки единичной задержки или задержки должны использоваться в дискретной модели или подсистеме.
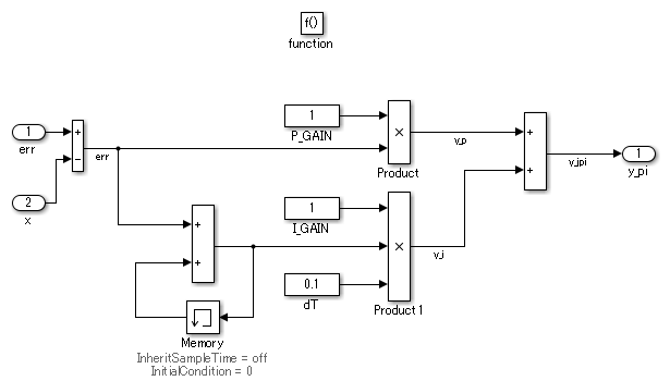
Блок памяти должен использоваться в модели или подсистеме непрерывного типа.
Неприменимо
Блок единичной задержки используется в модели дискретного типа.

Блок памяти используется в модели дискретного типа.

Субидентификатор a:
Соблюдение правила улучшает удобочитаемость модели.
Проверка модуля Model Advisor: Проверка использования блоков задержки памяти и блока (Simulink Check)
R2020a
Руководство JMAAB jc_0623, которое доступно в Руководстве по моделированию алгоритмов управления с использованием MATLAB, Simulink и Stateflow на веб-сайте MathWorks ®.
Преобразование сигналов между непрерывным временем и дискретным временем