NA-MAAB - a
JMAAB - a
Все
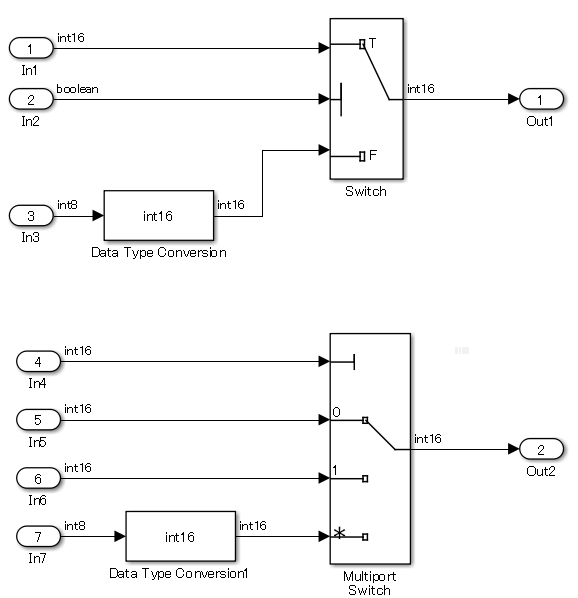
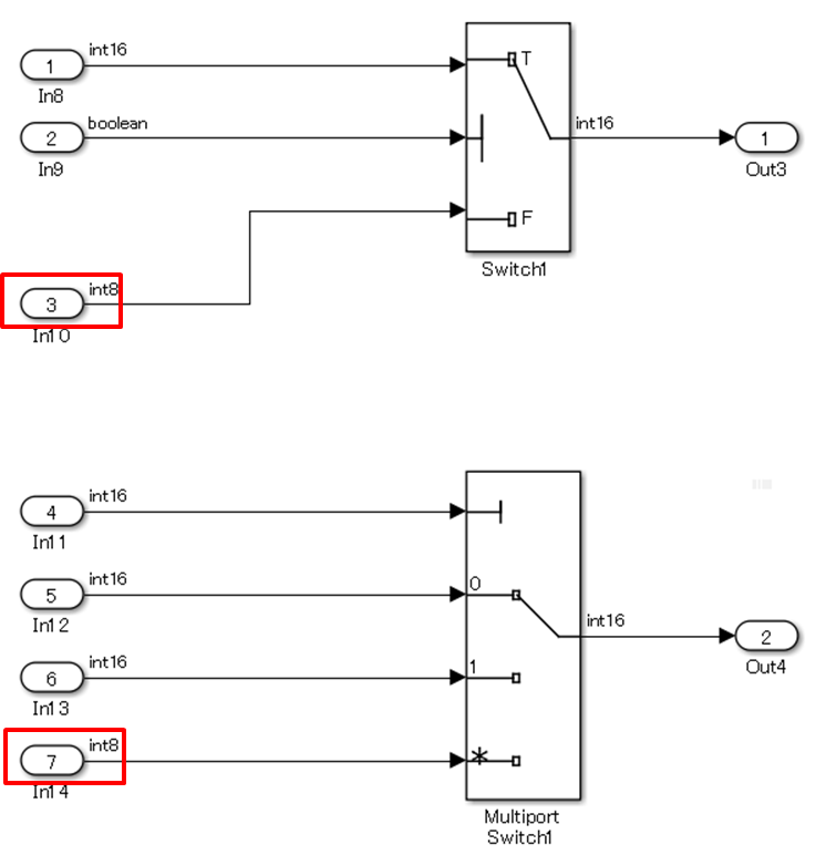
Для блоков с функциями коммутации (Switch, Multiport Switch и Index Vector) один и тот же тип данных должен использоваться для портов данных и портов вывода.
Неприменимо
Тип данных для порта данных и выходного порта одинаков.

Порт данных и выходной порт имеют различные типы данных.

Субидентификатор a:
Предотвращает неявное преобразование данных.
Проверка модуля Model Advisor: Проверка типа входных и выходных данных для блоков коммутатора (Simulink Check)
R2020a
Руководство JMAAB jc_0650, которое доступно в Руководстве по моделированию алгоритмов управления с использованием MATLAB, Simulink и Stateflow на веб-сайте MathWorks ®.