NA-MAAB - a
JMAAB - a
Все
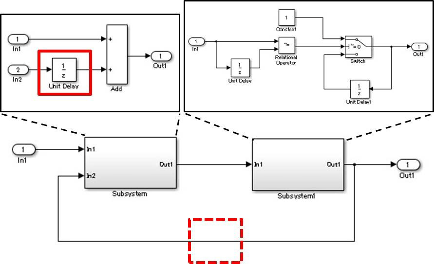
Блок задержки в контурах обратной связи по подсистемам должен находиться в иерархии, описывающей контур обратной связи.
Неприменимо
Блок задержки находится в иерархии, которая описывает цикл обратной связи.

Блок задержки находится в подсистеме, которая вложена в иерархию, описывающую цикл обратной связи.

Субидентификатор a:
Проверка Model Advisor: Проверка отсутствия алгебраических циклов между подсистемами (Simulink Check)
R2020a
Руководство JMAAB jc_0653, которое доступно в Руководстве по моделированию алгоритмов управления с использованием MATLAB, Simulink и Stateflow на веб-сайте MathWorks ®.