Simulink ® предоставляет два блока, которые можно использовать для визуализации всех возможных реализаций вариантов выбора в модели графически. Эти блоки называются Источник исполнения (Variant Source) и Приемник исполнения (Variant Sink).
При компиляции модели Simulink определяет, какой элемент управления исполнениями вычисляется как true. Активное определение варианта происходит на ранних стадиях компиляции. Затем Simulink деактивирует блоки, которые не связаны с элементом управления варианта true и визуализирует активные соединения.
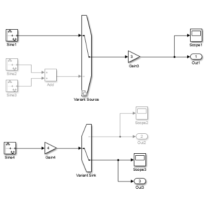
Добавьте в модель блоки Источник исполнения (Variant Source) и Приемник исполнения (Variant Sink).
Эти блоки включают порты, которые активируют варианты выбора.

Используя блоки из обозревателя библиотеки Simulink, создайте источники и раковины, представляющие варианты. Соедините варианты с портами ввода и вывода блоков Variant Source и Variant Sink.

В командной строке MATLAB ® укажите управляющую переменную, которая создает условие активации для источника исполнения.
V = Simulink.Parameter(1);
Щелкните правой кнопкой мыши блок «Источник исполнения» и выберите «Параметры блока» («VariantSource»).
В диалоговом окне «Параметры блока» в столбце «Элемент управления» введите V==1 рядом с одним из вариантов и V==2 рядом с другим. Нажмите «Применить»; в противном случае изменения не сохраняются.
Simulink проверяет, что только один вариант активен для моделирования. Если управляющее условие не активирует вариант, Simulink использует вариант по умолчанию для моделирования.

В командной строке MATLAB укажите управляющую переменную, которая создает условие активации для приемника исполнения.
W = Simulink.Parameter(2);
Дважды щелкните по приемнику варианта. В диалоговом окне «Параметры блока» в столбце «Элемент управления» введите W==1 рядом с одним из вариантов и W==2 рядом с другим.

Нажмите «Применить»; в противном случае изменения не сохраняются.
Моделирование модели. Simulink распространяет условия исполнения, чтобы определить, какие компоненты модели следует активировать.

Можно визуализировать условия, которые активируют каждый вариант. На вкладке «Отладка» панели инструментов выберите «Информационные наложения» > «Условия исполнения».

В диалоговом окне Легенда условия исполнения (Variant Condition Legend) щелкните аннотации условий исполнения с гиперссылкой, чтобы увидеть, какие части модели активизируются каждым условием.
