Для инициализации моделирования можно использовать:
Окончательная информация о состоянии (с или без ModelOperatingPoint объект) из предыдущего моделирования
Сведения о состоянии, создаваемые в MATLAB ®
Параметры конфигурации > Параметры импорта/экспорта данных используются для импорта начальных состояний.
Включите параметр начального состояния.
В поле редактирования Начальное состояние (Initial state) введите имя переменной для информации о состоянии, которую необходимо использовать для инициализации.
Начальные значения, заданные переменной, переопределяют начальные значения состояния, заданные блоками в модели в параметрах начальных условий.
Можно указать Dataset, структура или структура с временными данными.
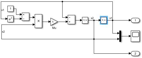
Можно инициализировать определенное состояние. В этом примере создается начальная структура состояния для x2 состояние vdp модель. x1 состояние не инициализировано в структуре. Поэтому во время моделирования Simulink ® использует значение в блоке интегратора, связанное с x1 состояние.
Откройте модель.
open_system('vdp');
Установите SaveFormat аргумент модели для 'Structure'.
set_param('vdp','SaveFormat','Structure');
Получение структуры начального состояния.
states = Simulink.BlockDiagram.getInitialState('vdp');Установка начального значения элемента структуры сигналов, связанного с x2 на 2.
states.signals(2).values = 2;
Удалить элемент структуры сигналов, связанный с x1.
states.signals(1) = [];
Используйте states переменная для vdp модель. Выберите параметр конфигурации начального состояния.
set_param('vdp','LoadInitialState','on','InitialState','states');
Моделирование модели и изучение начальных значений x2 и x1.
sim('vdp');
statesstates =
struct with fields:
time: 0
signals: [1×1 struct]
states.signals
ans =
struct with fields:
values: 2
dimensions: 1
label: 'CSTATE'
blockName: 'vdp/x2'
stateName: ''
inReferencedModel: 0
sampleTime: [0 0]
При моделировании модели оба состояния имеют начальное значение 2. Начальное значение x2 состояние назначено в states структура, в то время как начальное значение x1 состояние присваивается в его блоке Интегратор.


Чтобы инициализировать состояния модели верхнего уровня и моделей, на которые она ссылается, используйте структуру или структуру с форматом времени или используйте операционную точку.
Если верхняя модель находится в режиме быстрого ускорения, загрузка дискретных данных о состоянии невозможна.