Повысьте эффективность моделирования модели с помощью инструмента «Трансформатор модели» (Model Transformer), чтобы определить n-D блоки таблицы подстановки, которые могут быть преобразованы, и заменить их блоками интерполяции и общими блоками Prelookup. Исключение избыточных блоков Prelookup повышает скорость моделирования для линейных интерполяций. Трансформатор модели создает модель с этими блоками замены. Эта новая модель имеет те же функциональные возможности, что и исходная модель.
Трансформатор модели (Model Transformer) может заменить блоки таблицы поиска, которые удовлетворяют следующим условиям:
Тот же источник управляет блоками таблицы подстановки.
Блоки таблицы подстановки имеют одну и ту же спецификацию точки останова, значения и типы данных.
Входной порт точки останова таблиц поиска подключен к тому же источнику ввода.
Блоки таблицы подстановки используют одни и те же параметры алгоритма в диалоговом окне параметров блока.
Блоки таблицы подстановки имеют один и тот же тип данных для параметров дробей в диалоговом окне параметров блока.
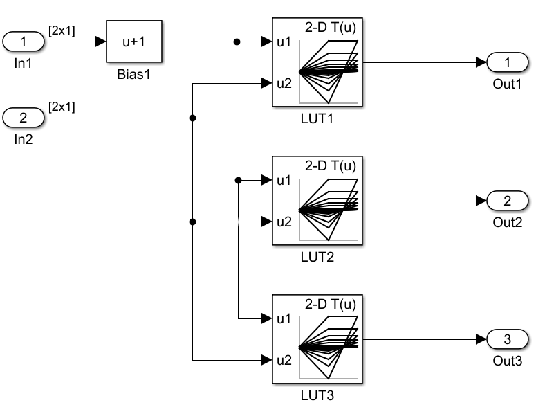
Модель mLutOptim содержит три блока таблицы подстановки: LUT1, LUT2 и LUT3. Блоки приводятся в действие от одних и тех же источников ввода In1 и In2.

Определите n-D блоки таблицы подстановки, которые могут быть преобразованы, и замените их одним общим блоком Prelookup и несколькими блоками интерполяции.
Открытие модели mLutOptim. В командной строке MATLAB ® введите:
addpath(fullfile(docroot,'toolbox','simulink','examples'))mLutOptim
Сохраните модель в рабочей папке.
На вкладке Приложения щелкните Модель (Model) Трансформатор (Transformer).
В папке Преобразования (Transformations) выберите поиск в таблице Преобразование (Transform) для предварительной проверки и проверки интерполяции.
Выберите блоки «Пропустить таблицу подстановки» (n-D) в библиотеках из этого параметра преобразования, чтобы избежать замены блоков «Таблица подстановки», связанных с библиотекой.
В поле Префикс рефакторированной модели укажите префикс для новой рефакторированной модели.
Нажмите кнопку Выполнить эту проверку. Верхняя таблица Result содержит гиперссылки на блоки Lookup Table и соответствующие индексы входных портов.
Удалите группы кандидатов, которые не требуется преобразовывать.
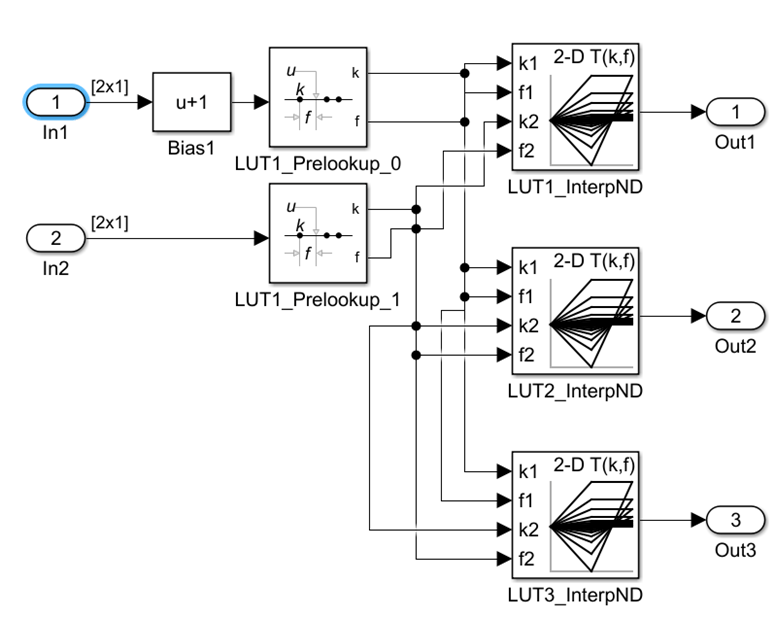
Нажмите кнопку Модель рефактора (Refactor Model). Таблица Результат (Result) содержит гиперссылку на новую модель. Таблица также содержит гиперссылки на общий блок Prelookup и соответствующие блоки интерполяции. Эти блоки заменили исходные блоки таблицы подстановки. Инструмент создает m2m_mLUTOptim папка. Эта папка содержит новое gen_mLUTOptim.slx модель.

Блоки таблицы подстановки LUT1, LUT2, и LUT3 из gen_mLutOptim.slx иметь два общих блока таблицы Prelookup, LUT1_Prelookup_1 и LUT1_Prelookup_2, по одному для каждого источника данных. Существует также три блока интерполяции LUT1_InterpND, LUT2_InterpND, и LUT3_InterpND которые заменяют блоки таблицы подстановки.

Трансформатор модели не может заменить блоки таблицы подстановки, если:
Блок Rate Transition управляет блоками таблицы поиска.
Блоки таблицы подстановки представляют собой области с комментариями и неактивные варианты.
Блоки таблицы подстановки маскируются.
Тип данных блока вывода имеет значение Inherit:Same as first input.
Метод интерполяции блоков таблицы подстановки и метод экстраполяции на панели «Алгоритм» диалогового окна параметров блока имеют значение Cubic spline.
В настройках ввода блока таблицы поиска на панели «Алгоритм» диалогового окна параметров блока выбран параметр Использовать один входной порт для всех входных данных.
При создании блочного кода таблицы подстановки на панели «Алгоритм» диалогового окна параметров блока выбран параметр «Поддерживать настраиваемый размер таблицы при создании кода».
Инструмент «Трансформатор модели» не заменяет блоки таблицы поиска, пересекающие границы атомных подсистем, ссылочных моделей и связанных с библиотекой блоков.