Модель Simulink ®magball включает нелинейную установку магнитных шариков в одноконтурную систему обратной связи.

Подсистема установки магнитных шариков показана на следующем рисунке.

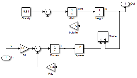
Модель Magnetic Ball Plant представляет собой железный шар массы M. Этот шар движется под действием гравитационной силы Mg и индуцированной магнитной силы . Наличие квадратного члена в индуцированной магнитной силе приводит к нелинейной установке.
Индуктор в электрической цепи, показанный на следующем рисунке, вызывает индуцированную магнитную силу. Эта схема также включает в себя источник напряжения и резистор.

В следующей таблице описаны переменные, параметры, дифференциальные уравнения, состояния, входы и выходы подсистемы установки магнитных шариков.
| Переменные | h - высота мяча. i - ток. V - напряжение в цепи. |
| Параметры | М - масса мяча. g - гравитационное ускорение. β - постоянная, связанная с магнитной силой. L - индуктивность катушки. R - сопротивление цепи. |
| Дифференциальные уравнения | Высота шара h описывается в следующем уравнении: Ток в цепи, i, описывается в следующем уравнении: − iR |
| Государства | h dh/dt я |
| Исходные данные | V |
| Продукция | h |