Модель Simulink ®watertank включает в себя установку нелинейной системы водоемов и ПИ-контроллер в одноконтурной системе обратной связи.

Система резервуаров для воды показана на следующем рисунке.

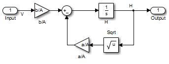
Вода поступает в бак сверху со скоростью, пропорциональной напряжению В, приложенному к насосу. Вода выходит через отверстие в основании резервуара со скоростью, пропорциональной квадратному корню высоты воды H в резервуаре. Наличие квадратного корня в расходе воды приводит к нелинейной установке.

В следующей таблице описаны переменные, параметры, дифференциальные уравнения, состояния, входы и выходы системы водоемов.
| Переменные | H - высота воды в резервуаре. Vol - объём воды в баке. V - напряжение, приложенное к насосу. |
| Параметры | А - площадь поперечного сечения резервуара. b - постоянная, связанная с расходом в резервуар. а - постоянная, связанная с расходом из резервуара. |
| Дифференциальное уравнение |
bV − aH |
| Государства | H |
| Исходные данные | V |
| Продукция | H |