В этом примере показано, как использовать блок State Control для генерации аппаратного HDL-кода с помощью HDL Coder.
Блок State Control является блоком, который изменяет поведение симуляции Simulink для его подсистемы, содержащей и всех подсистем, вложенных под ним. Его цель - более тщательно смоделировать синхронное поведение синхронизируемого цифрового оборудования, особенно в отношении блоков, которые имеют состояние и используют явные сигналы включения и сброса.
Когда блок State Control помещается в подсистему и его параметр устанавливается на «Synchronous», сгенерированный HDL-код будет более удобным для оборудования. Когда подсистема находится в синхронном режиме, она помечается графиком «S» в нижнем левом углу. Блок State Control с параметром, установленным на «Classic», ведет себя идентично тому, когда в подсистеме нет блока State Control.
Различие в поведении симуляции между двумя режимами небольшая, но значительная для генерации эффективного HDL-кода. Различия фокусируются вокруг поведения симуляции, включая явные сигналы сброса и включения. Для примера в синхронном режиме явный вход сброса блока имеет приоритет над входным сигналом включения блока.
HDL-код, сгенерированный HDL Coder, симулирует идентично модели, из которой он сгенерирован. В режиме Classic State Control сгенерированный код для определенных конструкций реализует неоптимальное оборудование из-за этого требования. Например, блок Delay с явным входом включения будет генерировать регистр обхода, состоящий из регистра и мультиплексора, в дополнение к смоделированному регистру, для захвата поведения режима Simulink Classic.
Исследуйте содержимое Enabled_Delay.vhd, чтобы наблюдать дополнительные сигналы регистра и регистра обхода.
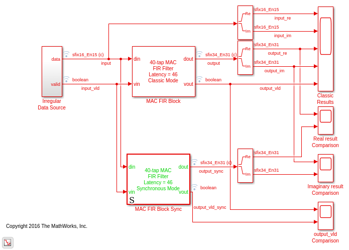
load_system('hdlcoder_statecontrol_model'); open_system('hdlcoder_statecontrol_model'); set_param('hdlcoder_statecontrol_model', 'SimulationCommand', 'update'); makehdl('hdlcoder_statecontrol_model/MAC FIR Block', 'TargetDirectory', 'hdlsrc_classic');
### Generating HDL for 'hdlcoder_statecontrol_model/MAC FIR Block'.
### Using the config set for model <a href="matlab:configset.showParameterGroup('hdlcoder_statecontrol_model', { 'HDL Code Generation' } )">hdlcoder_statecontrol_model</a> for HDL code generation parameters.
### Running HDL checks on the model 'hdlcoder_statecontrol_model'.
### Begin compilation of the model 'hdlcoder_statecontrol_model'...
### Applying HDL optimizations on the model 'hdlcoder_statecontrol_model'...
### Begin model generation.
### Model generation complete.
### Begin VHDL Code Generation for 'hdlcoder_statecontrol_model'.
### Working on hdlcoder_statecontrol_model/MAC FIR Block/Coeff ROM as hdlsrc_classic/hdlcoder_statecontrol_model/Coeff_ROM.vhd.
### Working on hdlcoder_statecontrol_model/MAC FIR Block/Enabled_Delay as hdlsrc_classic/hdlcoder_statecontrol_model/Enabled_Delay.vhd.
### Working on hdlcoder_statecontrol_model/MAC FIR Block/RAM delay line/circular buffer logic as hdlsrc_classic/hdlcoder_statecontrol_model/circular_buffer_logic.vhd.
### Working on hdlcoder_statecontrol_model/MAC FIR Block/RAM delay line/SimpleDualPortRAM_generic as hdlsrc_classic/hdlcoder_statecontrol_model/SimpleDualPortRAM_generic.vhd.
### Working on hdlcoder_statecontrol_model/MAC FIR Block/RAM delay line as hdlsrc_classic/hdlcoder_statecontrol_model/RAM_delay_line.vhd.
### Working on hdlcoder_statecontrol_model/MAC FIR Block as hdlsrc_classic/hdlcoder_statecontrol_model/MAC_FIR_Block.vhd.
### Generating package file hdlsrc_classic/hdlcoder_statecontrol_model/MAC_FIR_Block_pkg.vhd.
### Code Generation for 'hdlcoder_statecontrol_model' completed.
### Creating HDL Code Generation Check Report file:///tmp/BR2021ad_1584584_202060/publish_examples4/tp687696c7/hdlsrc_classic/hdlcoder_statecontrol_model/MAC_FIR_Block_report.html
### HDL check for 'hdlcoder_statecontrol_model' complete with 0 errors, 0 warnings, and 0 messages.
### HDL code generation complete.

type hdlsrc_classic/hdlcoder_statecontrol_model/Enabled_Delay.vhd
-- -------------------------------------------------------------
--
-- File Name: hdlsrc_classic/hdlcoder_statecontrol_model/Enabled_Delay.vhd
-- Created: 2021-01-27 13:56:54
--
-- Generated by MATLAB 9.10 and HDL Coder 3.18
--
-- -------------------------------------------------------------
-- -------------------------------------------------------------
--
-- Module: Enabled_Delay
-- Source Path: hdlcoder_statecontrol_model/MAC FIR Block/Enabled_Delay
-- Hierarchy Level: 1
--
-- -------------------------------------------------------------
LIBRARY IEEE;
USE IEEE.std_logic_1164.ALL;
USE IEEE.numeric_std.ALL;
ENTITY Enabled_Delay IS
PORT( clk : IN std_logic;
reset : IN std_logic;
enb : IN std_logic;
din_re : IN std_logic_vector(33 DOWNTO 0); -- sfix34_En31
din_im : IN std_logic_vector(33 DOWNTO 0); -- sfix34_En31
LocalEnable : IN std_logic;
Out1_re : OUT std_logic_vector(33 DOWNTO 0); -- sfix34_En31
Out1_im : OUT std_logic_vector(33 DOWNTO 0) -- sfix34_En31
);
END Enabled_Delay;
ARCHITECTURE rtl OF Enabled_Delay IS
-- Signals
SIGNAL din_re_signed : signed(33 DOWNTO 0); -- sfix34_En31
SIGNAL din_im_signed : signed(33 DOWNTO 0); -- sfix34_En31
SIGNAL Enabled_Delay_bypass_delay_re : signed(33 DOWNTO 0); -- sfix34_En31
SIGNAL Enabled_Delay_bypass_delay_im : signed(33 DOWNTO 0); -- sfix34_En31
SIGNAL Enabled_Delay_reg_re : signed(33 DOWNTO 0); -- sfix34_En31
SIGNAL Enabled_Delay_reg_im : signed(33 DOWNTO 0); -- sfix34_En31
SIGNAL dout_re : signed(33 DOWNTO 0); -- sfix34_En31
SIGNAL dout_im : signed(33 DOWNTO 0); -- sfix34_En31
BEGIN
din_re_signed <= signed(din_re);
din_im_signed <= signed(din_im);
Enabled_Delay_1_process : PROCESS (clk, reset)
BEGIN
IF reset = '1' THEN
Enabled_Delay_bypass_delay_re <= to_signed(0, 34);
Enabled_Delay_bypass_delay_im <= to_signed(0, 34);
Enabled_Delay_reg_re <= to_signed(0, 34);
Enabled_Delay_reg_im <= to_signed(0, 34);
ELSIF clk'EVENT AND clk = '1' THEN
IF enb = '1' AND LocalEnable = '1' THEN
Enabled_Delay_bypass_delay_im <= Enabled_Delay_reg_im;
Enabled_Delay_reg_im <= din_im_signed;
Enabled_Delay_bypass_delay_re <= Enabled_Delay_reg_re;
Enabled_Delay_reg_re <= din_re_signed;
END IF;
END IF;
END PROCESS Enabled_Delay_1_process;
dout_re <= Enabled_Delay_reg_re WHEN LocalEnable = '1' ELSE
Enabled_Delay_bypass_delay_re;
dout_im <= Enabled_Delay_reg_im WHEN LocalEnable = '1' ELSE
Enabled_Delay_bypass_delay_im;
Out1_re <= std_logic_vector(dout_re);
Out1_im <= std_logic_vector(dout_im);
END rtl;
Блок Delay с явным включением в режиме Synchronous State Control сгенерирует HDL-код, который создает более эффективное оборудование. Реализация не содержит регистра обхода.
Исследуйте Enabled_Delay_Sync.vhd и отметьте улучшение сгенерированного кода по сравнению с выходом Classic mode.
makehdl('hdlcoder_statecontrol_model/MAC FIR Block Sync', 'TargetDirectory', 'hdlsrc_sync');
### Generating HDL for 'hdlcoder_statecontrol_model/MAC FIR Block Sync'.
### Using the config set for model <a href="matlab:configset.showParameterGroup('hdlcoder_statecontrol_model', { 'HDL Code Generation' } )">hdlcoder_statecontrol_model</a> for HDL code generation parameters.
### Running HDL checks on the model 'hdlcoder_statecontrol_model'.
### Begin compilation of the model 'hdlcoder_statecontrol_model'...
### Applying HDL optimizations on the model 'hdlcoder_statecontrol_model'...
### Begin model generation.
### Model generation complete.
### Begin VHDL Code Generation for 'hdlcoder_statecontrol_model'.
### Working on hdlcoder_statecontrol_model/MAC FIR Block Sync/Coeff ROM as hdlsrc_sync/hdlcoder_statecontrol_model/Coeff_ROM.vhd.
### Working on hdlcoder_statecontrol_model/MAC FIR Block Sync/Enabled Delay Sync as hdlsrc_sync/hdlcoder_statecontrol_model/Enabled_Delay_Sync.vhd.
### Working on hdlcoder_statecontrol_model/MAC FIR Block Sync/RAM delay line/circular buffer logic as hdlsrc_sync/hdlcoder_statecontrol_model/circular_buffer_logic.vhd.
### Working on hdlcoder_statecontrol_model/MAC FIR Block Sync/RAM delay line/SimpleDualPortRAM_generic as hdlsrc_sync/hdlcoder_statecontrol_model/SimpleDualPortRAM_generic.vhd.
### Working on hdlcoder_statecontrol_model/MAC FIR Block Sync/RAM delay line as hdlsrc_sync/hdlcoder_statecontrol_model/RAM_delay_line.vhd.
### Working on hdlcoder_statecontrol_model/MAC FIR Block Sync as hdlsrc_sync/hdlcoder_statecontrol_model/MAC_FIR_Block_Sync.vhd.
### Generating package file hdlsrc_sync/hdlcoder_statecontrol_model/MAC_FIR_Block_Sync_pkg.vhd.
### Code Generation for 'hdlcoder_statecontrol_model' completed.
### Creating HDL Code Generation Check Report file:///tmp/BR2021ad_1584584_202060/publish_examples4/tp687696c7/hdlsrc_sync/hdlcoder_statecontrol_model/MAC_FIR_Block_Sync_report.html
### HDL check for 'hdlcoder_statecontrol_model' complete with 0 errors, 0 warnings, and 0 messages.
### HDL code generation complete.
type hdlsrc_sync/hdlcoder_statecontrol_model/Enabled_Delay_Sync.vhd
-- -------------------------------------------------------------
--
-- File Name: hdlsrc_sync/hdlcoder_statecontrol_model/Enabled_Delay_Sync.vhd
-- Created: 2021-01-27 13:57:04
--
-- Generated by MATLAB 9.10 and HDL Coder 3.18
--
-- -------------------------------------------------------------
-- -------------------------------------------------------------
--
-- Module: Enabled_Delay_Sync
-- Source Path: hdlcoder_statecontrol_model/MAC FIR Block Sync/Enabled Delay Sync
-- Hierarchy Level: 1
--
-- -------------------------------------------------------------
LIBRARY IEEE;
USE IEEE.std_logic_1164.ALL;
USE IEEE.numeric_std.ALL;
ENTITY Enabled_Delay_Sync IS
PORT( clk : IN std_logic;
reset : IN std_logic;
enb : IN std_logic;
din_re : IN std_logic_vector(33 DOWNTO 0); -- sfix34_En31
din_im : IN std_logic_vector(33 DOWNTO 0); -- sfix34_En31
LocalEnable : IN std_logic;
Out1_re : OUT std_logic_vector(33 DOWNTO 0); -- sfix34_En31
Out1_im : OUT std_logic_vector(33 DOWNTO 0) -- sfix34_En31
);
END Enabled_Delay_Sync;
ARCHITECTURE rtl OF Enabled_Delay_Sync IS
-- Signals
SIGNAL din_re_signed : signed(33 DOWNTO 0); -- sfix34_En31
SIGNAL din_im_signed : signed(33 DOWNTO 0); -- sfix34_En31
SIGNAL dout_re : signed(33 DOWNTO 0); -- sfix34_En31
SIGNAL dout_im : signed(33 DOWNTO 0); -- sfix34_En31
BEGIN
din_re_signed <= signed(din_re);
din_im_signed <= signed(din_im);
Enabled_Delay_process : PROCESS (clk, reset)
BEGIN
IF reset = '1' THEN
dout_re <= to_signed(0, 34);
dout_im <= to_signed(0, 34);
ELSIF clk'EVENT AND clk = '1' THEN
IF enb = '1' AND LocalEnable = '1' THEN
dout_re <= din_re_signed;
dout_im <= din_im_signed;
END IF;
END IF;
END PROCESS Enabled_Delay_process;
Out1_re <= std_logic_vector(dout_re);
Out1_im <= std_logic_vector(dout_im);
END rtl;
Когда модель имеет Включенную подсистему в Синхронном режиме, код, сгенерированный для нее, также будет улучшен. Подсистема Synchronous mode Enabled больше не будет генерировать регистры обхода на выходах подсистемы. В сложение, любые регистры в Подсистеме Enabled, которые имеют явные входы включения, также покажут те же улучшения, что и ранее.
Блоки MATLAB function требуется более точное строение в порядок для использования в синхронном режиме. Если блок содержит прямой комбинаторный путь от входа блока до выхода, на блоке должна быть включена дополнительная настройка.
Выбор меню Править данные на панели инструментов MATLAB открывает блок MATLAB Function Ports and Data Manager. Каждый блок, содержащий комбинаторный выходной путь, должен быть помечен как разрешающий прямое сквозное соединение.


Эта настройка позволяет генерировать код в синхронном режиме из блока MATLAB Function, когда этот блок имеет как комбинаторный, так и последовательный пути в своем коде.
open_system('hdlcoder_statecontrol_model/MAC FIR Block Sync/RAM delay line') open_system('hdlcoder_statecontrol_model/MAC FIR Block Sync/RAM delay line/circular buffer logic')

Дополнительные сведения о блоке State Control см. в документации по блокам.