Этот пример показывает, как смоделировать стек топливных камер с протонной обменной мембраной (PEM) с пользовательским блоком Simscape. PEM-топливная камера генерирует электрическую степень путем потребления водорода и кислорода и получения водяного пара. Пользовательский блок представляет мембранный электродный узел (MEA) и соединяет две отдельные сырые воздушные сети: одну для анодного газового потока и одну для катодного газового потока.
Две влажные воздушные сети представляют собой различные газовые смеси. Анодная сеть состоит из азота (N2), водяного пара (H2O) и водорода (H2), представляющего топливо. Водород хранится в топливном баке при 70 МПа. Клапан снижения давления выделяет водород в стек топливных камер на уровне около 0,16 МПа. Неконденсированный водород рециркулирует обратно в стек. Катодная сеть состоит из азота (N2), водяного пара (H2O) и кислорода (O2), представляющего воздух от окружения. Компрессор подает воздух в стек топливных камер с контролируемой скоростью, чтобы убедиться, что топливная камера не голодает от кислорода. Клапан сброса противодавления поддерживает давление около 0,16 МПа в стеке и выводит выхлопы в окружение.
Температура и относительная влажность в стеке топливных камер должны поддерживаться на оптимальном уровне для обеспечения эффективной операции при различных условиях загрузки. Более высокие температуры повышают тепловую эффективность, но уменьшают относительную влажность, что вызывает более высокое сопротивление мембраны. Поэтому в этой модели температура пакета топливных камер поддерживается на уровне 80 ° С. Система охлаждения циркулирует хладагент между камерами, чтобы поглощать тепло и отбрасывает его в окружение через излучателя. Увлажнители насыщают газ водяным паром, чтобы сохранить мембрану гидратированной и минимизировать электрическое сопротивление.
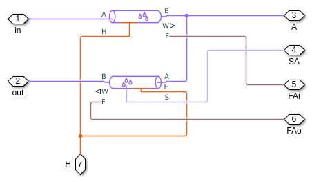
Пользовательский блок MEA реализован в коде Simscape FuelCell.ssc. Порт выхода F блоков анодного и катодного газового канала трубопровода обеспечивает газовые молярные фракции, необходимые для моделирования реакции камеры топлива. Удаление H2 и O2 из анодного и катодного газовых потоков осуществляется блоками Controlled Trace Gas Source (MA). Производство H2O и транспортировка водяного пара через МЭА реализуются блоками Контролируемый Источник Влаги (MA). Тепло, генерируемое реакцией, отправляется через тепловой порт H в соединенный блок Thermal Mass. Дополнительные сведения о реализации см. в комментариях в коде.
















Этот график показывает кривую напряжения тока ( i-v) топливной камеры в стеке. Когда ток растёт вверх, происходит начальное падение напряжения из-за потерь активации электрода, последующее постепенное снижение напряжения из-за омических сопротивлений. Почти максимальный ток, резкое падение напряжения происходит из-за потерь, связанных с транспортом газа.
На этом графике также показаны степени, произведенные камерой. Когда выбран сценарий наклона, степень увеличивается до максимальной выходной степени, затем уменьшается из-за высоких потерь около максимального тока.

Этот график показывает электрическую степень, произведенную топливом камеры стека а также степени, потребляемую компрессором катодного воздуха и насосом хладагента для поддержания стабильной и эффективной операции системы. В результате чистая степень, произведенная системой, на несколько процентов меньше, чем степень, произведенная стеком. Обратите внимание, что эта модель принимает изентропный компрессор. Учет эффективности компрессора снизил бы чистый прирост степени еще на пару процентов.
Этот график также показывает избыток тепла, выделяемый стеком топливных камер, который должен быть удален системой охлаждения. Максимальная степень, произведенная стеком топливных камер, составляет 110 кВт.

Этот график показывает тепловую эффективность топливной камеры и его фракции использования реагентов. Тепловая эффективность указывает на долю энергии водородного топлива, которую топливная камера преобразовала в полезную электрическую работу. Теоретическая максимальная эффективность для ПЭМ-топливного камера сосоставляет3%. Однако фактическая эффективность составляет около 60% из-за внутренних потерь. Почти максимальный ток, эффективность падает до около 45%.
Использование реагента представляет собой часть реагентов, H2 и O2, поступающих в стек топливных камер, которая была использована топливной камерой. Хотя более высокое использование позволяет лучше использовать газы, протекающие через топливную камеру, оно уменьшает концентрацию реагентов и, таким образом, уменьшает создаваемое напряжение. Неконденсированные O2 сбрасываются в окружение, но неконденсированные H2 рециркулируются обратно в анод, чтобы избежать отходов. Однако на практике H2 периодически продувают для удаления загрязнений.

На этом графике показаны температуры в различных местоположениях системы. Температура в батарее топливных камер поддерживается охладительной системой на уровне не более 80 ° С. Топливо, поступающее на анод, нагревается рециркулируемым потоком. Воздух, поступающий на катод, нагревается компрессором.
Поддержание оптимальной температуры очень важно для операции топливной камеры, потому что более высокие температуры снижают относительную влажность, которая увеличивает сопротивление мембраны. В этой модели система охлаждения управляется простым управлением скорости потока жидкости насоса хладагента. График показывает температуру хладагента после того, как он впитал тепло из стека топливных камер и после того, как он отклонил тепло в излучателе.

Этот график показывает массу водорода, используемого во время работы, и соответствующее снижение давления в баке с водородом. Энергия потребляемого водородного топлива преобразуется в электрическую энергию.
