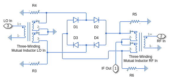
Эта модель показов, как диодный звонок может использоваться, чтобы демодулировать частотно-модулированный сигнал. Радиочастотный вход имеет фиксированную частоту 9MHz, а локальный генератор имеет фиксированную частоту 11MHz. Следовательно, частотно-модулированный сигнал является синусоидой 2MHz. Этот 2MHz компонент хорошо виден в отклике IF. Второй компонент в отклике IF является суммой частот RF и локального генератора, то есть 20MHz.
Спектр показывает, что диодный кольцевой смеситель вводит некоторые дополнительные нежелательные гармоники. Спектр может использоваться, чтобы определить, как дополнить поведенческую модель миксера звонка дополнительными терминами, чтобы создать абстрагированную модель миксера, которая может использоваться в более сложной схеме



Рисунок ниже показывает вывод моделей схемы и поведенческого микшера.

Приведенные ниже графики частотного спектра показывают, что поведенческие и схемные модели дают аналогичные результаты. Спектр из модели схемы показывает дополнительные нежелательные гармоники, которые не показаны в идеальной поведенческой модели.

