В этом примере показов, как смоделировать автомобильный блок батарей для задач теплового управления. Блок батарей состоит из нескольких модулей аккумуляторов, которые являются комбинациями камер последовательно и параллельно. Каждый элемент батареи моделируется с помощью блока Battery (Table-Based) Simscape Electrical. В этом примере начальная температура и состояние заряда одинаковы для всех камер. Четыре модуля аккумуляторов, три аналогичных и один отличный от трех других, соединены последовательно, чтобы имитировать блок батарей. Результаты в этом примере предполагают начальную температуру окружающей среды, равным 25 степеням Цельсия. Подсистема управления хладагентом определяет логику, используемую для определения скорости потока жидкости хладагента блока батарей.

Чтобы использовать эту модель для создания уникального модуля батареи, сначала укажите количество последовательно и параллельно соединенных камер. Затем укажите тип камеры для всех отдельных камер, выбрав один из следующих опций для параметра Choose cell type блока Battery Module:
Pouch
Can
Compact cylindrical
Regular cylindrical
Этот пример использует камеры типа пакета. Модуль A, B и C состоят из пяти последовательно соединенных и двух параллельно соединенных камер. Модуль D состоит из шести последовательно соединенных и двух параллельно соединенных камер.
![]()
Два выходных порта, SOC и Temp, обеспечивают информацию о состоянии заряда и температуре каждой камеры в модуле. Тепловой порт Amb используется, чтобы задать температуру окружающей среды в симуляции. Электрические порты pos и neg определяют электрические положительные и отрицательные выводы, соответственно. Два входных порта, FlwR и FlwT, определяют регулирование скорости потока жидкости охлаждающей жидкости и температуру на входе в модуль.
Рисунок ниже показывает примеры элементов батареи в Pouch и Can строения.

Рисунок ниже показывает примеры элементов батареи в Compact cylindrical и Regular cylindrical строения.

Вот параметры в модуле аккумулятора:
Вектор температур, T - Температуры, при которых данные камеры или модуля для изменяющихся по температуре свойств сведены в таблицу, заданную в виде вектора.
Рейтинг Ahr одной камеры, базовый уровень - Емкость камеры при температурах, заданных в Векторе температур, параметр T, заданный как вектор.
Вектор значений состояния заряда, SOC - Область значений значений от 0 до 1, при котором заданы электрические параметры камеры, заданный как вектор.
Вектор расхода хладагента, L - Значения хладагента массового расхода жидкости при которых задана интерполяционная таблица для камеры охлаждения. Этот параметр должен охватывать несколько точек в интересующей области значений потока. Этот параметр определяет размер параметра Эффективной скорости теплопередачи хладагента и задается как вектор.
Нет напряжения нагрузки, V0 - Камера значений потенциала разомкнутой цепи в различных Векторах значений состояния заряда, SOC и Вектор температур, Т точек, заданных в виде матрицы.
Терминальное сопротивление, R0 - значения омического сопротивления камеры в различных Векторах значений состояния заряда, SOC и Вектор температур, Т точек, заданных в виде матрицы.
Сопротивление поляризации - Значения сопротивления поляризации в различных Векторах значений состояния заряда, SOC и Вектор температур, Т точек, заданные в виде матрицы.
Постоянная по времени - Постоянная по времени в разных Векторах значений состояния заряда, SOC и Вектор температур, Т точек, заданных как матрица.
Тепловая масса камеры - тепловая масса одной камеры, заданная в виде скаляра.
Камера теплопроводность - Камера проводимость через плоскость для пакета и может камеры, или радиальная проводимость для цилиндрических камер, заданная как скаляр.
Коэффициент теплопередачи к окружающему - значение коэффициента теплопередачи, заданное как скаляр.
Количество последовательных связанных камер Ns - Количество последовательных строк, заданное в виде целого числа.
Количество параллельных связанных камер Np - Количество параллельных ячеек в строке, заданное в виде целого числа.
Выберите тип камеры - тип камеры, заданный как Pouch, Can, Compact cylindrical, или Regular cylindrical.
Высота камеры - высота камеры, заданная как скаляр.
Ширина камеры - ширина камеры для Pouch и Can камеры, заданные как скаляр.
Толщина камеры - толщина камеры для Pouch или Can камеры, заданные как скаляр.
Диаметр камеры - диаметр камеры для Compact cylindrical или Regular cylindrical, заданный как скаляр.
Количество цилиндрических камер в прямой линии - Количество цилиндрических камер, расположенных по прямой для упаковки, заданное в виде целого числа.
Дополнительное полное сопротивление - Сопротивление, которое объединяет все встроенные сопротивления в модуле, заданные как скаляр. Это сопротивление является суммой сопротивления вкладки камеры, шины, кабеля и/или сварного шва, заданной в виде скаляра.
Балансировка камер - метод балансировки камер, заданный как none или passive. В этом примере этот параметр устанавливается на none.
Эффективная скорость теплопередачи теплоносителя от каждой камеры - Оценка теплового сопротивления (Вт/К) теплопередачи от элементов батареи к теплоносителю, заданная в виде 3-D матрицы скалярных значений. Размер матрицы 3-D зависит от Вектора температур, T, Вектора расхода хладагента, параметров L и NsxNp. Параметр NsxNp является общим количеством камер в модуле. Охлаждение батареи представлено в виде интерполяционной таблицы или 3-D матрицы размера [T, L, Ns * Np], и значения вычисляются с помощью подробных методов 3-D, таких как вычислительная динамика жидкости. Значения матрицы зависят от фактического аппаратного проекта системы охлаждения или холодных пластин в модуле. Эффективность холодного диска контролируется с помощью входных значений FlwR и FlwT.
Внешнее тепло - Вход внешнего тепла в каждую камеру в модуле из-за горячего компонента, расположенного около модуля, заданный как вектор.
Вектор начальной температуры камеры - начальная температура камеры, заданная в виде вектора.
Вектор начальной камеры состояния заряда - Камера начальное состояние заряда, заданное как вектор.
Камеры оценки Ahr - изменения пропускной способности ячейки в камере при всех векторах температур, T точек для каждой камеры, заданные как вектор скалярных значений. Если установить этот массив равным 1, вся емкость камеры одинаковая. Значения массива для камеры умножаются на значение, заданное в параметре Single cell Ahr rating, baseline для вычисления фактической емкости или Ahr rating камеры.
Чтобы определить скорость потока жидкости и температуру теплоносителя батареи, задайте следующие входы:
FlwR - Значение от 0 до 1, заданное как скаляр. Входное значение FlwR используется для динамического выбора правильного значения скорости потока жидкости во время симуляций. Значение входа FlwR определяет фактическую скорость потока жидкости в модуле. В Вектор расхода теплоносителя L параметр FlwR, равный 0, означает отсутствие потока, в то время как FlwR, равный 1, означает наивысшую скорость потока жидкости значение.
FlwT - положительное или отрицательное значение, которое при суммировании с температурой окружающей среды равняется температуре на входе хладагента. Значение + 15 для входа FlwT и 273,15 K в порту Amb делает температуру входного отверстия теплоносителя равной 273,15 + 15 = 288.15K. Значение -15 для входных параметров FlwT и 273,15 K для Amb делает температуру на входе теплоносителя равной 273,15 - 15 = 258,15 K
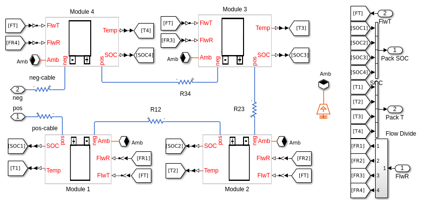
В этом примере блок батарей состоит из четырех модулей, соединенных последовательно. Первые три модуля идентичны. Четвертый модуль имеет разное количество камер, Ns4, и эффективность охлаждения, coolantQ4, заданный в ee_lithium_pack_cooling_ini.m файл. Кабели, смоделированные как резисторы, соединяют модули друг с другом. Все модули имеют разную скорость потока жидкости хладагента. Блок Flow Divide в подсистеме Блока батарей определяет скорость потока жидкости, которая достигает каждого модуля батареи.

Подсистема управления охлаждающей средой отслеживает минимальные и максимальные температуры в блок батарей. Эта подсистема вычисляет скорость потока жидкости на основе наибольшего значения между различием в максимальной и минимальной температурах камер в пакете и различием в максимальной температуре в пакете и значении в порту Amb. Для различия 10 степеней Цельсия или более, FlwR устанавливается равным 1, в противном случае он линейно масштабируется до нуля, когда нет различия температур между различными камерами, и температура блока батарей очень близка к значению, установленному в порту Amb. В этом примере температура на входе хладагента, заданная в coolantTemp переменная рабочей области в ee_lithium_pack_cooling_ini.m файл, является постоянным.

В этом примере описывается профиль привода в 600 секунд. Скорость потока жидкости увеличений вместе с температурой блока батарей, что приводит к лучшему охлаждению блока батарей.
