Этот пример показывает два способа создать модель интегральной схемы, которая может использоваться в сочетании с другими блоками Simscape™ Electrical™. Первый подход состоит в том, чтобы создать поведенческую модель с использованием блоков Simscape Foundation Library PS и/или блоков Simulink ®. Второй - создать модель реализации из базовых блоков Simscape Electrical. Чтобы просмотреть маски и детали, выберите соответствующий блок и введите ctrl-U.
Поведенческая модель имеет преимущество быть проще и потенциально быстрее. Подход может быть расширен до сложных алгоритмов, которые могут быть реализованы на PIC или ASIC. Обратите внимание, что модель включает задержку первого порядка, чтобы смоделировать задержку распространения 1ns. Во многих приложениях эта временная константа будет намного быстрее, чем общая динамика схемы, и может не представлять интереса. Однако удаление его потенциально вводит алгебраический цикл, если входы затвора в любом случае зависят от выхода затвора. Альтернативой является реализация алгоритма (логика NOR в этом случае), используя только блоки PS, а не блоки Simulink.
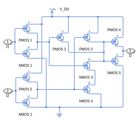
Модель реализации реализует представление фактических ворот MOSFET, используемых для реализации функции NOR. Обратите внимание, что хотя это и является более репрезентативной моделью фактического устройства, но все же имеет ограничения. Ключевой проблемой является выбор соответствующих параметров для блоков MOSFET на основе таблицы данных. Здесь все МОП-транзисторы приняты с одинаковыми параметрами, которые не всегда будут иметь место. Основным недостатком использования модели реализации является то, что скорость симуляции, вероятно, будет намного медленнее, чем поведенческая модель.



На графиках ниже показаны входы и выходы для двух реализаций схемы NOR. Поведенческая модель и модель реализации имеют почти одинаковые выходы.
