Этот пример показывает операция нескольких типов степени электронных преобразователей, которые могут быть симулированы с помощью одного из четырех выбираемых техника моделирования

Можно запустить эту симуляцию с помощью одного из следующих методов моделирования:
1. Коммутационные устройства: Преобразователи моделируются с помощью стандартных переключателей SPS степени и диодов, управляемых импульсами включения, которые производятся генераторами PWM.
2. Функция переключения: Преобразователи моделируются с помощью модели переключения-функции, управляемой импульсами включения, которые производятся генераторами PWM.
3. Функция переключения (PWM среднее): Преобразователи моделируются с помощью модели функции переключения, управляемой усреднением импульсов включения, производимых генераторами PWM в течение заданного периода.
4. Reference-Voltage (Uref или D-Controlled): Преобразователи моделируются с помощью модели switching-function, непосредственно управляемой ссылкой напряжением (Uref) или коэффициентом заполнения (D). Генераторы ШИМ не требуются.
Метод 1 является наиболее точнейшая техника моделирования, в то время как метод 4 приводит к самой быстрой симуляции. Методы 2 и 3 хорошо подходят для симуляции в реальном времени.
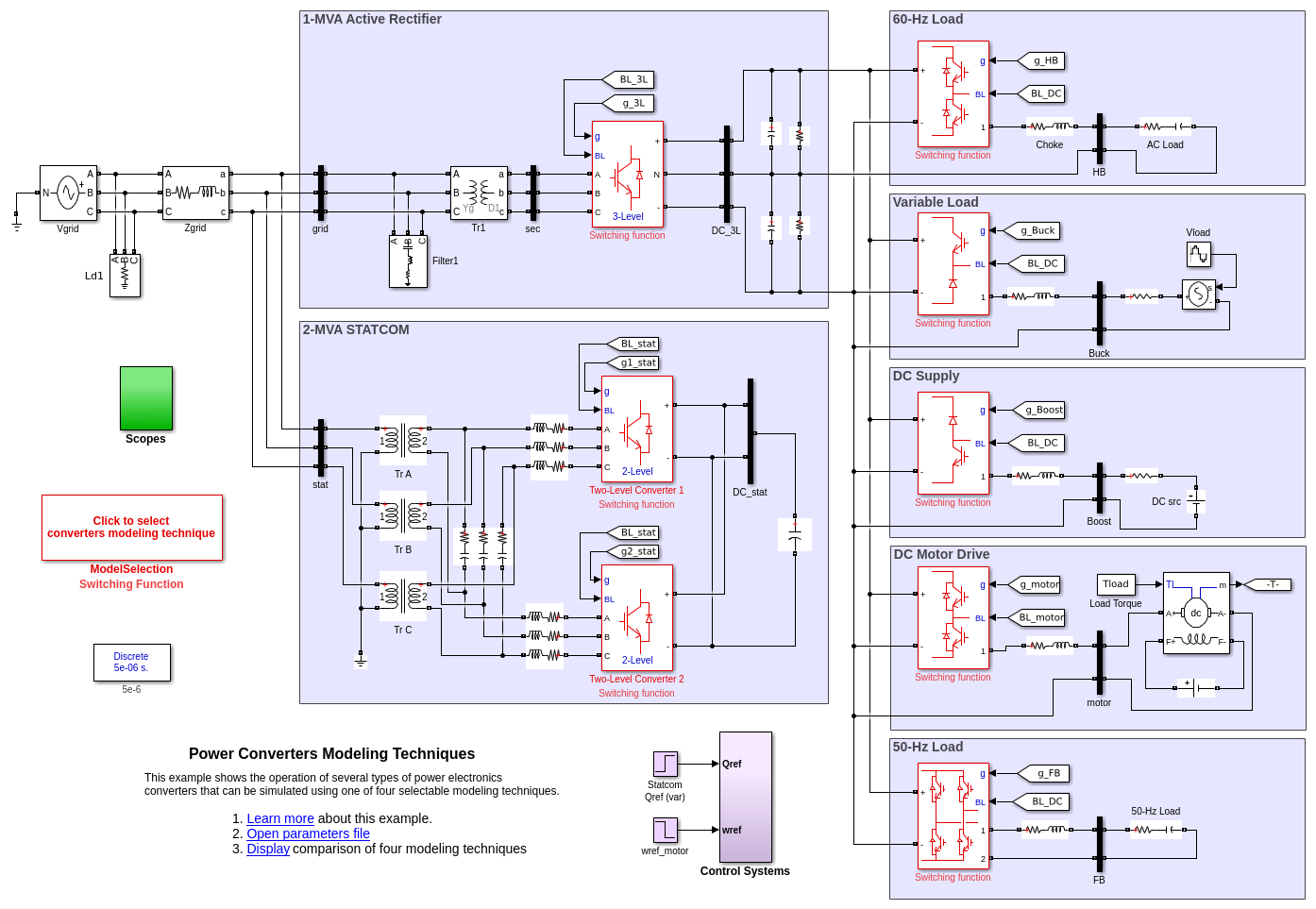
Симуляция позволяет наблюдать операцию из нескольких типов степени электронных преобразователей:
1-MVA Активный выпрямитель: Этот активный выпрямитель будет производить основной источник постоянного тока (+/-500V), используемый несколькими другими конвертерами. Выпрямитель состоит из трехфазного, 3-уровневого NPC конвертера и системы управления с обратной связью. Это может взять или отдать степень в сетку в порядок поддержания заданного уровня постоянного тока.
60-Hz Load: Нагрузка моделируется с помощью полумостового конвертера, управляемого генератором PWM, имеющим несущую частоту 33 * 60.
Переменная нагрузка постоянного тока: Изменение нагрузки достигается с помощью понижающего конвертера и переменного источника постоянного тока на выходе конвертера.
Источник постоянного тока: Усилительный преобразователь передает степень (125 кВт) от 500V источника постоянного тока к основному источнику постоянного тока.
Привод двигателя постоянного тока: Привод состоит из регулируемого скоростью 200-HP двигателя, конвертера DC-DC с двумя квадрантами и системы управления.
50-Hz нагрузки: Нагрузка моделируется с помощью полномостового преобразователя, управляемого генератором ШИМ, имеющим несущую частоту 1650 Гц и индекс модуляции 0,9.
2-MVA STATCOM: Это распределение STATCOM состоит из двух трехфазных, 2-уровневых преобразователей (двухуровневая топология) и системы управления с обратной связью. Он может генерировать или поглощать 2 Mvar из сетки.
Во время симуляции переменная нагрузка постоянного тока будет варьироваться от 125 кВт до 350 кВт при 5 Гц. На 0,5 с уставка скорости двигателя постоянного тока изменяется с 1200 до 800 об/мин. На 0,6 с ссылка STATCOM (Qref) изменяется с -1 Mvar до + 1,5 Mvar. Запустите симуляцию и наблюдайте получившиеся сигналы на различных возможностях. Выберите другую технику моделирования и повторите симуляцию, сравнивая результаты с предыдущими запусками.