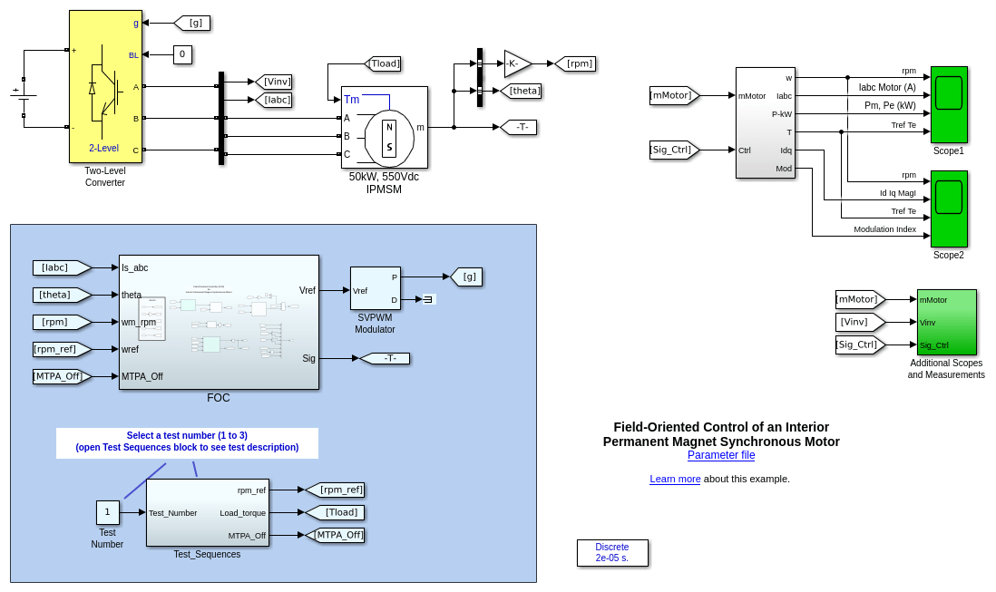
Этот пример показывает широкоскоростную операцию привода с синхронным двигателем на постоянных магнитах (IPMSM). Привод использует векторную систему управления с максимальным крутящим моментом на ампер (MTPA) и стратегиями управления ослаблением поля.

IPMSM являются синхронными двигателями переменного тока с постоянными магнитами, встроенными в их стальные роторы. По сравнению с поверхностными двигателями PMSM, двигатели IPMSM являются более устойчивыми и могут эксплуатироваться с гораздо более высокой скоростью. В сложение, двигатель IPMSM показывает относительно высокую магнитную салиентность, которая позволяет двигателю использовать как магнитный, так и реактивный крутящие компоненты.
Двигатели IPMSM обычно управляются с помощью векторной схемы управления и питаются синусоидальными токами. В примере также используются схемы ослабления потока и управления MTPA.
Шина постоянного тока, смоделированная как идеальный источник постоянного тока 550 В, соединяется с трехфазным двухуровневым конвертером. Этот преобразователь генерирует соответствующие трехфазные напряжения (амплитуда и частота) для регулирования скорости двигателя IPMSM мощностью 50 кВт.
Преобразователем управляет векторный контроллер управления (FOC), который генерирует ссылки напряжения на векторный модулятор ШИМ.
FOC является схемой управления, в которой d-q координат опорной системы координат, которая заблокирована на векторе пространства потока двигателя, используется для достижения развязки между потоком двигателя и крутящим моментом. Следовательно, они могут отдельно управляться токами прямой оси и квадратурной оси статора, соответственно.
Крутящий момент максимален, когда поток, создаваемый магнитами, перпендикулярен потоку статора, создаваемому токами статора. В векторной схеме управления угол между этими двумя потоками поддерживается на уровне 90 °, чтобы получить максимальный крутящий момент.
Крутящий момент, развиваемый двигателем, задается:
![$$T_e = \frac{3}{2} \: p \:[ \lambda \: i_{q} + (L_{d}-L_{q})\: i_{d}\: i_{q}]$$](../../../examples/sps_product/win64/power_motordrive_IPMSM_FOC_eq16034409553590052568.png)
где
- количество пар полюсов.
- поток, вызываемый постоянными магнитами в обмотках статора.
и
являются d-составляющими и q-составляющими индуктивности.
и
являются токами статора по оси D и по оси Q.
Уравнение выражено в исходной системе координат ротора (dq-система координат), и все величины в исходной системе координат ротора относятся к статору.
Чтобы работать с двигателем IPMSM на скорости, превышающей его номинальную скорость, результирующий коэффициент противо-ЭДС должно быть уменьшено в порядок, чтобы не превысить максимальный выход напряжение инвертора. Это сокращение выполняется путем установки тока статора по оси D на отрицательное значение, чтобы уменьшить редактирование потока ротора. Эта стратегия управления называется управлением ослаблением поля.
Двигатель IPMSM показывает относительно высокую магнитную салиентность, которая позволяет двигателю использовать как магнитные так и реактивные компоненты. Алгоритм Maximum Torque Per Ampere MTPA вычисляет значения компонентов тока оси D и оси Q, чтобы создать требуемый крутящий момент при минимизации величины тока. Кроме того, MTPA гарантирует, что выход инвертора не насыщается.
Основными компонентами системы ВОК являются:
Регулятор Скорости - Регулятор сравнивает фактическую скорость двигателя с ссылкой скорости. Если двигатель нужно ускорить, регулятор увеличивает крутящий момент ссылки величины (Tref) в порядок, чтобы создать больше крутящего момента. Напротив, если скорость мотора выше ссылки, регулятор уменьшает Tref. Это начальное значение крутящего момента затем подается на блок Torque Limiter, чтобы уменьшить начальный крутящий момент как функцию от фактической скорости и характеристик крутящий момент-скорость двигателя.
Измерение тока d-q преобразование - На основе положения ротора (представленного сигналом theta в модели электродвигателя), измеренные трехфазные токи статора преобразуются в их d-q координаты в системе координат ротора.
Расчет ссылки по току - На основе опорного крутящего момента,
фактической скорости двигателя, предполагаемых параметров двигателя и доступного напряжения питания эта подсистема определяет оптимизированные опорные токи
и Iqref с помощью MTPA и алгоритмов ослабления поля.
Регуляторы Тока -
И
опорные токи подаются на регуляторы тока. Регуляторы обрабатывают измеренный и опорный токи, чтобы создать опорные напряжения,.
Динамика регуляторов выигрывает от прямого вычисления токов IPMSM на основе параметров двигателя.
Трехфазные опорные сигналы соединяются с ШИМ-модулятором, который генерирует импульсы для инвертора двигателя. Модулятор использует метод PWM вектора пространства со средним импульсом и частотой переключения 8 кГц.
Укажите номер теста в блоке Test Number и запустите симуляцию. Для теста 3 задайте время остановки 10 с. Можно наблюдать результаты симуляции как в Возможностях 1, так и в Возможностях 2.
Тест 1: Этот тест показывает операцию двигателя и генератора в нормальной скорости (1200 об/мин) и режиме превышения скорости (2400 об/мин).
На 0,4 с к мотору прикладывается крутящий момент нагрузки 350 Н.м. На 0,7 с скорость двигателя растёт до 2400 об/мин, и крутящий момент нагрузки уменьшается до 150 Н.м. Регулятор скорости хорошо работает для обеих настроек скорости.
На 1,0 с крутящий момент нагрузки инвертирует от + 150 до -150 Н.м так, что машина теперь работает как генератор.
Тест 2: Этот тест показывает влияние управления MTPA на токи мотора. На 0,4 с к мотору прикладывается крутящий момент нагрузки 350 Н.м. На 0,8 с управление MTPA отключается (Idref = 0). Без алгоритма MTPA величина токов двигателя увеличивается при создании того же значения крутящего момента. Это приводит к большим потерям статора. Тест 3: Этот тест показывает широкоскоростную операцию двигателя IPMSM с 0 об/мин до 6000 об/мин. Скорость двигателя растёт до 6000 об/мин, в то время как ссылка крутящего момента ограничивается, порядок не превышает номинальные значения двигателя и избегает насыщения выхода инвертора.
Если у вас есть Simulink Real-Time и цель Speedgoat, можно запустить эту модель в реальном времени.
Откройте окно Configuration Parameters (или нажмите Ctrl + E), нажмите Генерация Кода и установите Системный целевой файл равным slrealtime.tlc .
Подключитесь к целевому объекту и на вкладке Real-Time нажмите Run on Target.
Затем ваша модель будет автоматически построена, развернута и выполнена на цели. В зависимости от целевой потоковой полосы, вам, вероятно, придется уменьшить количество сигналов, переданных в реальном времени от цели к хосту-компьютеру.
Трембле, Оливье. Отчет о развитии: Оценка параметров и векторное управление синхронной машиной с внутренними постоянными магнитами, ETS декабрь 2010.
Ящольт, Кристофер. «Понимание двигателей с постоянными магнитами». Проектирование систем управления. Январь 2017 года. https://www.controleng.com/articles/understanding-permanent-magnet-motors/aka.
Циринционе, М., М. Пуччи, Г. Витале. Степени и электроприводы переменного тока с линейными нейронными сетями. CRC Press, 2012.