Этот пример показов, как реализовать эффекты затенения в объекте или модуле солнечной фотоэлектрии (PV). Блок солнечного объекта создается на Simscape™ языке. Затенение в солнечном объекте или модуле происходит, когда солнечное излучение не равномерно для всех солнечных модулей PV или камер. Можно использовать этот пример, чтобы изучить эффекты затенения и температуры соединения PV камеры в большом взаимосвязанном солнечном объекте или одном модуле PV. Чтобы улучшить максимальную степень и защитить солнечную панель от перегрева, блок Солнечного объекта включает в себя обходные и блокирующие диоды. Чтобы задать затенение, установите значения параметров облучения и температуры.

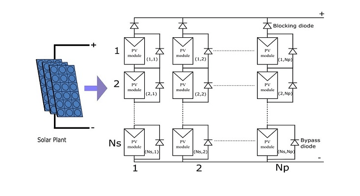
Этот рисунок показывает блок Solar Plant. Блок Solar Plant содержит Np параллельно соединенные строки. Каждая строка содержит Ns последовательно соединенные модули солнечного ПВ.

Блок Solar Plant содержит Ns*Np Модули ПВ. Каждый солнечный модуль PV состоит из Np_cell параллельно соединенные строки и каждая строка содержит Ns_cell последовательно соединенные солнечные камеры. Блок Solar Cell из библиотеки Simscape™ Electrical™ моделирует строки солнечных камер. Чтобы задать размер модуля PV, задайте количество камер, Ns_cell и Np_cell, в модулях. Чтобы воспроизвести коммерчески доступную солнечную панель, параметры солнечного ПВ-модуля получаются непосредственно из таблицы данных производителя солнечной панели. Для получения дополнительной информации о параметризации на основе таблицы данных производителя, смотрите пример Simscape Electrical 'ee _ solar _ панель'.

Блок Solar Plant содержит как байпасный, так и блокирующий диоды. Блок Diode из библиотеки фундамента Simscape моделирует диоды защиты. Чтобы обойти солнечный модуль PV в строке, которая не имеет достаточной облученности, чтобы поддерживать солнечный ток PV, байпасные диоды соединены между модулями PV. Блокирующие диоды изолируют солнечную строку PV, которая имеет более низкое напряжение строки. Диоды защиты улучшают выход степени и срок службы солнечного модуля PV.
Установите параметр Solar module protection type, чтобы задать диоды защиты на солнечном объекте: * Нет диод защиты - Солнечный объект не имеет обводных и блокирующих диодов. * Только обводной диод через модули - Солнечный объект имеет обводной диод через каждый PV модулей во всех солнечных строках, но не имеет блокирующих диодов между солнечными PV строками. * Как обводной диод, так и последовательные строки модулей, блокирующие диод - Солнечный объект имеет оба защитных диода.
Количество последовательных подключенных модулей, Ns - Количество последовательно подключенных солнечных PV-модулей в строке, заданное в виде положительного целого числа. Это значение должно быть больше 0.
Количество параллельно соединенных строк модулей, Np - Количество параллельно соединенных солнечных PV строк, заданное в виде положительного целого числа. Это значение должно быть больше 0.
Облучение (Ns, Np) - Солнечное облучение через каждый солнечный модуль PV. Солнечное излучение принято равномерным для всех солнечных камер в модуле PV. Матрица должна иметь Ns строки и Np столбцы. Каждый элемент матрицы должен быть больше или равен 0.
Температура камеры (Ns, Np) - температура соединения солнечной камеры на каждом солнечном ПВ-модуле. Температура соединения принята равномерной для всех солнечных камер в модуле PV. Матрица должна иметь Ns строки и Np столбцы.
Количество камер, Ns_cell - количество последовательно соединенных солнечных камер в солнечном модуле PV, заданное в виде положительного целого числа. Это значение должно быть больше 0.
Количество параллельных строк камер, Np_cell - Количество параллельно соединенных строк солнечных камер в модуле PV, заданное в виде положительного целого числа. Это значение должно быть больше 0.
Для получения дополнительной информации о других параметрах см. Страницы документации по блокам диодов и солнечных камер.
Можно сконфигурировать блок Solar Plant, чтобы изучить эффекты затенения как в солнечном объекте, так и в модуле PV. Чтобы изучить эффекты затенения в одной солнечной панели PV, установите Количество камер ряда, Ns_cell и Количество строк параллельных камер, Np_cell параметры равными 1. Чтобы определить количество солнечных камер в панели солнечных батарей, задайте значения количества последовательно соединенных модулей, Ns и количества параллельно соединенных строк модулей, параметров Np. Матрица облучения (Ns, Np) и параметры матрицы температуры камеры (Ns, Np) используются, чтобы задать значения облучения и температуры в каждой солнечной камере в панели солнечных батарей. Чтобы настроить площадь затенения поля, задайте соответствующие параметры блока Solar Plant Ns, Np, Ns_cell и Np_cell. Можно также использовать Ns_cell и Np_cell параметры, чтобы задать кластер PV- камеры, который имеет равномерное облучение и температуру. Можно использовать параметры Ns и Np, чтобы задать количество кластеров камер, которые имеют разное облучение и температуру.
Все солнечные камеры приняты одинаковыми по всему солнечному объекту.
Рисунок ниже показывает кривые I-V и P-V солнечной станции с равномерным облучением и температурой. Температура соединения принята равномерной для солнечного объекта.
Cell junction temperature in degC, maximum power point current in A, voltage in V and Power in W
JuntionTemperature MaximumCurrent MaximumVoltage MaximumPower
__________________ ______________ ______________ ____________
25 12.156 90.226 1096.8
50 11.981 81.117 971.88

Рисунок ниже показывает кривые I-V и P-V солнечной станции с различным излучением (irradianceMat) через солнечный модуль PV без диодов защиты. Температура соединения принята равномерной для солнечного объекта. Наблюдается значительное снижение максимальной выходной степени солнечного объекта.
Cell junction temperature in degC, maximum power point current in A, voltage in V and Power in W
JuntionTemperature MaximumCurrent MaximumVoltage MaximumPower
__________________ ______________ ______________ ____________
25 5.5836 94.78 529.21
50 5.5517 85.297 473.55

Рисунок ниже показывает кривые I-V и P-V солнечной станции с различным излучением (irradianceMat) через солнечные модули PV с только обходными диодами. Температура соединения принята равномерной по всему солнечному объекту. График и таблица ниже показывают улучшение максимальной выходной степени. Многие локальные максимумы выходной степени наблюдаются с обводным диодом. Этот эффект очень важен при оценке эффективности алгоритма отслеживания максимальной точки степени (MPPT).
График ниже показывает, что около самого высокого напряжения (большая резистивная нагрузка), все три модуля PV в солнечных PV строках подают степень. В среднем области значений напряжений был обойден модуль PV с самым низким облучением, третий модуль PV в строке PV. В более низкой области значений напряжения (низкая нагрузка сопротивления) только PV-модули с самым высоким уровнем облучения питают степень. В этом примере это первый модуль PV, который подает степень на нагрузку, оставшиеся два модуля PV обходятся диодом.
Cell junction temperature in degC, maximum power point current in A, voltage in V and Power in W
JuntionTemperature MaximumCurrent MaximumVoltage MaximumPower
__________________ ______________ ______________ ____________
25 9.4275 61.518 579.96
50 9.3418 55.307 516.66

На графике ниже показана кривая I-V и P-V солнечного объекта с различным излучением (irradianceMat) через солнечные модули PV как с байпасным, так и с блокирующими диодами защиты. Температура соединения принята равномерной по всему солнечному объекту. В этом случае происходит снижение напряжения из-за падения напряжения на блокирующем диоде. Этот эффект также уменьшает максимальную выходную степень.
Cell junction temperature in degC, maximum power point current in A, voltage in V and Power in W
JuntionTemperature MaximumCurrent MaximumVoltage MaximumPower
__________________ ______________ ______________ ____________
25 9.4227 60.944 574.26
50 9.3358 54.737 511.01

Рисунок ниже показывает кривые I-V и P-V солнечной станции с диодом защиты и без него. Защитные диоды улучшают выход степени но характеристики имеют много локальные выходы степени максимумов.
