В этом примере показано, как использовать модель планера ракеты, представленную в ряде опубликованных статей (References [1], [2] и [3]), об использовании усовершенствованных методов управления, применяемых к проекту автопилота ракеты. Модель представляет управляемую хвостом ракету, перемещающуюся между 2 Маха и 4 Маха, на высотах между 10, 000ft (3 050 м) и 60, 000ft (18 290 м), и с типичными углами атаки между +/-20 степенями.

Элемент ядра модели является нелинейным представлением динамики твёрдого тела планера. Аэродинамические силы и моменты, действующие на корпус ракеты, формируются из коэффициентов, являющихся нелинейными функциями как падения, так и числа Маха. Модель может быть создана с Simulink ® и Aerospace Blockset™. Цель этого библиотека состоит в том, чтобы предоставить эталонные компоненты, такие как модели атмосферы, которые будут общими для всех моделей независимо от строения планера. Упрощенные версии компонентов, доступных в Aerospace Blockset, включены в эти примеры, чтобы дать вам представление о возможностях повторного использования, доступных из стандартных библиотек блоков.
Откройте модель.

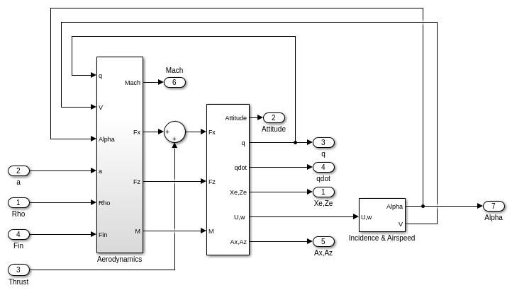
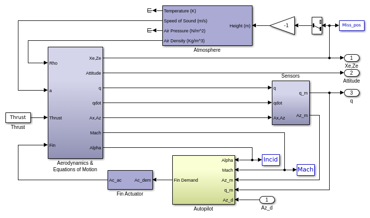
Модель планера состоит из четырех основных подсистем, управляемых через автопилот спроса на ускорение. Модель Atmosphere вычисляет изменение атмосферных условий с изменением высоты, модели Fin Drivator и Sensors связывают автопилот с планером, а модель Aerodynamics и Equations of Motion вычисляет величину сил и моментов, действующих на корпус ракеты, и интегрирует уравнения движения.


Используемая Подсистема Атмосферы является приближением к Международной Стандартной Атмосфере и разделена на две отдельные области. Тропосферная область лежит между уровнем моря и 11Km, и в этой области принято линейное понижение температуры с изменением высоты. Над тропосферой находится нижняя стратосферная область в диапазоне от 11Km до 20Km. В этой области температура принята постоянной.
Подсистема Аэродинамика и Уравнения Движения генерирует силы и моменты, приложенные к ракете, в осях корпуса и интегрирует уравнения движения, которые задают линейное и угловое движение планера.

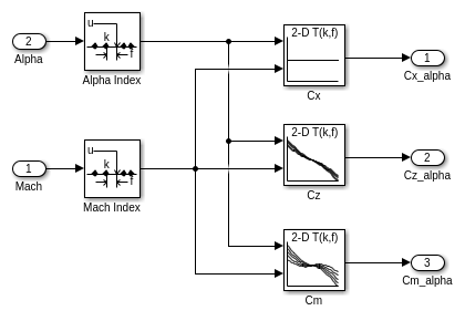
Аэродинамические коэффициенты сохраняются в наборах данных, и в течение симуляции значение в текущем рабочем условии определяется интерполяцией с использованием блоков двумерной интерполяционной таблицы.

Целью автопилота ракеты является управление ускорением, нормальным к корпусу ракеты. В этом примере структура автопилота является проектом трёх циклов с использованием измерений от акселерометра, расположенного перед центром тяжести, и гироскопа скорости для обеспечения дополнительного демпфирования. Усиления контроллера запланированы на частоту и число Маха и настроены на устойчивую эффективность на высоте 10 000 футов.
Для разработки автопилота с использованием классических методов проекта требуется, чтобы линейные модели динамики тангажа планера были выведены около ряда обрезанных условий рейса. MATLAB ® может определять условия обрезки и выводить модели линейного пространства состояний непосредственно из нелинейной модели Simulink, экономя и время, и помогая в валидации модели, которая была создана. Функции, предоставляемые MATLAB Control System Toolbox™ и Simulink ® Control, Design™ позволить дизайнеру визуализировать поведение частотных (или временных) характеристик разомкнутого контура планера. Чтобы увидеть, как обрезать и линеаризировать модель планера, можно запустить сопутствующий пример «Обрезка планера и линеаризация».

Проекты автопилота выполняются на ряде линейных моделей планера, полученных при меняющихся условиях рейса через ожидаемую огибающую рейса. Реализация автопилота в нелинейной модели включает хранение коэффициентов усиления автопилота в 2-мерных интерполяционных таблицах и включение антиокружительного коэффициента усиления для предотвращения насыщения интегратора, когда требования к плавнику превышают максимальные пределы. Тестирование автопилота в нелинейной модели Simulink в этом случае является лучшим способом показать удовлетворительную эффективность при наличии нелинейностей, таких как плавник привода и пределы скорости, и с усилениями, которые теперь динамически изменяются с изменением условий рейса.

Фигура: Реализация Simulink запланированного автопилота усиления
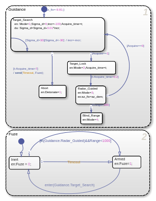
Полный цикл наведения состоит из Подсистемы Поиска / Сопровождения, которая возвращает измерения относительного движения между ракетой и целью, и Подсистемы наведения, которая генерирует нормальные требования ускорения, которые передаются автопилоту. Автопилот теперь является частью внутреннего цикла в общей системе наведения самонаведения. Ссылка [4] предоставляет информацию о различных формах руководства, которые используются в настоящее время, и предоставляет базовую информацию о методах анализа, которые используются для количественной оценки эффективности цикла руководства.

Функция Подсистемы Руководства состоит в том, чтобы не только сгенерировать требования во время отслеживания замкнутого цикла, но и выполнить начальный поиск, чтобы определить местоположение цели. Модель Stateflow ® используется, чтобы управлять передачей между этими различными режимами работы. Переключение между режимами запускается событиями, сгенерированными или в Simulink, или внутренними в модель Stateflow. Управление поведением модели Simulink достигается путем изменения значения переменной Mode, которая потеряна в Simulink. Эта переменная используется для переключения между различными требованиями к управлению, которые могут быть сгенерированы. Во время поиска цели модель Stateflow управляет трекером непосредственно путем отправки требований к ГСМ (Sigma). Захват цели помечается трекером, когда цель лежит внутри луча ГСН (Acquire), и после короткой задержки начинается наведение замкнутого цикла. Stateflow является идеальным инструментом для быстрого определения всех рабочих режимов, будь то для нормальной операции или необычных ситуаций. Для примеров действия, которые должны быть предприняты, если потеря блокировки на цели или если цель не будет достигнута во время целевого поиска, учитываются в этой схеме Stateflow.

Как только ГСН приобрела цель, закон метода пропорционального наведения (PNG) используется для направления ракеты до влияния. Такая форма закона о наведении используется в управляемых ракетах с 1950-х годов и может применяться к радиолокационным, инфракрасным или телевизионным управляемым ракетам. Закон о навигации требует измерений скорости замыкания между ракетой и целью, которая для радарной управляемой ракеты может быть получена с помощью доплеровского отслеживающего устройства, и оценки скорости изменения угла инерционной прицельной линии.

Фигура: Метод пропорционального наведения закон
Цель Подсистемы Поиск / Сопровождение состоит как в том, чтобы приводить в действие гимбалы ГСН, чтобы сохранить чашку ГСН в соответствие с целью, так и в том, чтобы обеспечить закон руководства оценкой скорости видимости. Значение постоянной времени цикла трекера устанавливается равным 0,05 секунд и выбирается в качестве компромисса между максимизацией скорости отклика и поддержанием передачи шума в пределах приемлемых уровней. Стабилизационный цикл направлен на компенсацию скорости вращения тела, и коэффициент усиления Ks, который является циклом частоты среза, устанавливается как можно выше при ограничениях полосы пропускания гироскопа со стабилизирующей скоростью. Оценка скорости видимости является отфильтрованным значением суммы скорости изменения угла чашки, измеренной гироскопом скорости стабилизации, и оцененным значением для скорости изменения угловой ошибки (е) отслеживания, измеренной приемником. В этом примере ширина полосы пропускания фильтра оценщика устанавливается в половину ширины полосы пропускания автопилота.

Для радиолокационных управляемых ракет паразитным эффектом обратной связи, который обычно моделируется, является эффект аберрации радома. Это происходит потому, что форма защитного покрытия над ГСН искажает сигнал возврата, а затем дает ложное считывание угла обзора цели. Обычно величина искажения является нелинейной функцией текущего карданного угла, но обычно используемое приближение предполагает линейную зависимость между углом кардана и величиной искажения. В вышеописанной системе аберрация радома учитывается в блоке усиления, помеченном как «Аберрация Радома». Другие паразитарные эффекты, такие как чувствительность в гироскопах скорости к нормальному ускорению, также часто моделируются, чтобы проверить робастность целевого трекера и оценочных фильтров.

Фигура: Геометрия аберрации радома
Теперь, чтобы показать эффективность всей системы. В этом случае цель определяется как перемещение с постоянной скоростью 328 м/с, по возвратному курсу к начальному курсу ракеты и на 500 м выше начального положения ракеты. По результаты симуляции может быть определено, что приобретение произошло через 0,69 секунды до зацепления с управлением замкнутым циклом, начинающимся через 0,89 секунд. Влияние с целью произошло на 3,46 секунде, и область значений перехода в точке ближайшего сближения была рассчитана как 0,265 м.
Скрипт aero_guid_plot.m создает анализ эффективности




Блок анимации обеспечивает визуальную ссылку для симуляции

1. «Устойчивое управление НД с ограниченными скоростями параметров», С.Беннани, Д.М.К. Виллемсен, К. В. Шерер, AIAA-97-3641, август 1997.
2. «Full Envelope Missile Longitudinal Autopilot Design Using the State-Dependent Riccati Equation Method», C.P.Mracek and J.R. Cloutier, AIAA-97-3767, August 1997.
3. "Gain-Scheduled Mocket Autopilot Design Using Linear Parameter Vol. 16, No 2, March-April 1993.
4. «Modern Navigation, Guidance and Control Processing Volume 2», Ching-Fang Lin, ISBN 0-13-596230-7, Prentice Hall, 1991.