Рассмотрим точечную массу m, подвешенную безмассовым стержнем длины l под действием силы тяжести. Положение массы может быть выражено в Декартовых координатах как (x, y).

Баланс сил массы задает уравнения движения в направлениях x и y.

Пусть (u, v) - скорости в (x, y) соответственно. Система может быть переписана как система ОДУ первого порядка

где F - натяжение в штоке. Система также обладает геометрическим ограничением

Дифференцируйте (7) дважды относительно времени t, чтобы прибыть к

Эта связь полезна, поскольку она позволяет F определять на каждом шаге для использования в моделировании кинематики системы.
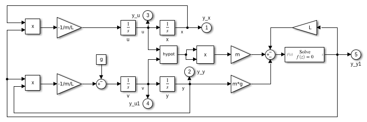
Система моделируется как показано на рисунке ниже

Уравнение (8) содержит одну неизвестную F и имеет вид f (z) = 0 где
. Блок Алгебраических ограничений ограничивает f (z) до 0 и решает для F в соответствии с (8).


Волосы, Эрнст, Кристиан Любич и Мишель Рош. Численное решение дифференциально-алгебраических систем методами Рунге-Кутты. Лекции по математике. Том 1409, Берлин: Springer-Verlag, 1989: pp. 8-9.