В этом примере показано, как смоделировать стек топливного элемента протонной мембраны обмена (PEM) с пользовательским блоком Simscape. Топливный элемент PEM генерирует электроэнергию путем потребления водорода и кислорода и создания водяного пара. Пользовательский блок представляет блок мембранного электрода (MEA) и соединяется два, разделяют сырые воздушные сети: один для анодного потока газа и один для потока газа катода.
Две сырых воздушных сети представляют различные газовые смеси. Анодная сеть состоит из азота (N2), водяной пар (H2O) и водород (H2), представляя топливо. Водород хранится в топливном баке на уровне 70 МПа. Уменьшающий давление клапан выпускает водород к стеку топливного элемента на уровне приблизительно 0,16 МПа. Неиспользованный водород рециркулирован назад к стеку. Сеть катода состоит из азота (N2), водяной пар (H2O) и кислород (O2), представляя воздух средой. Компрессор приносит воздух к стеку топливного элемента на управляемом уровне, чтобы гарантировать, что топливный элемент не исчерпан ресурсы кислорода. Предохранительный клапан противодавления поддерживает давление приблизительно 0,16 МПа в стеке и вентилирует выхлоп к среде.
Температурная и относительная влажность в стеке топливного элемента должна быть обеспечена на оптимальном уровне, чтобы гарантировать эффективную операцию при различных условиях загрузки. Более высокие температуры увеличивают тепловой КПД, но уменьшают относительную влажность, которая вызывает более высокое мембранное сопротивление. Поэтому в этой модели, температура стека топливного элемента сохранена в 80 degC. Система охлаждения распространяет хладагент между ячейками, чтобы поглотить тепло и отклоняет его к среде через излучателя. humidifers насыщают газ с водяным паром, чтобы сохранить мембрану гидратировавшей и минимизировать электрическое сопротивление.
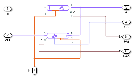
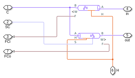
Пользовательский блок MEA реализован в коде Simscape FuelCell.ssc. Выходной порт F блоков трубопровода канала газа анода и катода обеспечивает, газовые мольные доли должны были смоделировать реакцию топливного элемента. Удаление H2 и O2 от потоков газа анода и катода реализовано Управляемым Источником Газа Трассировки (MA) блоки. Производство H2O и транспорт водяного пара через MEA реализованы Управляемым Источником Влажности (MA) блоки. Тепло, выработанное реакцией, отправляется через тепловой порт H в связанный блок Thermal Mass. Обратитесь к комментариям в коде для дополнительных деталей о реализации.
















Этот график показывает текущее напряжение (i-v) кривая топливного элемента в стеке. Как текущие подъемы, начальное понижение напряжения происходит из-за потерь активации электрода, сопровождаемых постепенным уменьшением в напряжении из-за омических сопротивлений. Около максимального тока резкое падение напряжения происходит из-за газовых связанных с транспортом потерь.
Этот график также показывает энергию, произведенную ячейкой. Когда сценарий пандуса выбран, увеличения степени до максимальной выходной мощности, затем уменьшается из-за высоких потерь около максимального тока.

Этот график показывает электроэнергию, произведенную стеком топливного элемента, а также энергией, потребленной воздушным компрессором катода и насосом хладагента, чтобы обеспечить устойчивую и эффективную работу системы. В результате сетевая энергия, произведенная системой, является несколькими процентами меньше, чем энергия, произведенная стеком. Обратите внимание на то, что эта модель принимает изэнтропический компрессор. Составление КПД компрессора уменьшило бы сетевое усиление степени еще на несколько процентов.
Этот график также показывает избыточное тепло, выработанное стеком топливного элемента, который должен быть удален системой охлаждения. Максимальная энергия, произведенная стеком топливного элемента, составляет 110 кВт.

Этот график показывает тепловой КПД топливного элемента и его части использования реагента. Тепловой КПД указывает на часть энергии водородного топлива, которую топливный элемент преобразовал в полезную электрическую работу. Теоретическая максимальная производительность для топливного элемента PEM составляет 83%. Однако фактический КПД составляет приблизительно 60% из-за внутренних потерь. Около максимального тока КПД спадает приблизительно до 45%.
Использование реагента является частью реагентов, H2 и O2, текущего в стек топливного элемента, который был использован топливным элементом. В то время как более высокое использование лучше использует газы, текущие через топливный элемент, оно уменьшает концентрацию реагентов и таким образом уменьшает произведенное напряжение. Неиспользованный O2 вентилируется к среде, но неиспользованный H2 рециркулирован назад к аноду, чтобы избежать отходов. Однако на практике H2 периодически очищается, чтобы удалить загрязнители.

Этот график показывает температуры в различных местоположениях в системе. Температура стека топливного элемента обеспечена максимум в 80 degC системой охлаждения. Топливо, текущее к аноду, подогрето рециркулировавшим потоком. Воздух, текущий к катоду, нагрет компрессором.
Поддержание оптимальной температуры очень важно для операции топливного элемента, потому что более высокие температуры понижают относительную влажность, которая увеличивает мембранное сопротивление. В этой модели система охлаждения управляется простым управлением скорости потока жидкости насоса хладагента. График показывает температуру хладагента после того, как это поглотило тепло от стека топливного элемента и после того, как это отклонило тепло в излучателе.

Этот график показывает массу водорода, используемого во время операции и соответствующего уменьшения в водородном давлении бака. Энергия использованного водородного топлива преобразована в электроэнергию.
